EasyManua.ls Logo

Scion 2006 xA - ECT and A;T Indicator

Scion 2006 xA
231 pages
Print Icon
To Next Page IconTo Next Page
To Next Page IconTo Next Page
To Previous Page IconTo Previous Page
To Previous Page IconTo Previous Page
Loading...
90
SCION xA (EM00D0U)
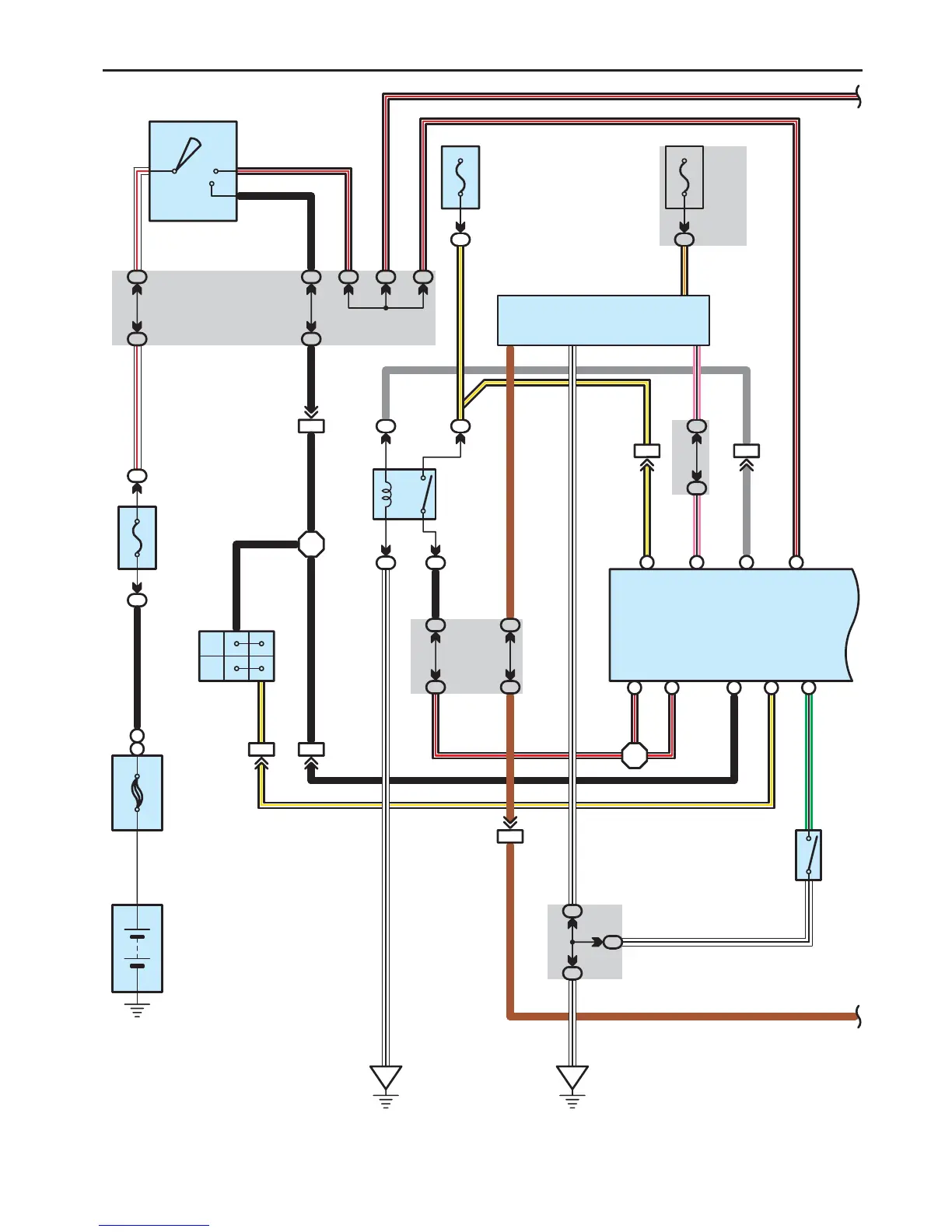
ECT and A/T Indicator
15A
EFI
2
60A MAIN
15A
AM2
2
1
2
2
B–R
1O1
1A761E
71O
13
25
22
2
W–R
2
W–R
D1
+B
1A11
1H8
ED
D3C17
1P3
1H14
IE
7. 5A
OBD
1P4
ID313
1P17
1O2
1P
13
IF2
CG
2
4
ODMS
6C
71P
54
11E
16
B–O
BAT
TC
13
D 1
P–B
15
P–B
B–Y
B–Y
EFI
Relay
Battery
B
B
W–BW–B
W–B W–B
E 3
(
A
)
, E 4
(
B
)
, E 5
(
C
)
, E 6
(
D
)
56
I10
W–B
BATT TC
AM2 IG2
ST2
2
F10
(
A
)
,
(
B
)
B–R
SG
B–R
BR
O 2
BR
W–B
G–B
BR
BR
1H7
B–R
Data Link
Connector 3
Engine Control Module
Fusible Link
Block
Ignition SW
O/D Main SW
D30
NSW
D12
STA
81G
IF213
P
N
B–Y
B
B–Y
B
B
BB
4
Park/Neutral
Position SW
P 1
5
4
B
(
BAT
)(
BAT
)
D2
+B2
B–R
IF111 IF14
(
w/o VSC
)
B2
(
w/ VSC
)
A3
B–Y
D8
MREL
D9
IGSW
ID22
61O
B–RGR
GRGR
B–R
B–R

Table of Contents

Other manuals for Scion 2006 xA

Related product manuals