EasyManua.ls Logo

SEBA SEBAPuls - Analog Signal Output (4-20 Ma; 0.2-1 V; 0.4-2 V); Connecting Sebapuls with Analog Output (with DC;DC Converter)

Default Icon
20 pages
Print Icon
To Next Page IconTo Next Page
To Next Page IconTo Next Page
To Previous Page IconTo Previous Page
To Previous Page IconTo Previous Page
Loading...
Chapter 4
11
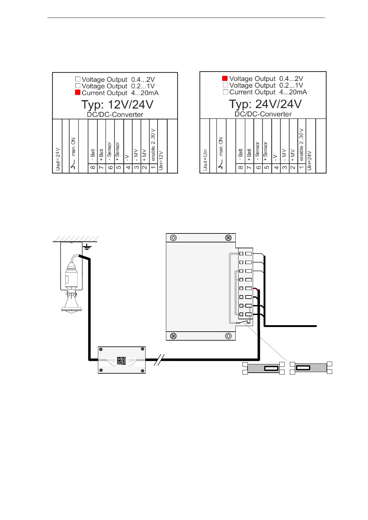
4.5 Analog signal output (4-20 mA / 0.2-1V / 0.4-2V)
The analog signal output of SEBAPuls is available in three different versions.
The output version is marked on the label of the DC/DC converter.
4.5.1 Connecting SEBAPuls with analog output (with DC/DC converter)
The system can be switched on by applying a voltage between 2V and 30V to the switch input. This
makes sure that energy will be consumed only during the measurement. For permanent operation
the switch can be put ON.
Example: Type 12V/24V
with output 4…20mA
Example: Type 24V/24V
with output 0.4…2V
Radar sensor
+ enable 2…30V
Switch ON= Continuous operation
Switch OFF= Cycle operation
battery + 12V
input + radar sensor
output meas. value
input - radar sensor
- battery
output + meas. value
ground
4...20mA, 0.2…1V
or 0.4…2V
Grounding
To application
ON
OFF
(voltage or current output)
brown= +Sensor
black= -Sensor
DC/DC converter
Connection box
ON
ON