EasyManua.ls Logo

SEBA SEBAPuls - Connecting Sebapuls 8; 15 with SDI-12 Output

Default Icon
20 pages
Print Icon
To Next Page IconTo Next Page
To Next Page IconTo Next Page
To Previous Page IconTo Previous Page
To Previous Page IconTo Previous Page
Loading...
Chapter 4
14
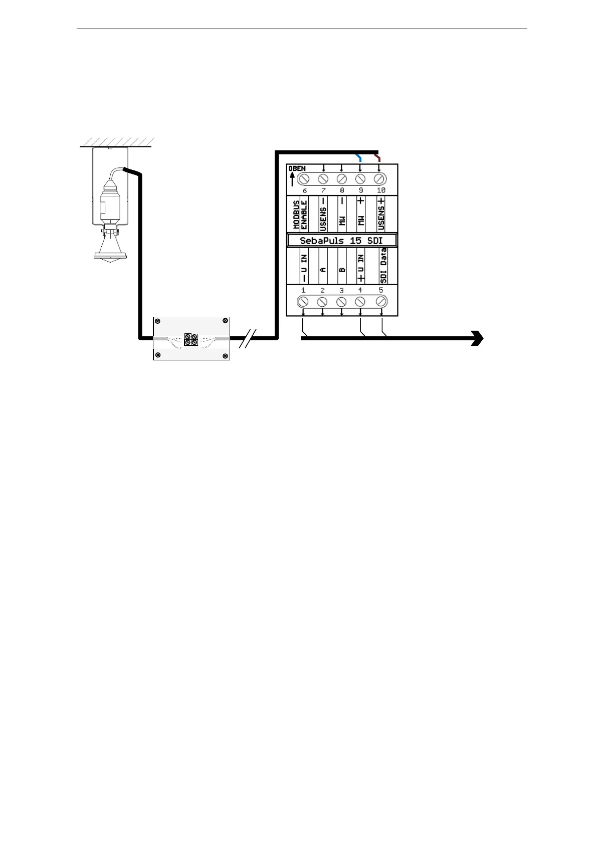
4.6.3 Connecting SEBAPuls 8 / 15 with SDI-12 output
The SEBAPuls 8 / 15 with SDI-12 output is delivered with an external SDI-12 converter, which can be
mounted to mounting rails. The connection of the converter has to be performed as follows:
Radar sensor
SDI-12
To application
Clamp 9: blue = -Sensor
Clamp 10: brown = +Sensor
SDI-12 converter
Connection box
Clamp 1: Ground
Clamp 4: +12V
Clamp 5: SDI Data