EasyManua.ls Logo

Seca 286 - 在无线组中运行测量站 (菜单; 设置无线组 (Lrn)

Seca 286
Print Icon
To Next Page IconTo Next Page
To Next Page IconTo Next Page
To Previous Page IconTo Previous Page
To Previous Page IconTo Previous Page
Loading...
无线网络 seca 360° wireless 191
中文
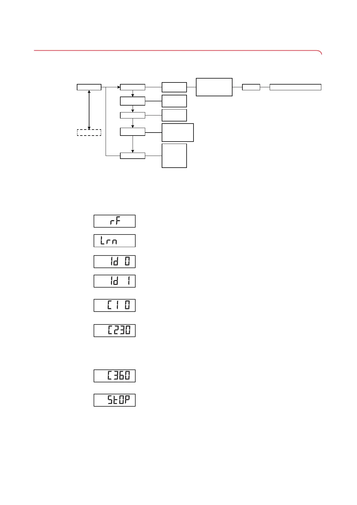
6.2 在无线组中运行测量站 (菜单)
seca 无线组中运行设备所需的全部功能,都可以在子菜单 “rF” (无线
电功能)中找到。
.
*有关在多功能显示屏菜单中导航的信息,可以在 第 181 页 上找到。
设置无线组 (Lrn) 要安装无线组,请您按下列步骤进行:
1. 启动该设备。
2. 调出菜单。
3. 在菜单中选择 “rF (无线电功能)” 项。
4. 确定您的选择。
5. 选择菜单项 “Lrn” (Learn (记忆)
6. 确定您的选择。
当前已安装的无线组 (此处:无线组 0“Id 0”)会在屏幕上显示出
来。
如果无线组 “0” 已经存在且您想再添加另一无线组的话,请按箭头键
选择另一个无线组的 ID (此处:无线组 1“Id 1”)
7. 确定您选择的无线组。
该设备将推荐通道 1 的通道数值 (此处:C1 “0”)。
您可以采用建议的频道数值,或者按下箭头键设置另一个数值。
8. 确定您对通道 1 的选择。
该设备推荐一个通道 2 的通道数值 (此处:C230)。
您可以采用建议的频道数值,或者按下箭头键设置另一个数值。
提示:
两位数的通道数值前无空格。屏幕上的 “C230” 意味着:通道
“2”,通道数值为 “30”。
9. 确定您对通道 2 的选择。
该设备将推荐通道 3 的通道数值 (此处:C360)。
您可以采用建议的频道数值,或者按下箭头键设置另一个数值。
10.确定您对通道 3 的选择。
显示屏上出现 StOP (停止)的提示语。
该设备等待其他在作用范围内带有无线功能的设备发出的信号。
提示:
有一些设备当它们置于无线组时,需遵循特殊的打开程序。请注意
不同设备上的使用说明。
11.打开您想置于无线组的设备,比如说无线打印机。
当这个无线打印机被识别后,会听到 的声音。
rF
ⱦ䕅㮻ᤥ䞃
..........
*
Learn
制♌
Autosend
䡰᤮ᩗ嚇
System
䎁䕥
Autoprint
䡰᤮⣙᧶
Time
ⱼ屺
Group (ID)
䕊,'
x On
▆
x Off
៹
x On
▆
x Off
៹
x HI
唱慞
x MA
ᗙ塓
x HI_MA
唱慞Bᗙ塓
x Off
៹
x Year
⓺
x Month
ⶎ
x Day
Ⱬ
x Hour
ⱼ
x Minute
ᢌ
x Channel 1 (C1)
嚠囙
x Channel 2 (C2)
嚠囙
x Channel 3 (C3)
嚠囙
Stop
ᛢ㇨
Reg. Devices (mo)
⑸㍮᠒剄ᾍ웉ェ󰵾웊

Table of Contents

Other manuals for Seca 286

Related product manuals