EasyManua.ls Logo

seemix seeport 2 - Page 23

Default Icon
38 pages
Print Icon
To Next Page IconTo Next Page
To Next Page IconTo Next Page
To Previous Page IconTo Previous Page
To Previous Page IconTo Previous Page
Loading...
23
Seeport
2
User Manual
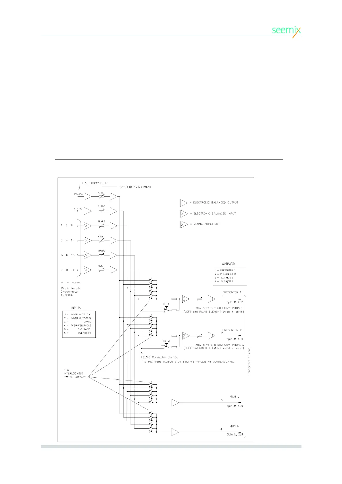
Module Information
The M3808 is designed for feeding presenters in the field with a mix of several monitoring sour-
ces. The module can feed 2 presenters simultaneously with independent mixes from 6 sources.
Two of these are the A and B outputs from the mixer, the four others are external sources which
are connected to the module via a 15-pin D-sub connector. Talkback from the mixer can also be
sent to each presenter.
The module is designed primarily for mono monitoring. Each presenter output is terminated as a
mono balanced pair on an XLR connector, allowing headphones to be driven over long cable
lengths. Left and right monitoring outputs are also available on XLR connectors for monitoring by
the engineer. Typically, these outputs might be fed to the EXT monitor inputs on the M3810 moni-
tor module. Input levels for each source can be adjusted with +/- 15dB (common setting for both
presenters). Each presenter output has an individual main level control. The module occupies the
place of two normal input modules in the mixer.
3. MODULES
M3808 MODULE AUDIO BLOCK DIAGRAM