EasyManua.ls Logo

Sennheiser HMEC 26 - Page 48

Sennheiser HMEC 26
118 pages
Print Icon
To Next Page IconTo Next Page
To Next Page IconTo Next Page
To Previous Page IconTo Previous Page
To Previous Page IconTo Previous Page
Loading...
SENNHEISER ELECTRONIC GMBH & CO. KG
COMPONENT MAINTENANCE MANUAL
HMEC 26-SERIES
Page 2012
Feb 10/10
23-41-48
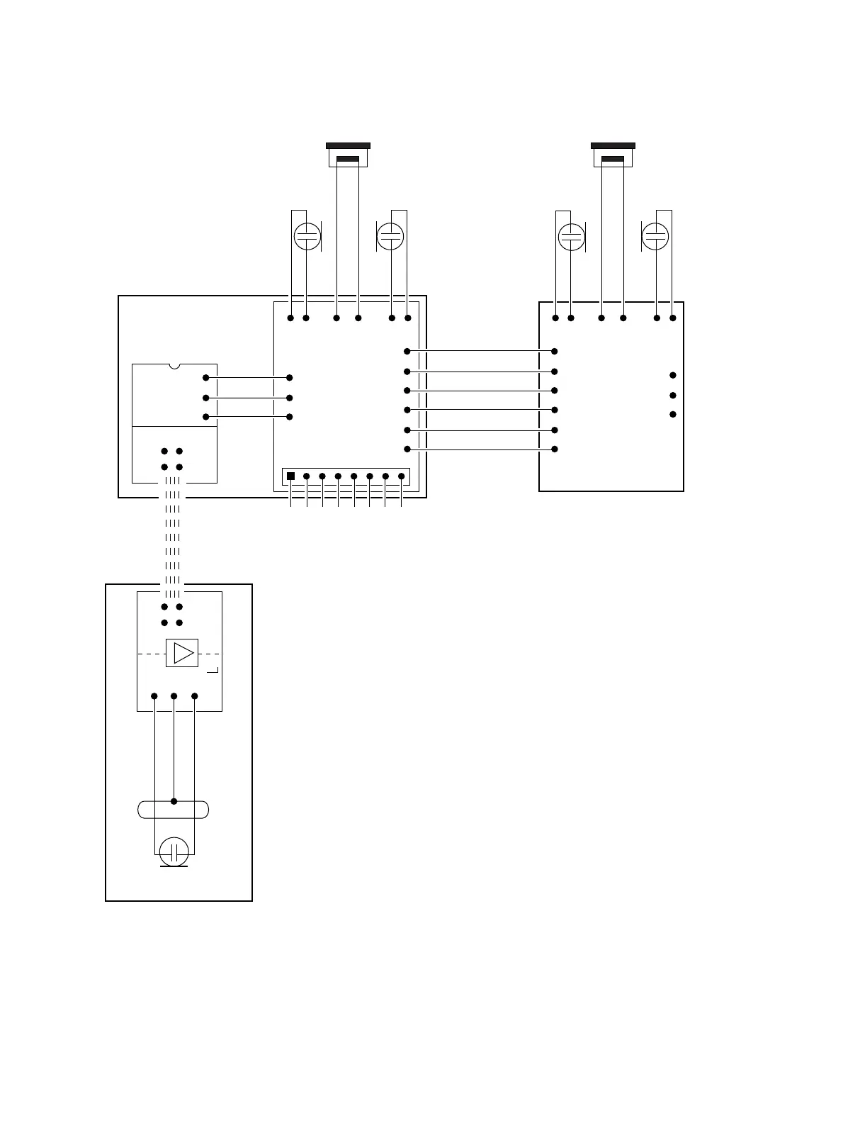
Microphone
PCB microphone amplifier
Microphone arm
with microphone
BKE 46
bl (Mic Lo)
scr (GND)
rd (Mic Hi)
Contacts
rear side
Contact PCB to the
microphone arm
rd (Mic Hi)
scr (GND)
bl (Mic Lo)
bk (GND)
yl (Prog R)
rd (Supply)
scr (GND) with insulation
bl (Audio R)
HMEC 26: gr (no signal)
HMEC 26-T: gr
(TalkThrough-Mute)
Headphone capsule,
microphone side
PCB
microphone side
System connector socket
Audio L+
Audio R+
Prog*
NoiseGard supply
Prog*
Mic+
Mic-
Screen / Audio- / DC-
* Factory-made programming line,
do not connect !
Headband
NoiseGard
microphone
TalkThrough
microphone
(HMEC 26-T only)
Headphone capsule,
non microphone side
TalkThrough
microphone
(HMEC 26-T only)
PCB
non microphone side
NoiseGard
microphone
Figure 2012
HMEC 26 / HMEC 26-T headset: Block diagram
Oct 30/08

Related product manuals