EasyManua.ls Logo

Sens MicroGenius S2 - Modbus Communications Setup

Default Icon
70 pages
Print Icon
To Next Page IconTo Next Page
To Next Page IconTo Next Page
To Previous Page IconTo Previous Page
To Previous Page IconTo Previous Page
Loading...
SENS MicroGenius S2/S4 Technical Manual
21
termination resistors. Figure 9 shows an example of how to terminate the network. The charger is
not equipped with terminators. Termination may be provided as part of the network cabling or
120-ohm termination plugs for the RJ-45 communications connector on the charger are available
to order separately (SENS p/n 803707).
Figure 9 – J1939 Termination
6.8. Modbus Communications Setup
Every charger includes Modbus communications over RS-485 using RTU or ASCII mode. Modbus over
TCP/IP is optional. Modbus is an application layer messaging protocol used for client/server
communication and is implemented according to specifications provided by Modbus Organization
(http://www.modbus.org/specs.php). See section 11
for further information on Modbus operation and
configuration.
6.8.1. Modbus RS-485
Connect RS-485 Modbus communications using a twisted pair cable at the RJ-45 connector on the
alarm/communications circuit board located on the inside front cover (see Figures 1-3 for location
in charger and Figure 7 for detail). Two RJ-45 ports are provided. The ports are in parallel and
either port may be used. See Table 10 for connector pinout. Communications are non-isolated
and referenced to negative battery terminal. An adapter from RJ-45 to an 8-position terminal
block may be connected to the RJ-45 connector and is available to order separately (SENS p/n
208026). Modbus communications settings may be configured using the keypad or SENS Setup
Utility prior to initiating.
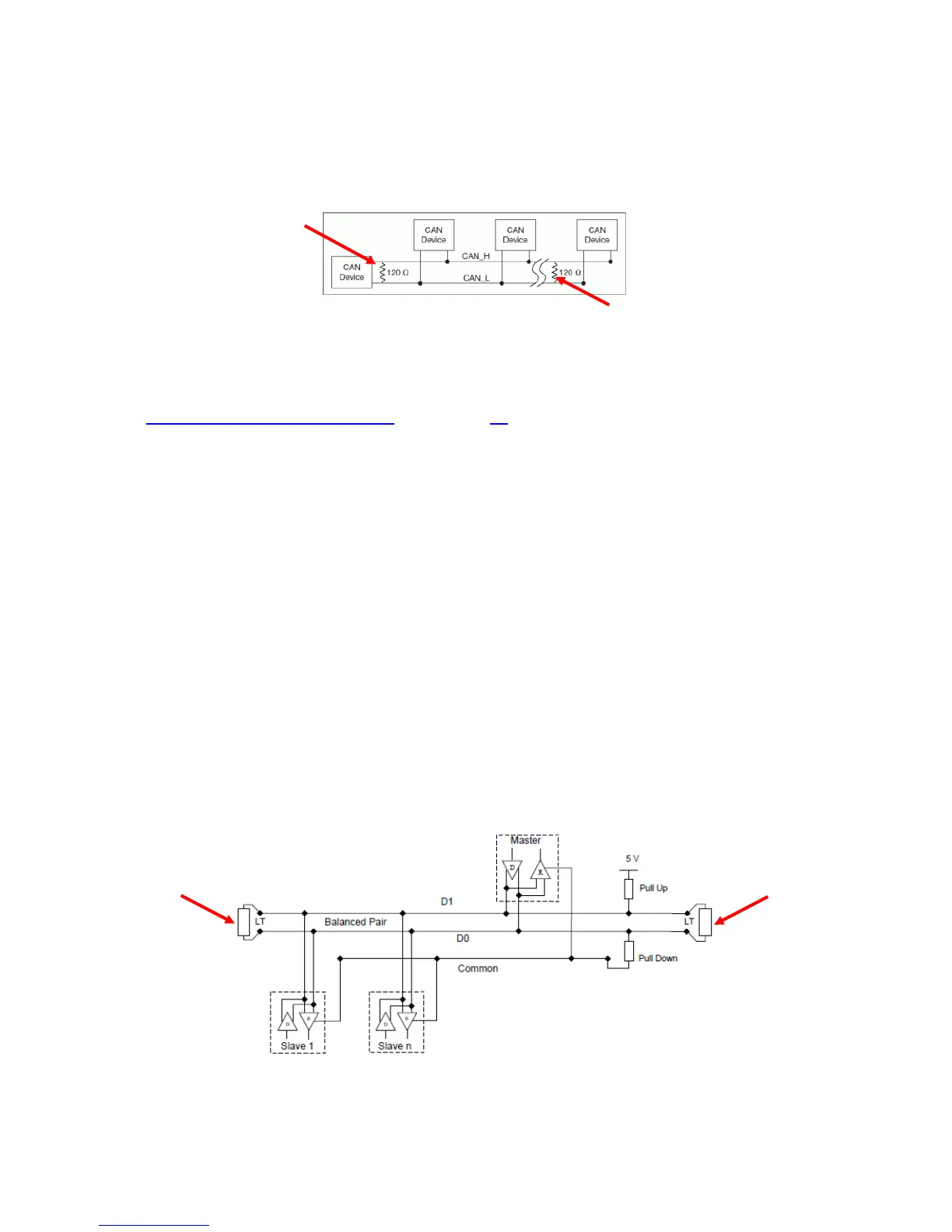
6.8.1.1. Termination
For proper Modbus RS-485 operation, a 120-ohm terminator is required at the ends of the RS-485
bus. If multiple devices are on the bus, only the devices on the ends of the network bus need
termination resistors. Figure 10 shows an example of how to terminate the network. The charger
is not equipped with terminators. Termination may be provided as part of the network cabling or
120-ohm termination plugs for the RJ-45 communications connector on the charger are available
to order separately (SENS 803707).
Figure 10Modbus Termination
LT = Line Termination 120-ohm resistor

Related product manuals