EasyManua.ls Logo

Sensitron MULTISCAN++S1 - Page 15

Sensitron MULTISCAN++S1
86 pages
Print Icon
To Next Page IconTo Next Page
To Next Page IconTo Next Page
To Previous Page IconTo Previous Page
To Previous Page IconTo Previous Page
Loading...
MT3401E.doc rev.0 21/05/13 Pagina 15 di 86
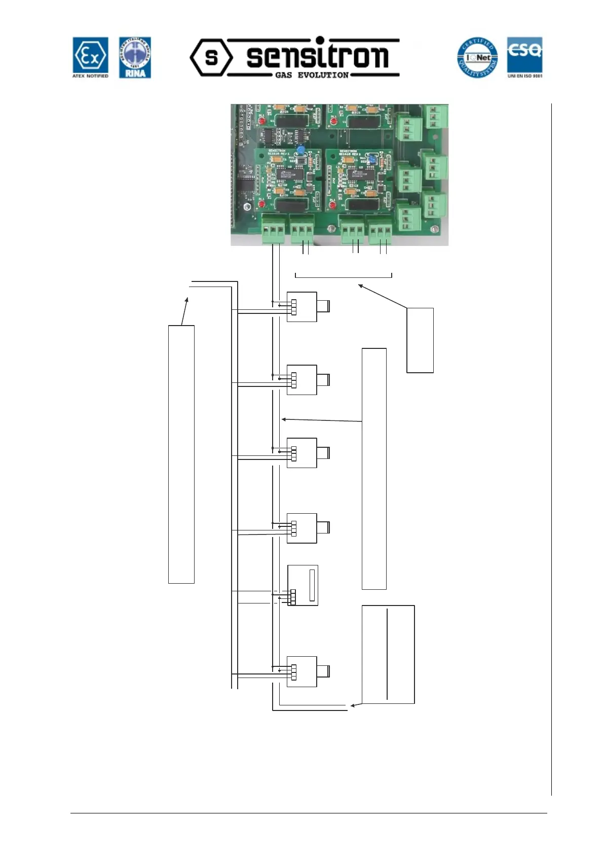
Scheda centrale / panel main board
+ -
AB
+ -
AB
+ -
AB
+ -
AB
+ -
A B
+
-
+
-
+
-
+
-
+
-
+
-
+
-
A
B
Dalla centrale o dallalimentatore ausiliario remoto
From the control panel or from the remote auxiliary power supply
Cavo twistato / schermato 2x022 (Belden 9841 o equivalente)
Twisted / shielded 2x0,2 cable (Belden 9841 or equivalent)
Loop1
Loop2
Loop3
Loop4
Al rilevatore o modulo
successivo
To the next detector
or module
Come Loop 1
As Loop 1
Fig. 2.2.1 c) RS485 bus devices connection (Open bus)