EasyManua.ls Logo

Sensitron MULTISCAN++S1 - Page 16

Sensitron MULTISCAN++S1
86 pages
Print Icon
To Next Page IconTo Next Page
To Next Page IconTo Next Page
To Previous Page IconTo Previous Page
To Previous Page IconTo Previous Page
Loading...
MT3401E.doc rev.0 21/05/13 Pagina 16 di 86
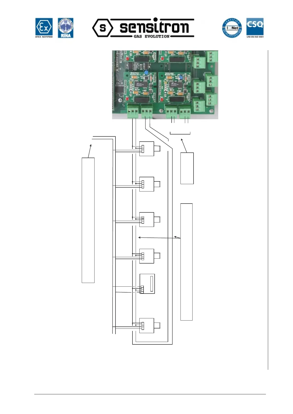
Scheda centrale / panel main board
+ -
AB
+ -
AB
+ -
AB
+ -
AB
+ -
A B
+
-
+
-
+
-
+
-
+
-
+
-
+
-
Dalla centrale o dallalimentatore ausiliario remoto
From the control panel or from the remote auxiliary power s
upply
Cavo twistato / schermato 2x022 (Belden 9841 o equivalente)
Twisted / shielded 2x0,2 cable (Belden 9841 or equivalent)
Bus1
Bus3
Bus4
Come Bus 1-2
As Bus 1-2
B
B
A
A
Bus2
Fig. 2.2.1 d) RS485 bus devices connection (Closed bus)