EasyManua.ls Logo

Sharp AL-1020 - Mirror Motor Circuit

Sharp AL-1020
30 pages
Print Icon
To Previous Page IconTo Previous Page
To Previous Page IconTo Previous Page
Loading...
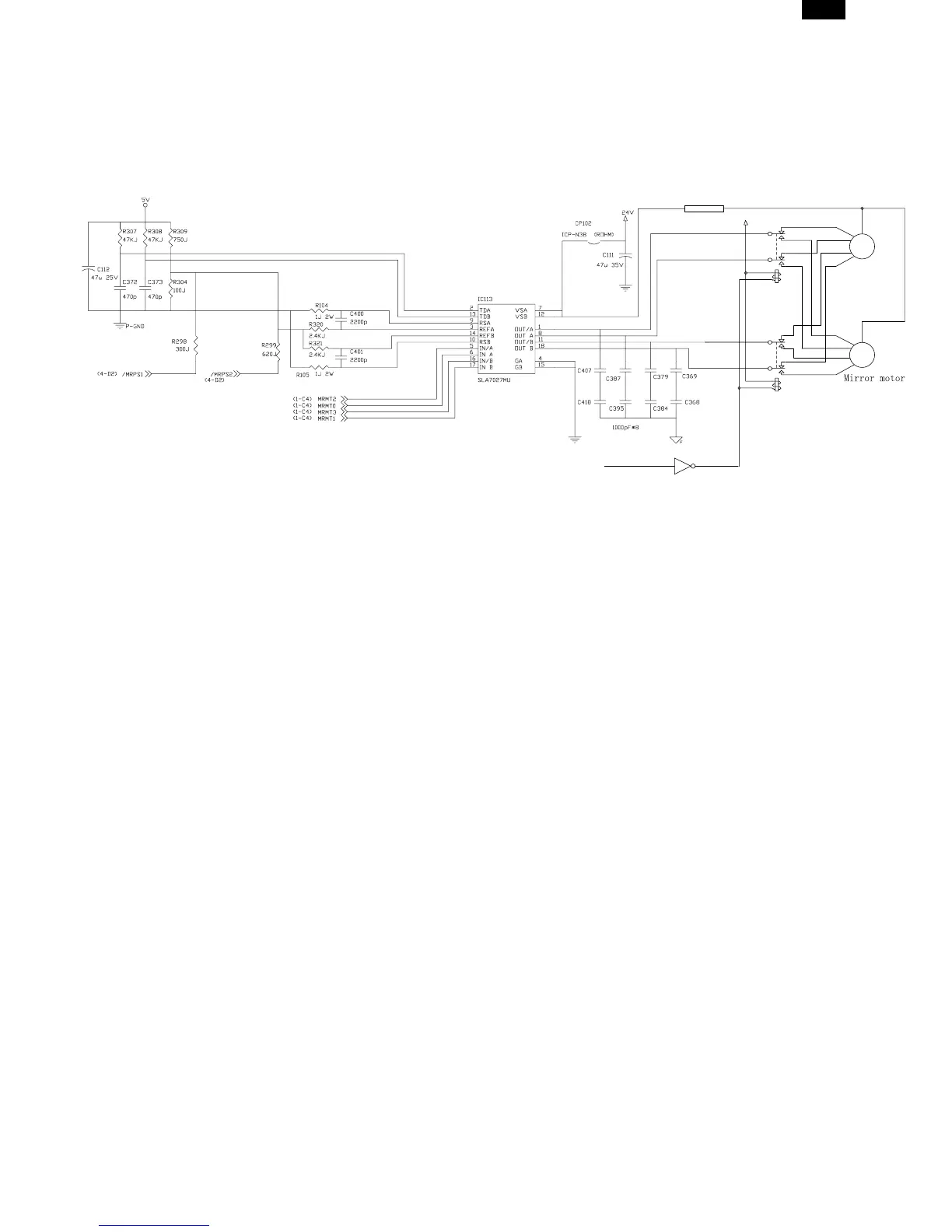
(4) Mirror motor circuit
The mirror motor is a stepping motor. Its driver is IC113 constant-current chopper control IC (SLA7024). For control, the CPU
outputs a drive signal to IC113 to drive the mirror motor by 1-2 phase excitement.
The SPF motor and the mirror motor are switched with relays RY1 and RY2. The switching signal is SMSEL-. When SMSEL-
is LOW, a current flows through the SPF motor. When it is HIGH, a current flows through the mirror motor.
M
24V
24V-mir
RY102 G5V-2(OMRON)
RY101 G5V-2(OMRON)
M
ULN2003
/SMSEL
SPF motor
AL-1250
9-4

Related product manuals