EasyManua.ls Logo

Sharp AR-151 - Page 147

Sharp AR-151
170 pages
Print Icon
To Next Page IconTo Next Page
To Next Page IconTo Next Page
To Previous Page IconTo Previous Page
To Previous Page IconTo Previous Page
Loading...
11
22
33
44
E
E
D
D
C
C
B
B
A
A
DMT3
TMON
24Vdup
/DMT2
/DMT3
/DMT1
/DMT0
DMT2
DMT0
DMT1
/BIASH
/TC
/GRIDL
BIASH
TC
GRIDL
/SGSSGS
/SPFS
SPFS
/SRRCSRRC
(OP-DATA)
(OP-CLK)
OP-DATA
OP-CLK
TM- TMa-O
TMb-O
TM
VFMOUT
BIAS
SPUS
CL
VFM
MPFS
BIASL
CPFS1
VFMCNT
MC
CPFS2
SMSEL
/LDEN
/PMD
/MRPS2
/MRPS1
/MM
/PR
HLOUT
/RRS
/SPUS
/SMSEL
/MC
/BIASL
/BIAS
/CL
/VFMCNT
/MPFS
/CPFS2
/CPFS1
FTH
HL
LDEN
PMD
MRPS2
MRPS1
MM
PR
RRS
5V
5V
5V
24V
24V
5V
24V
5V
24V
24V
2.2KJ
R225
TD62064F/AF
IC11
2.2KJ
R226
2.2KJ
R230
2.2KJ
R227
74VHC08
IC111B
2SA1036K
Q103
2SA1036K
Q102
2SD1853
Q1
TD62064AF
IC13
DTC114EKA
Q101
MTZJ22B
D23
74HC14
IC113D
74HC14
IC113B
2.2KJ
R251
2.2KJ
R250
2.2KJ
R262
2.2KJ
R261
+
0.47u 50V
C4
2200p
C115
4.7KJ1/4W
R122
1SS133
D12
1SS133
D34
1SS133
D3
+
10u 35V
C7
1.5KJ
R281
74LS07
IC108D
74LS07
IC108E
4.7KJ
R104
47KJ
R103
22000p
C128
TA7291S
IC1
47KJ
R133
47KJ
R126
4.7KJ1/4W
R135
47KJ
R134
TD62003
IC2
TD62003
IC3
120J1/4W
R192
DTA143XKA
Q104
TD62503F
IC8
GND
GND
13
NC
15
NC
8
COM
1
COM
16
O4
9
O3
7
O2
2
O1
12
NC
10
NC
5
NC
4
NC
14
I4
11
I3
6
I2
3
I1
6
5
4
C1E1
B1
C1 E1
B1
2 1
3
GND
GND
13
NC
15
NC
8
COM
1
COM
16
O4
9
O3
7
O2
2
O1
12
NC
10
NC
5
NC
4
NC
14
I4
11
I3
6
I2
3
I1
3
2
1
89
43
89
1011
6
VCC1
8
VCC2
7
OUT1
3
OUT2
5
VSS
1
IN2
9
IN1
2
VDD
9
CM
10
O7
11
O6
12
O5
13
O4
14
O3
15
O2
16
O1
8
GND
7
I7
6
I6
5
I5
4
I4
3
I3
2
I2
1
I1
9
CM
10
O7
11
O6
12
O5
13
O4
14
O3
15
O2
16
O1
8
GND
7
I7
6
I6
5
I5
4
I4
3
I3
2
I2
1
I1
1
2
3
9
NC
10
O7
11
O6
12
O5
13
O4
14
O3
15
O2
16
O1
8
G
7
I7
6
I6
5
I5
4
I4
3
I3
2
I2
1
I1
/HL
/VFM
/FTH
(6-D4)
(6-D4)
(3-B1)
(3-B1)
(6-A2)
(2-D3)
(1-D2)
(5-A2)
(5-A2)
(5-A3)
(5-A3)
(5-A2)
(6-B3)
(6-A4)
(5-A2)
(6-A4)
(6-B4)
(6-B4)
(6-B4)
(6-A4)
(6-A4)
(5-A2)
(5-A3)
(5-A2)
(5-A2)
(5-A2)
(5-A2)
(6-B3)
(6-B3)(6-B4)
(6-B3)
(7-A2)
(6-B2)
(6-C3)
(6-B2)
(7-A2)
(7-A2)
(7-A2)
(7-B1)
(7-B1)
(7-B1)
(3-E1)
(5-A3)
(5-A3)
(5-A3)
(5-A3)
(1-D3)
(5-A2)
(5-A2)
(1-D3)
(5-A2)
(5-A2)
(5-A2)
(1-C4)
(1-C4)
(1-C4)
(1-C4)
(6-A3)
(6-A3)(5-A2)
(1-C1)(5-A2)
(6-C4)
(6-C4)
(7-B1)
(1-D1)
(1-D1)
(5-A3)
P-GND
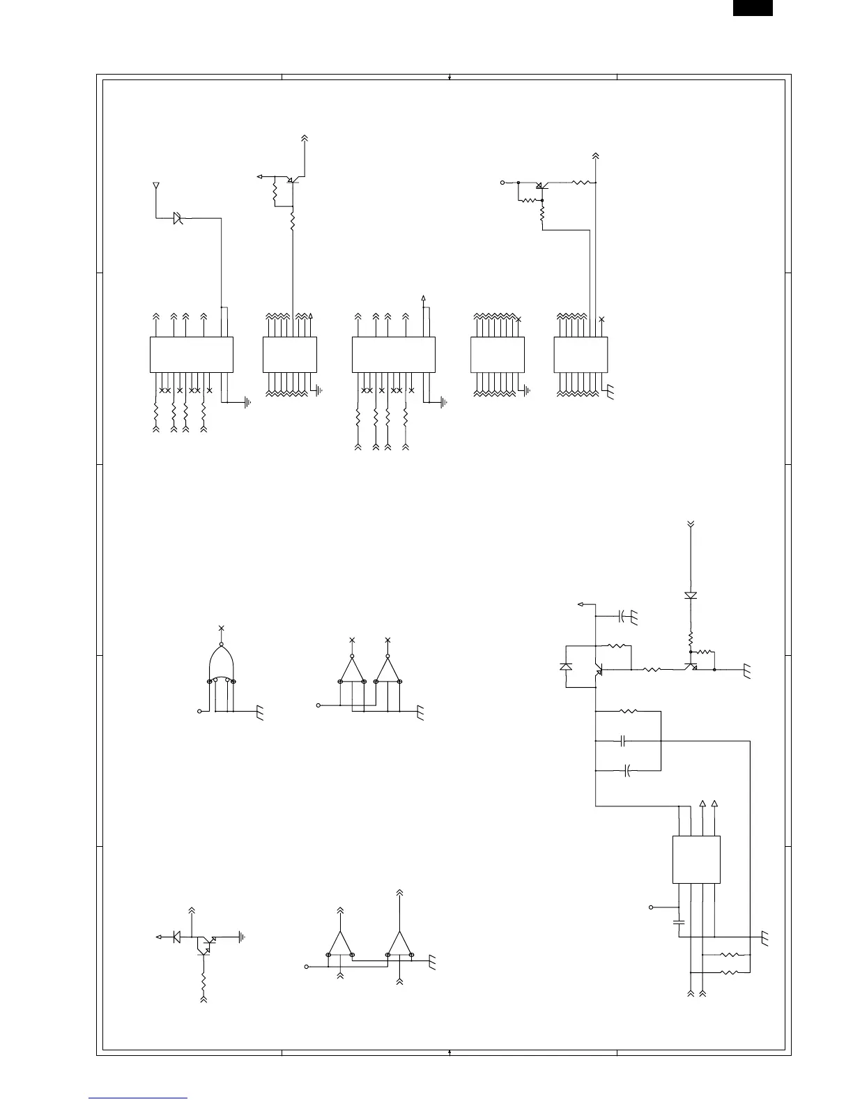
MCU 4 (OUTPUT SECTION 2)
AR-F152
13 – 4

Other manuals for Sharp AR-151

Related product manuals