EasyManua.ls Logo

Sharp AR-151 - Circuit Diagram

Sharp AR-151
170 pages
Print Icon
To Next Page IconTo Next Page
To Next Page IconTo Next Page
To Previous Page IconTo Previous Page
To Previous Page IconTo Previous Page
Loading...
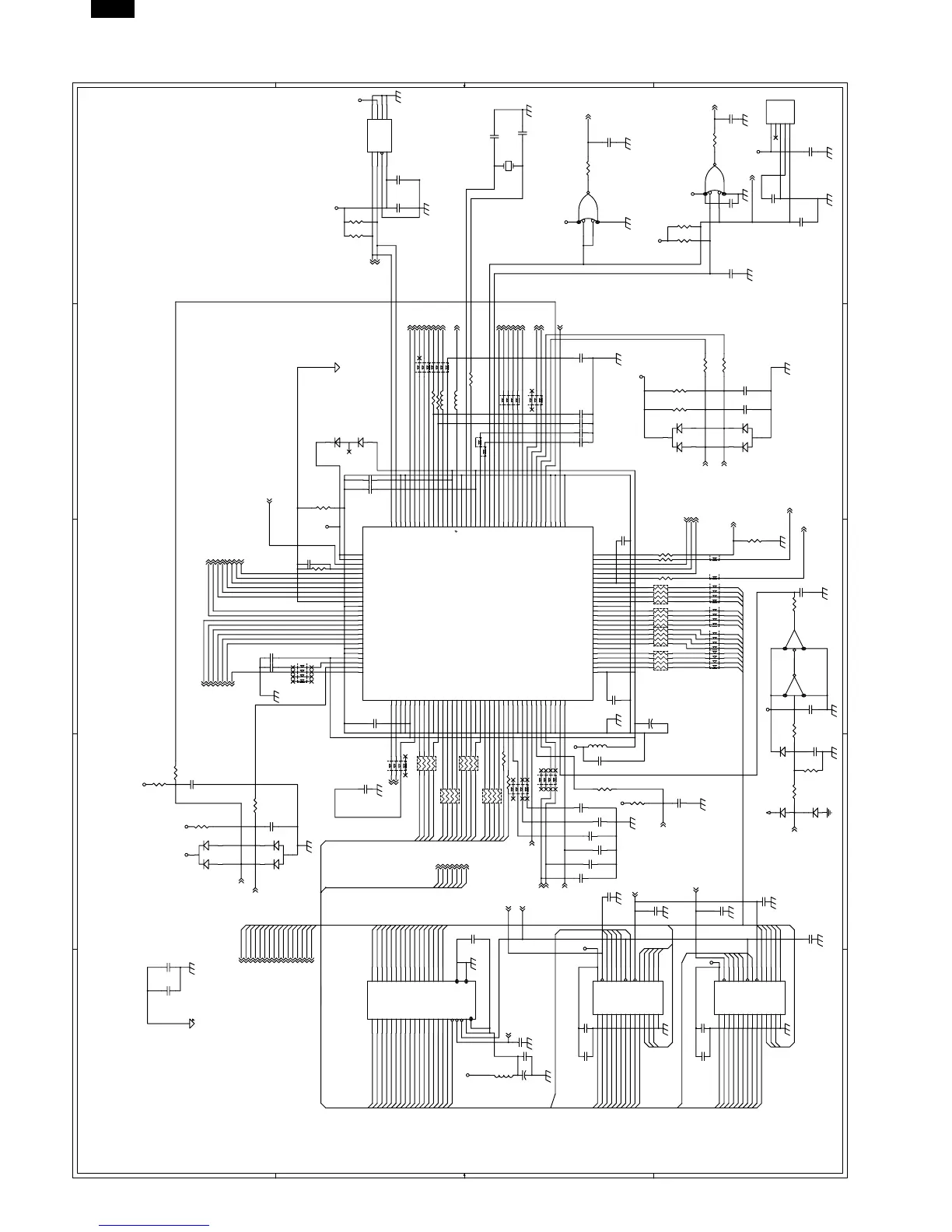
[13] CIRCUIT DIAGRAM
11
22
33
44
E
E
D
D
C
C
B
B
A
A
USB-IN
TMON
/F-RESET
/POFF
D15
(FRXD)
(/FRTS)
(/FCTS)
(FTXD)
(OP-CLK)
SIN4
/CS0
/HWR
D8
D1
D14
D13
D12
D11
D10
D9
D7
D6
D5
D4
D3
D2
D0
/CPUSYNC
(SPPD)
/CS0
PSW
(OP-DATA)
DAL
/SCANST
MRMT0
PR
(MHPS)
MRMT2
/HWR
RTH
SIN2
/TMEN
TMCLK
DMT2
DMT1
RRS
DAH
/PRSTART
HL
MRMT1
/LWR
SIN3
/ASICINT
DMT3MRMT3
/RD
DMT0
PMCLK
SCL
SIN1
/SCANSP
/CS1
/RST
/RESET
CPUCLK
/LWR
DRST
A6
A7
/CS1
A3
A4
A2
/RD
A1
A5
SELIN3
SELIN2
SELIN1
/CS2
KIN2
KIN1
FW
SDA
5V
5V
5V
5V
5V
5V
5V
5V
5V
5V
5V
24V
5V
5V
5V
5V
A5V
5V
0.1u
C242
3.3KJ
R203
100p
C399
20KJ
R303
1KJ
R139
74HC14
IC113E
1SS133
D10
0.1u
C409
0.1u
C410
10u 16V
C9
0.1u
C181
SBO-02SAN
L20
33KJ
R125
9.1KJ
R129
0.1u
C394
0.1u
C393
0.1u
C233
0.1u
C232
DA204K
D106
20KJ
R213
47p
C171
W24257AJ-12
IC5
47p
C255
0.82u
C10
1000p
C139
M24C02WBN6
IC16
47p
C254
100p
C279
W24257AJ-12
IC7
100p
C234
0.1u
C231
47p
C199
0.1u
C225
20KJBR21
47p
C198
H8S/2350
H8S/2350
IC9
100p
C227
47p
C389
47J
R300
74VHC08
IC111A
330J
R223
20KJBR40
47JBR36
DAN202U
D29
MX27C4096
IC6
47p
C178
SBO-02SAN
L4
0.1u
C183
10KJ
R271
1KJ
R247
1KJ
R137
20KJR201
7.5KJ
R249
0.1u
C372
74HC14
IC113F
20KJR208
47J
R207
47J
R215
20KJ
R214
47p
C172
4.7KJ
R239
1000p
C173
20KJBR41
20KJBR43
20KJBR42
20KJ
BR27
47J
R186
100p
C205
47p
C200
47J
BR24
47J
BR23
47J
BR25
20KJ
BR28
20KJ
BR22
20KJ
R200
DAP202U
D28
1000p
C283
1KJ
R240
100p
C314
100p
C256
20KJ
BR47
20KJ
BR52
47JR218
47JR217
20KJ
BR49
20KJ
BR48
47JBR38
100p
C208
100p
C207
100p
C206
47J
R202
1KJ
R282
47p
C371
47p
C211
47p
C210
47p
C209
47J
R187
NFM839
NF1
NFM839
NF2
1SS133
D5
1SS133
D6
18p
C103
47p
C102
10KJ
R272
DAP202U
D27
10KJ
R228
10KJ
R232
DAN202U
D26
47JBR37
47JBR39
47J
BR26
47J
R260
47p
C315
1000P
C201
0.1u
C224
0.1u
C329
10KJ
R258
74VHC08
IC111D
22000p
C177
10KJ
R257
22000p
C170
M51953
IC4
22u 16V
C11
68J
R206
1000p
C265
1000p
C269
1KJ
R229
1KJ
R224
1000p
C296
22000p
C356
0.1u
C357
AT-51 19.6608MHz
X1
18p
C268
18p
C267
1011
21
15
I/O4
16
I/O5
17
I/O6
18
I/O7
19
I/O8
20
/CE
21
A10
22
/OE
23
A11
25
A8
24
A9
26
A13
27
/WE
28
VDD
14
GND
13
I/O3
12
I/O2
11
I/O1
10
A0
9
A1
8
A2
7
A3
6
A4
5
A5
4
A6
3
A7
2
A12
1
A14
2
A1
4
VSS
3
A2
8
VCC
1
A0
7
/WC
6
SCL
5
SDA
15
I/O4
16
I/O5
17
I/O6
18
I/O7
19
I/O8
20
/CE
21
A10
22
/OE
23
A11
25
A8
24
A9
26
A13
27
/WE
28
VDD
14
GND
13
I/O3
12
I/O2
11
I/O1
10
A0
9
A1
8
A2
7
A3
6
A4
5
A5
4
A6
3
A7
2
A12
1
A14
38
P64/IRQ0-
37
P65/IRQ1-
36
Vss
35
Vss
34
P66/CS6-/IRQ2-
33
P67/CS7-/IRQ3-
32
PA7/A23/IRQ7-
31
PA6/A22/IRQ6-
30
PA5/A21/IRQ5-
29
PA4/A20/IRQ4-
28
Vss
27
PA3/A19
26
PA2/A18
64
P35/SCK1
25
PA1/A17
63
P34/SCK0
24
PA0/A16
62
P33/RxD1
23
PB7/A15
61
P32/RxD0
22
PB6/A14
60
P31/TxD1
21
PB5/A13
59
P30/TxD0
20
PB4/A12
58
Vcc
19
Vss
57
PD7/D15
18
PB3/A11
56
PD6/D14
17
PB2/A10
55
PD5/D13
16
PB1/A9
54
PD4/D12
15
PB0/A8
53
Vss
14
PC7/A7
52
PD3/D11
13
PC6/A6
51
PD2/D10
12
PC5/A5
50
PD1/D9
11
PC4/A4
49
PD0/D8
10
Vss
48
PE7/D7
9
PC3/A3
47
PE6/D6
8
PC2/A2
46
PE5/D5
7
PC1/A1
45
PE4/D4
6
PC0/A0
44
Vss
5
Vcc
43
PE3/D3
4
Vss
42
PE2/D2
3
Vss
41
PE1/D1
2
PG4/CS0-
40
PE0/D0
1
PG3/CS1-
39
Vcc
102
P53/ADTRG-
101
P52
100
Vss
99
Vss
98
P51
97
P50
96
PF0/BREQ-
95
PF1/BACK-
94
PF2/LCAS-/WAIT-/BREQO-
93
PF3/LWR-
92
PF4/HWR-
91
PF5/RD-
90
PF6/AS-
89
Vcc
88
PF7/
87
Vss
86
EXTAL
85
XTAL
84
Vcc
83
STBY-
82
NMI
81
RES-
80
WDTOVF-
79
P20/PO0/TIOCA3
78
P21/PO1/TIOCB3
77
P22/PO2/TIOCC3
76
P23/PO3/TIOCD3
75
P24/PO4/TIOCA4
74
P25/PO5/TIOCB4
73
P26/PO6/TIOCA5
72
P27/PO7/TIOCB5
71
P63/TEND1-
70
P62/DREQ1-
69
P61/TEND0-/CS5-
68
Vss
67
Vss
66
P60/DREQ0-/CS4-
65
Vss
128
PG2/CS2-
127
PG1/CS3-
126
PG0/CAS-
125
MD2
124
MD1
123
MD0
122
P10/PO8/TIOCA0/DACK0-
121
P11/PO9/TIOCB0/DACK1-
120
P12/PO10/TIOCC0/TCLKA
119
P13/PO11/TIOCD0/TCLKB
118
P14/PO12/TIOCA1
117
P15/PO13/TIOCB1/TCLKC
116
P16/PO14/TIOCA2
115
P17/PO15/TIOCB2/TCLKD
114
Vss
113
AVss
112
P47/AN7/DA1
111
P46/AN6/DA0
110
P45/AN5
109
P44/AN4
108
P43/AN3
107
P42/AN2
106
P41/AN1
105
P40/AN0
104
Vref
103
AVcc
3
2
1
4
3
2
1
5
6
7
8
1
2
3
38
A16
3
D15
4
D14
5
D13
6
D12
7
D11
8
D10
9
D9
10
D8
12
D7
13
D6
14
D5
15
D4
16
D3
17
D2
18
D1
19
D0
1
VPP
39
A17
20
OE
2
CE
37
A15
36
A14
35
A13
34
A12
33
A11
32
A10
31
A9
29
A8
28
A7
27
A6
26
A5
25
A4
24
A3
23
A2
22
A1
21
A0
1213
4
3
2
1
5
6
7
8
4
3
2
1
5
6
7
8
4
3
2
1
5
6
7
8
1
2
3
4
3
2
1
5
6
7
8
1
2
3
1
2
3
4
3
2
1
5
6
7
8
4
3
2
1
5
6
7
8
4
3
2
1
5
6
7
8
11
13
12
5
OUT
4
CD
3
GND
2
NC
1
VCC
A18
D12
D12
D13
D14
D13
D13
D13
D12
D15
D15
D15
D14
D14
D14
D12
D15
A12
D4
D8
D1
A13
A17
D7
A14
A11
A15
D6
D9
D0
D11
D10
D11
A2
A6
D9
D11
D7
D1
A6
A15
A3
D1
A1
A13
A5
A18
D10
A1
D6
A14
A7
D10
A13
A4
D5
D4
D2
A8
D3
D10
D9
D2
A11
A3
A10
A14
A4
D7
D6
A11
D5
A10
A12
D0
D5
A9
A9
A13
A15
A8
D3
D3
A2
A6
A6
A2
A7
A3
A3
D8
D8
D6
D2
D9
A8
D7
A5
A5
A11
A14
A1
D8
D5
D4
D3
A15
D1
A16
A7
D0
A9
A4
A2
A16
A10
D4
A1
A12
A12
A7
A7
A5
A5
A17
D11
A9
A8
D2
A4
A6
A1
D0
A4
A2
A10
A3
(8-B2)
(1-B3)
(4-D4)
(1-D3)
(5-C1)
(7-D4)
(7-D4)
(5-A2)
(7-E1)
(7-D1)
(7-D2)
(7-E1)
(2-B1)
(2-E3)
(4-C1)
(5-A2)
(5-A2)
(5-A2)
(5-A2)
(5-A2)
(5-A2)
(5-A2)
(5-A2)
(5-A2)
(5-A2)
(5-A2)
(5-A2)
(5-A2)
(5-A2)
(5-A2) (6-C4)
(1-B3)
(5-C1)
(2-B4)
(5-C1)
(6-A4)
(1-D3)
(1-D3)
(5-B1)
(5-B1)
(5-B1)
(5-B1)
(5-B1)
(5-B1)
(5-B1)
(6-C4)
(6-C4)
(4-A3)
(4-A3)
(4-D2)
(6-E3)
(5-C1)
(5-B1)
(5-B1)
(5-B1,7-E4)
(5-B1)
(5-A1,7-C4)
(3-A4)
(5-A1)
(4-D3)
(1-B2,5-A2)
(1-B1)
(1-A2,5-A2)
(2-C4)
(2-C4)
(2-C4)
(4-D3)
(4-D4)
(8-C3)
(8-C3)
(1-A2)
(1-B2)
(2-D2)
(2-E4)
(2-E3)
(2-E3)
(3-B4)
(3-B3)
(4-D4)
(3-C1)
(3-C1)
(3-C1)
(3-C1)
(4-D4)
(6-C4)
AN-GND
MCU 1 (CPU SECTION)
AR-F152
13 – 1

Other manuals for Sharp AR-151

Related product manuals