EasyManua.ls Logo

Sharp CD-DVD500 - Block Diagrams Overview; RF, Servo, Motor, and Buffer Blocks

Sharp CD-DVD500
100 pages
Print Icon
To Next Page IconTo Next Page
To Next Page IconTo Next Page
To Previous Page IconTo Previous Page
To Previous Page IconTo Previous Page
Loading...
CD-DVD500
– 22 –
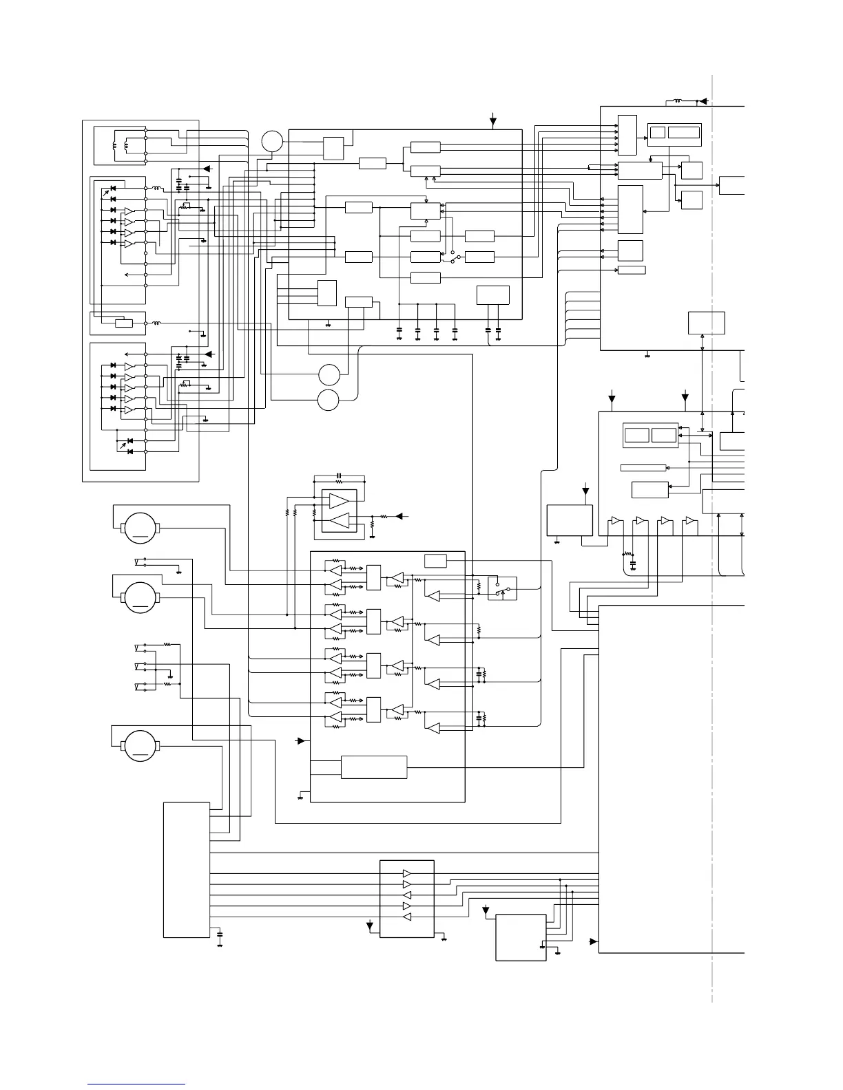
Figure 22 BLOCK DIAGRAM (1/4)
+B10
+B10
+B10
+B10
+B10
+B10
+B8
+B10
+B9
+B9
+B9
Q3302
Q3301
Q3303
FLGA
/DFTN
SCD
SCL
SCB
VRCK
FLGA
VRCK
SPV
FDD
SPDRV
SLDRV
DPDC
TEB
EOB
EOF
RFON
RFOP
RPZI
RFRP
LVL
TEI
FEI
156
159
158
TRD
TRD
FOD
SPDRV
SLDRV
41
/SVAL_O
SOSO_O
TR+
TR-
FO+
FO-
TR+
TR–
FO–
FO+
SW2
OPEN/CLOSE
SW2
CAM
SW3
DISC NOMBR
M3
T/T UP DOWN
LOADING
MOTOR
SW4
PICKUP IN
M2
SLED
MOTOR
M1
SPINDLE
MOTOR
M
M
M
30
29
28
27
26
25
24
23
22
21
19
18
20
17
16
15
14
13
12
11
10
9
8
7
6
5
PD
LD
+
+
+
+
+
VE
VA
VB
VC
VF
Vref
Vcc
GND
HOLOGRAM
LASER UNIT
(CD)
GND
OSC
(DVD)
LASER UNIT
HOLOGRAM
GND
Vcc
Vref
VD
VC
VB
VA
PD
LD
+
+
+
+
4
3
2
1
ACTUATOR
IC3705
NJM2904M
OPE AMP.
+
+
6
5
7
3
2
1
1
5
6
7
I
IX
MICR
O
TO DISPLAY
UNIT
CP3202
LD_FWD
LD_RVS
DVD_FUNC
CAM_SW
DISC1_SW
UART_RX
5
DVD_BUSY
6
DVD_DI
8
7
DVD_DO
9
DVD_CLK
3
4
D_GND
DVD_STB
IC3201
74HC07AF
BUFFER AMP.
8
1
6
3
13
C3207
56 UART_RXD
UART-RXD
14
7
9
EECS
62
2
5
4
FIP_CS
S/E_CK
S/E_DO
S/E_DI
KEY3
12
97 KEY3
2
7
4
5
6
3
IC3507
BR93L66F
EEPROM
55 SUB/EEP_DIN
53 SUB/EEP_DOUT
57 SUB/EEP_CLK
87
5
42,3
IC3503
PST9129N
RESET
IC3508
IX1761GE
TRACK BUFFER I/F
VCC
AVCC
VSS
AVSS
70,69 LD_FWD/REV
61 IN_SW
68 LD_SW
100 EJ_SW
90 MUTE
67 CHOP
73 /RESET
71 G_RESET
72-65
5VBUS
N0O-N7O
777991 7880929394
HADR0-7 HDAT
0
PD
PSYCO
RAM
(4.2KByte)
MEMORY CTL
ERROR
DETECT
ID
DETECT
45,51,64
VDD2
VDD1
1,11,26,40,62,76,86
PDC
K
/
P
73
IC
3
TC9
4
SERV
O
MD0-7
46-53
MD0-7
MICOM I/F
AVSS 149,154
PVSS 127
XVSS 9
DACVSS 3,8
VSS5 17,22,39,66
61,83,110
VSS3 105,122,171
V
D
X
V
5 DAC VDD
144,160 AVDD
138 PVDD
169 /DFCT
172 SCD
173 SCL
174 SCB
170 VRCK
37 FLGA
EXT_DA
TRO
FOO
DAC
DEMOD
U
SYNC
D
PLL
SLICE
LEVEL
GEN.
163
162
166
164
167
168
DMO
FMO
DPDC
TEBC
EQBC
ANMON
DAC IF
(PWM)
139
143
142
146
153
152
151
150
DATA
SLICER
RFON
RFDVD
RFCD
DIGITAL SERVO
SERVO
CONTROL
DEQ
ADC
RFZI
RFRP
LVL
TEI
FEI
LVL
TEO
FEO
DPDB
TEB
EQB
EQF
RFON
RFOP
RPZ
RPO
LDP1
51
18,23,31,36
VDD
8
LDO2
4
MDI2
5
LDP2
57
15
14
13
22
42
47
2
DPD2
DPD1
DPBD
DPAC
1211109
IC3301
TA1323F
RF SIGNAL PROCESSOR
55
54
53
52
VRCK
VCKF
16 17
ADJUST
CONSTANT
TIME
45
APC2
DVD_LD
BUS
ADJUST
T-GAIN
ADJUST
F-GAIN
FE-GAIN
ADJUST
TE-GAIN
ADJUST
DETECT
CREATION
CREATION
LEVEL
3BTE
FE
ADJUST
R-GAIN
APCI
CD_LD
1,28
VCC
8
GND
19,29,30
10
LDP
LDN
9
OUTL
OUTR
LOADING DRIVER
MOTOR DRIVER
BA5984FP
IC3801
+
+
+
+
+
+
OPIN4(+)
OPIN3(+)
OPIN2(+)
25
22
7
26
23
6
27
24
5
16
18
11
OPOUT4
OPOUT3
OPOUT2
OPIN4(–)
OPIN3(–)
OPIN2(–)
TRP
FOP
SPP
SHIFT
15
17
12
LEVEL
+
+
+
+
+
+
TRN
FON
SPN
+
SHIFT
LEVEL
+
SHIFT
LEVEL
+
13
SLP
OPIN1(+)
2
3
4
20
OPIN1(–)
OPOUT1
BIAS
21
MUTE
+
SLN
14
+
SHIFT
LEVEL
+
+
+
DPDTE
CREATION
EQ
CREATION
RF RIPPLE
46
Vcc
SHIFT
FWD,REV
1,39,56,62
19
20
21
35
33
43
44
29
30
25
26
SCD
SCL
SCB
DFTN
VrA
PITP
48
PITP
P2TP
3
P2TN
P1AI
P1BI
P1CI
P1DI
61
60
59
58
P2DI
P2CI
64
63
P2FN
P2FP
P2BI
P2AI
MDI1
LDOI
103
6,15,24,38,47,59,79,104
93
1,33,52,76,81
EECS
S/E_CS
+B10

Related product manuals