EasyManua.ls Logo

Sharp CD-DVD500 - Tape Mechanism, Dolby, Microcomputer, and Power Blocks

Sharp CD-DVD500
100 pages
Print Icon
To Next Page IconTo Next Page
To Next Page IconTo Next Page
To Previous Page IconTo Previous Page
To Previous Page IconTo Previous Page
Loading...
CD-DVD500
– 24 –
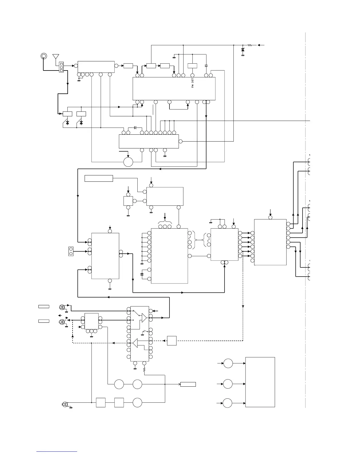
Figure 24 BLOCK DIAGRAM (3/4)
IC501
TORX178B
OPTICAL FIBER
DATA LINK
3
2
1
X501
2.2MHz
IC602
M62446FP
6-CH ELECTRONIC
VOLUME
42
36
35
34
33
32
31
15
13
12
11
9
8
6
N
BU
F
B
B
6
5
3
2
6
5
3
2
6
5
3
2
IC502
74VHC00F
INVERTOR
14
12
9
7
6
IC505
AK4527BVQ
6-CH CODE
39
37
36
32
30
28
27
26
25
24
23
16
9
4
IC504
IX0443AW
DOLBY DECODER
99
98
97
95
81
71
62
53
49
47
35
34
XI
XO
VSSX
VSSDL
VSS
VSS
VSS
CKO
VSS
VSS
VDD
VCC
GND
VDD
VDD
RX
24
22
18
14
13
21
4
FE301
FM FRONT END
8
5
4 32
1
IC303
LA1832S
FM IF DET./FM MPX./AM IF
23
21
18
17
16
15
14
13
12
9
8
7
5
4
21
IC302
LC72131
PLL(TUNER)
22
21
20
17
16
15
11
10
9
7
6
5
43
1
IC102
BA3126N
HEAD
SELECTOR
9
8
7
6
5
4
3
2
1
IC601
LC75341
AUDIO PROCESSOR
JK601
VIDEO IN
AUX
TAPE
VSS VDD
TUNER
AUX
+B4
+B4
+B5
+B5
+B5
16
10
15
14
11
9
3
23
P.B.
REC
AC BIAS
RECORD/
PLAYBACK HEAD
ERASE HEAD
TAPE 2
PLAYBACK
HEAD
TAPE 1
L-CH
R-CH
L-CH
R-CH
BIAS OSC
Q128
L104
BIAS
Q126
Q101
Q102
Q121
Q122
SWITCHING
Q124
L103
SWITCHING
MUTING
IC101
AN7345K
PLAYBACK AND RECORD/
PLAYBACK AMP.
PB
R
L
REC
REC
R
L
L NF
R NF
ALC
REC
T1/T2
T1/T2
NOR/
HIGH
REF
R REC
L REC
POP REDUCE
R NF
L NF
L(T2)
R(T2)
R(T1)
L(T1)
1
24
2
23
3
22
6
9
16
14
12
15
19
10
17
18
8
7
20
5
21
13
4
H/N
+B4
+B4
+B4
+B4
SWIN
SW_OUT
DVDD
DVSS
LIN+
RIN+
C_OUT
L_OUT
R_OUT
SL_OUT
ROUT2
ROUT3
LOUT3
LOUT2
ROUT1
LOUT1
SR_OUT
SR_IN
C_IN
R_IN
L_IN
GND_R
SL_IN
FROM CD SECTION
CNP7
AM
CNP301
FM
AM MIX
CF303
AM RF IN
AM OSC IN
AM IF
450 kHz
FM/AM
OUT
MPX IN
STEREO
FM+B
GND
AM IF
CF352
T351
10.7 MHz
FM/AM
MO/ST
VCO
CF351
R
L
X351
456kHz
FM/AM
MO/ST
VT
OSC
X352
4.5 MHz
CLK
DO
DI
CE
SWITCHING
FM
Q360
AM BAND
COVERAGE
AM TRACKING
T303
T306
6 7
VCC
+B4
L
R
L
R
L
R
L
R
TO IC181
Q102
MOTOR
DRIVER
Q102
TAPE 1
SOLENOID DRIVER
Q102
TAPE 2
SOLENOID DRIVER
+B3
+B3
+B3
TAPE
MECHANISM
ASS'Y

Related product manuals