EasyManua.ls Logo

Sharp CD-DVD500 - Page 38

Sharp CD-DVD500
100 pages
Print Icon
To Next Page IconTo Next Page
To Next Page IconTo Next Page
To Previous Page IconTo Previous Page
To Previous Page IconTo Previous Page
Loading...
CD-DVD500
– 38 –
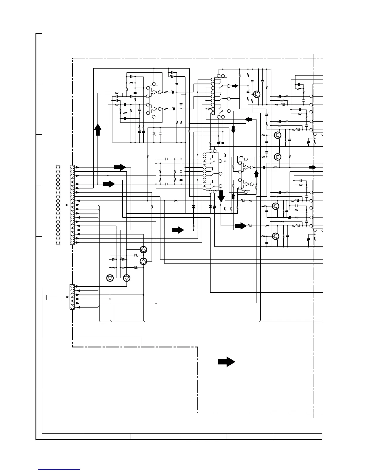
Figure 38 SCHEMATIC DIAGRAM (13/18)
A
B
C
D
E
F
G
H
1
23456
• NOTES ON SCHEMATIC DIAGRAM can be found on page 56.
0 V 0 V 0 V
0 V
0 V
0 V
0 V
0 V
0 V
0 V
0.6 V
0.6 V
0.6 V
0.6 V
0.6 V
SP_DET
SMUTE
SMUTE
H/P
FAN_CTL
M_12V
FAN_CTL
FAN_SIG
20ATT
SP_DET
SMUTE
20ATT
SMUTE
SW_RLY
2/6_SEL
SW_MUTE
A_GND
S.W.
A_+10V
M_12V
F_RLY
SP_DET
+5V
M_GND
A_–13V
GND
FL-CH
FR-CH
15
14
1
5
3
2
1
9
10
11
12
13
14
15
16
17
18
19
8
7
6
5
4
3
2
1
1
6
5
4
3
2
+
+
+
+
15
14
1
5
3
2
1
33
22
11
1
1
2
2
3
3
16
15
14
13
12
11
10
9
8
7
6
5
4
3
2
1
16
15
14
13
12
11
10
9
8
7
6
5
4
3
2
1
8
7
6
5
4
3
2
1
8
7
6
5
4
3
2
1
CNS406
FROM
AMP. B PWB
P35 10-H
+B
+B
+B
+B
+B
IC905
TC4053BP
IC906
TC4053BP
C903
0.022
R905
4.7K
R901
18K
R902
18K
R906
4.7K
R904
18K
C906
0.022
C907
100P
R907
8.2K
R908
8.2K
C908
100P
R910
1.5K
R909
1.5K
C967
0.022
C966
47/50
C910
10/16
C909
10/16
IC904
KIA4558P
OPE AMP.
R916
1K
R919
68K
R920
68K
C916
0.1(ML)
C914
2.2/50
R913
1K
C969
47/25
C968
0.022
(ML)
C915
0.1(ML)
R1003
390
C912
0.015(ML)
R1000
330
R912
100K
R911
100K
C911
0.015(ML)
R1002
1.2K
R1001
100
DZ901
DZ5.1BSB
R1004
56K
DZ902
DZ5.1BSB
R918
68K
R917
68K
C917
220P
(CH)
C918
220P
(CH)
R1006
100
C972
2.2/50
C973
0.022
R1042
100K
R1055
10K
R1008
1K
R1007
1K
R1010
10K
R922
8.2K
C1012
2.2/50
R1056
5.6K
R1041
100K
R1009
10K
C971
2.2/50
IC907
KIA4558P
OPE AMP.
R1011
2.2K
C1014
10/50
R1012
1K
R940
820
C930
47/50
R934
2.2K
C924
0.001
C1013
2.2/50
R921
8.2K
R935
2.2K
C925
0.001
Q907
2SC2878 B
R1053 220K
C1009
470P
C977
0.22/50
R1014
22K
C997
2.2/50
R1049
56K
R1048
56K
R951
1K
C937
220P
R939
1K
C929
47/50
R943
56K
C931
15P
R950
56K
R944
1K
C998
2.2/50
R1052
220K
S
R1013
22K
C976
0.22/50
C999
2.2/50
R948
1K
R938
820
C928
47/50
R1046
56K
R1050
220K
Q917
2SC2878 B
R1054
220K
C974
0.001
C926
0.001
R936
2.2K
R928
8.2K
C1010
2.2/50
S
P
C936
220P
R946 56K
C932 15P
R949
1K
C1001
2.2/50
R937
820
C927
47/50
R1047
56K
C935
220P
R947
56K
R941
1K
C933
15P
R1051
220K
C1007
470P
Q905
2SC2878 B
R933
2.2K
R927
8.2K
C1011
2.2/50
C923
0.001
R1043
100K
R1044
100K
R1005
1K
C1008
470P
Q916
KRA107 M
C965
3.3/25
C964
1/50
C1015
3.3/25
Q914
KRA107 M
Q913
KRA107 M
C963
1/50
R997
22K
R998
22K
CNP902
CNP901
R903
18K
C905
0.082
(ML)
C904
0.082(ML)
C902
0.15
C901
0.15
Q915
KRC107 M
C913
2.2/50
Q908
2SC2878 B
Q906
2SC2878 B
R945
820
C934
15P
C1006
470P
C938
220P
R952
1K
R942
1K
IC905,906
TC4053BP
TRIPLE 2-CH
MULTIPEXER
AMP. A PWB-D2
FM SIGNAL
11
10
9
8
7
6
5
4
3
2
1
12
13
14
15
16
17
18
19
FROM
MAIN PWB
P31 12-D
CNS604

Related product manuals