EasyManua.ls Logo

Sharp CD-ES900 - Page 21

Sharp CD-ES900
96 pages
Print Icon
To Next Page IconTo Next Page
To Next Page IconTo Next Page
To Previous Page IconTo Previous Page
To Previous Page IconTo Previous Page
Loading...
CD-ES900/CD-ES99
2 – 16
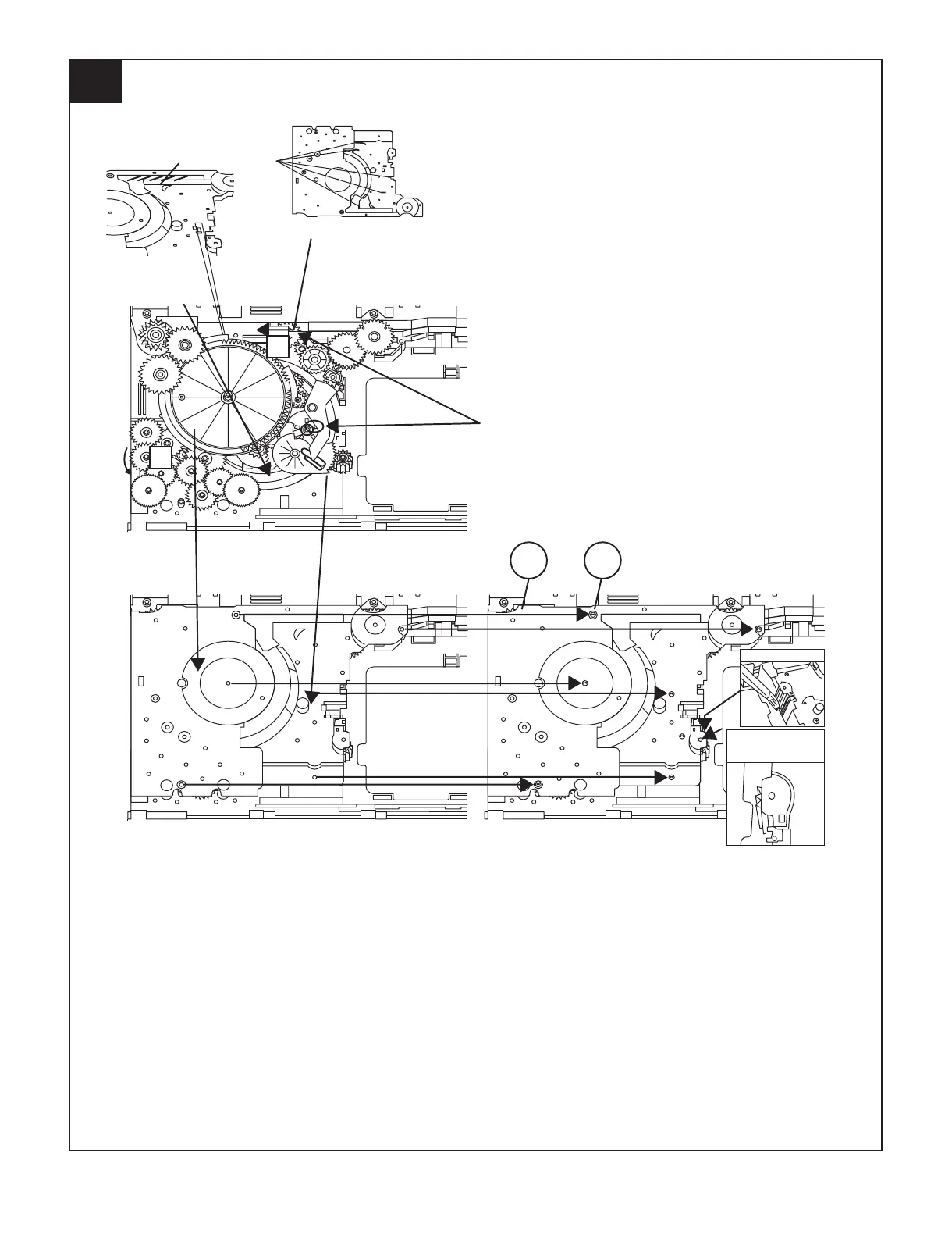
APPLY GREASE BEFORE FIX
MOVE UNTIL TOUCH
DURING GEAR A ROTATE
MUST PRESS SHOWN AREA
AND LEVER B WILL MOVE
ARROW DIRECTION THEN
FIX ITEM 1 .
A
B
APPLY GREASE
CONFIRM WHETHER
FIXED
PROPELY OR NOT
108 803 x6
14

Related product manuals