EasyManua.ls Logo

Sharp CD-ES900 - Schematic Diagram

Sharp CD-ES900
96 pages
Print Icon
To Next Page IconTo Next Page
To Next Page IconTo Next Page
To Previous Page IconTo Previous Page
To Previous Page IconTo Previous Page
Loading...
CD-ES900/CD-ES99
6 – 8
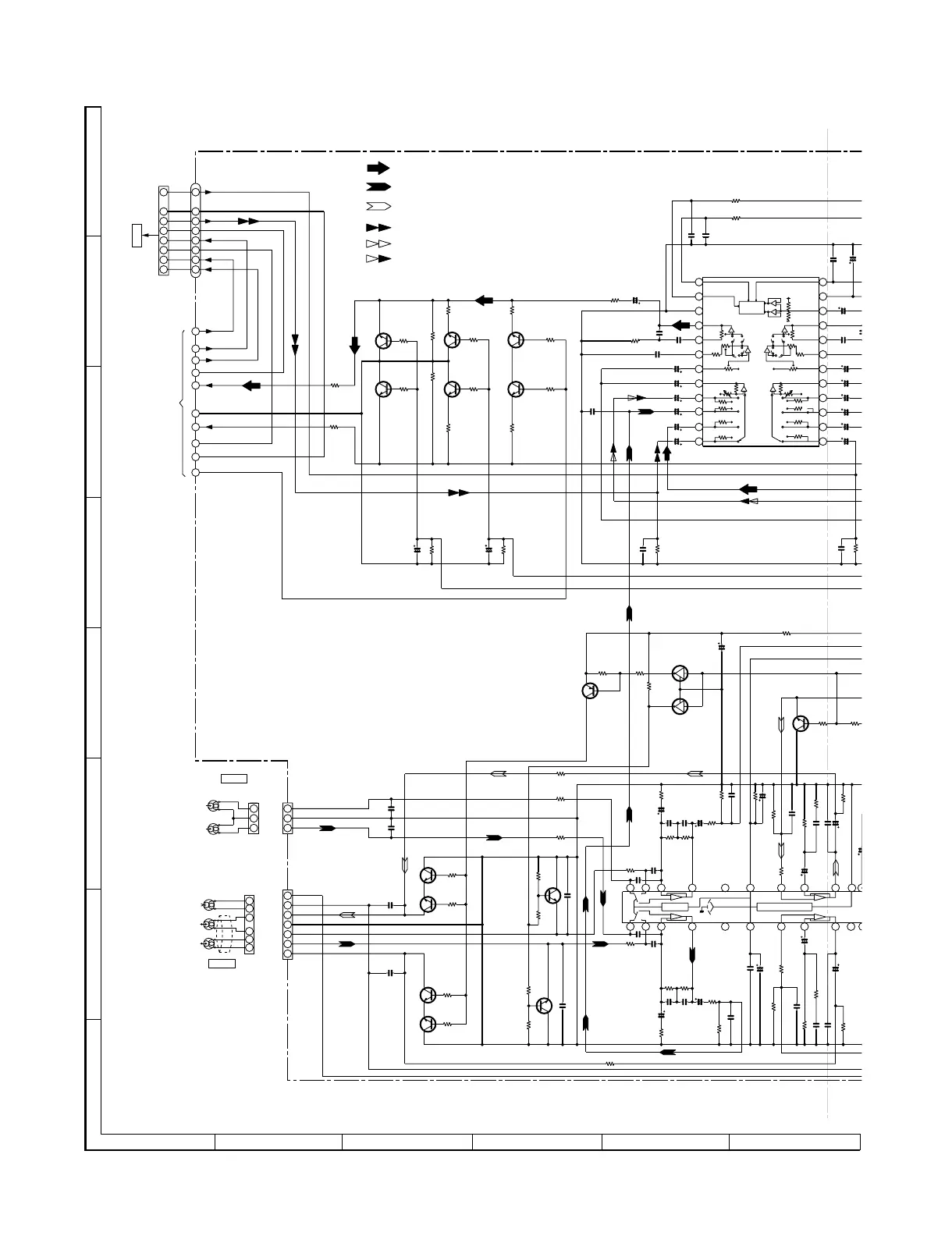
[2] Schematic diagram
Figure 6-8 SCHEMATIC DIAGRAM (1/10)
0.7V
0V
0V
0V
0.7V
0V
0V
0V
0V
0V
0V
9.3V
8.6V
9.3V
0V
3.4V
3.4V
0V
0V
0V
0.7V
0V
0V
0V
0.7V
0.7V
1/5
1/5
180P(CH)
47/25
1K
560P
1.5K
22/50
100
0.0033
KTC3875 GR
2.2K
390
KTC3875 GR
2.2K
4.7K
4.7K
1K
1/50
1/50
1/50
1/50
4.7/50
1/50
0.0022
2
0.01
1/50
10K
1K
220/
KTC3200 GR
KTC3200 GR
KTC3200 GR
SWITCHING
SWITCHING
SWITCHING
SWITCHING
SWITCHING
SWITCHING
KTC3200 GR
KTA1504 GR
22/50
22K
1/50
22K
0.0022
2.2K
0.0022
220P
220P
220P
LC75341
AUDIO PROCESSOR
9
10
11
12 13
14
15
16
17
18
19
20
21
22
23
24
8
7
6
5
4
3
2
1
68K
47/50
150
100/16
10K
0.022
47/25
5.6K
3.3/50
5.6K
KRC104 S
1K
0.0033
0.022
0.1
0.082
3.9K
0.
0.1
1/
4.
1/5
56
10K
KTC3875 GR
330P
330P
1K
4.7K
10K
KTC3875 GR
330P
4.7K
0.0015
5.6K
100K
3.9K
47/25
560P
47/25
5.6K
0.039
15K
KRC104 S
10K
K
10K
KTC3875 GR
10K
100K
3.9K
3.3K
2.2K
3.3K
2.2K
330P
15K
1.5K
0.0015
2.2K
2.2K
KTC3875 GR
KTC3875 GR
390
KTC3875 GR
2.2K
5.6K
KTC3875 GR
2.2K
5.6K
1/50
47K
4.7K
1K
270P
AN7345K
PLAYBACK
AND
RECORD/
PLAYBACK
AMP.
560P
47K
180P
22/50
270P
0.022
100
4.7K
0.0022
15K
0.0022
15K
4.7K
47/25
56
47/25
560P
0.039
543216
7
8
9101
1
15161718192021222324
330
330
REC_
T2_R2
A_GND
L
L
R
R
T1_R
T1_L
A_GND
M_GND
ERASE
T2_R1
T2_L1
T2_L2
ERASE HEAD
TAPE 2
TAPE 1
PLAYBACK HEAD
R-CHL-CH
R-CH
L-CH
1
2
3
1
2
3
6
3
2
1
4
5
6
1
2
3
4
5
7
LD+7V
A_5V
D+5V
CD_GND
L-CH
A_GND
R-CH
CD_D_GND
CD_A_GND
AGC
A+5V
+8V
CD_GND
L-CH
A_GND
R-CH
8
9
7
6
5
4
3
1
1
8
7
6
5
4
3
2
D_GND
6-12 1-D~H
TO POWER SECTION
-
+
-
+
-
+
-
+
-
+
-
+
-
+
-
+
CCB
INTERFACE
AUX
DECK
TUNER
CD
112K
56K
112K
56K
Hich=CHROME
-
-
+
+
Hich=T1
+
-
+
-
Nor/CrO2
ALC
LSEL0
R1
R2
R3
R4
RSEL0
RIN
RTRE
RBASS
ROUT
VREF
VDD
CLK
L1
L2
L3
L4
LIN
LTRE
LBASS
LOUT
VSS
CE
DI
CNP2
6-17 12-E
TO CD SERVO PWB
RECORD/
PLAYBACK HEAD
10
11
12
13
14
15
26
16
17
6
1
1
2
2
3
3
+B
+B
+B
+B
+B
+B
+B
SWITCHING
SWITCHING
SWITCHING
MUTING
Q603, Q604: SYSTEM MUTE
NOTES ON SCHEMATIC DIAGRAM can be found on page 5-1.
CNS601
BI601
CNP101
CNP102
Q103
Q101
R103
R105
C103
Q105
C105
R109
R107
R111
R101
Q106
C106
R110
R108
R102
R112
Q112
R146
R148
R147
Q114
Q113
C141
R149
C639
R621
C625
R609
R612
R614
R615
R616
R617
Q604
Q603
R619
R618
Q601
R611
Q602
R610
R613
R985
Q909
R988
Q908
R987
R986
R601
R602
C652
C651
C619
C617
C615
C613
C611
C631
C609
R605
C605
C607
R607
C621
C623
C653
C60
C
C606
C624
C6
C6
C6
C
C
C626
R608
R13
Q108
R138
R150
R116
C108
C110
R114
C112
C116
C118
R124
C114
R118
R120
C120
R122
R130
R132
C130
C150
C132
R134
C124
C128
R126
C133
C131
C143
R129
C129
C127
R135
R131
C123
C125
R133
R127
C121
R123
C119
R121
R117
R119
C111
R115
C117
C115
C113
C109
C107
R113
C126
R128
IC101
IC101
C640
R620
C104
C102
Q104
Q102
R106
R104
C101
IC601
CD SIGNAL
FM SIGNAL
PLAYBACK SIGNAL
RECORD SIGNAL
VIDEO SIGNAL
AUX SIGNAL
A
B
C
D
E
F
G
H
1
23456

Related product manuals