EasyManua.ls Logo

Sharp CD-ES900 - CHAPTER 4. DIAGRAMS Block Diagram

Sharp CD-ES900
96 pages
Print Icon
To Next Page IconTo Next Page
To Next Page IconTo Next Page
To Previous Page IconTo Previous Page
To Previous Page IconTo Previous Page
Loading...
CD-ES900/CD-ES99
4 – 1
CD-ES900/CD-ES99CD-ES900/CD-ES99Service ManualCD-ES900/CD-ES99MarketE
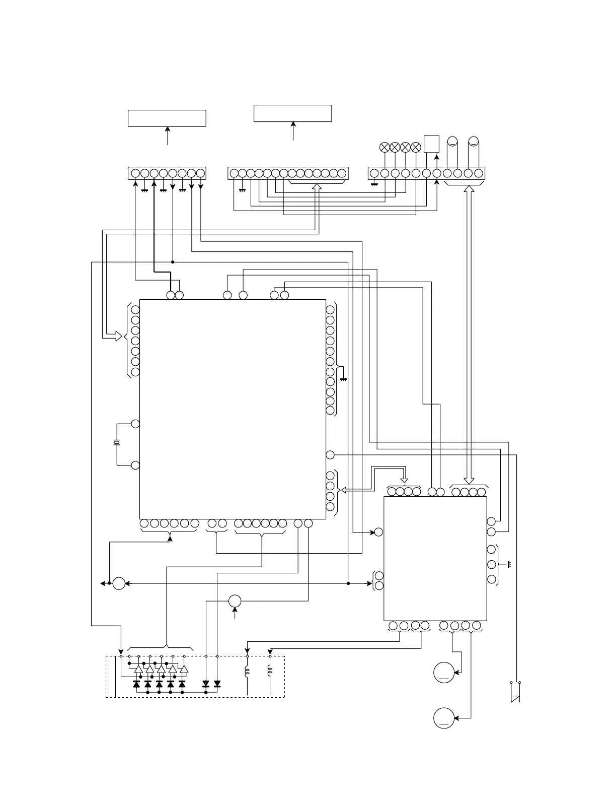
CHAPTER 4. DIAGRAMS
[1] Block diagram
192080
3536
49 45
4442
41
75
60 109871
25
28
34
23
24
21
22
43
46
51
79
56
55
54
48
47
68
67
66
65
64
63
62
CONT 1
DRIVER
SPIN/SLIDE
FOCUS/TRACKING/
LA6261
IC2
VIN4
FWD6
VO6+
VO6-
VO5+
VO5-
REV6
VIN3
VIN2
VIN1
PVCC2
REV5
FWD5
IC1
LC78648E
CD SERVO
LCHO
RCHO
CONT4
74
CONT5
CONT3
CONT2
SLDO
SPDO
FDO
TDO
LDD
LDS
DIN
BIN
1514
FIN
EIN
CIN
AIN
RVDD
LVDD
XVDD
DVDD
VVDD
26
AVDD2
27
DVDD
AVDD1
XIN
XOUT
DRF
RES
WRQ
DO
DI
CL
CE
TO DISPLAY SECTION
TO MAIN SECTION
CNP5
CNP5
M1
TRAY MOTOR
DGND
PICKUP UNIT
IN
PICKUP
NSW1
MOTOR
SPINDLE
NM1
MOTOR
SLED
NM2
COIL
TRACKING
FOCUS COIL
16.9344 MHz
XL1
+5V
Q2
DRIVER
LASER
+3.3V
CONSTANT
VOLTAGE
+3.3V
+3.3V
Q1
R-CH
AGND
L-CH
A_+5V(+B9)
+B6
GND
PHOTO
TRAY SW3
CLAMP
TRAY SW2
CE
CL
DISC
DI
+
-
D_+5V(+B8)
+8V(+B3)
7
27
9
28
17151311
23
22
32 3331 34
30
19
20
26
4
56
3363521
87123 456
10
DO
11
DRF
12
WRQ
GND
RX1
SW3 TRAY SW2
SW2 TRAY SW1
SW1 CLAMP
SW4 DISC
13
CD RESOUT
14319876524
CNP4
10 11319876524
40
M
M2
MAIN CAM
MOTOR
+
-
M
M
M
30
DGND
Figure 4-1 BLOCK DIAGRAM (1/3)

Related product manuals