EasyManua.ls Logo

Sharp CD-ES900 - Page 63

Sharp CD-ES900
96 pages
Print Icon
To Next Page IconTo Next Page
To Next Page IconTo Next Page
To Previous Page IconTo Previous Page
To Previous Page IconTo Previous Page
Loading...
CD-ES900/CD-ES99
6 – 11
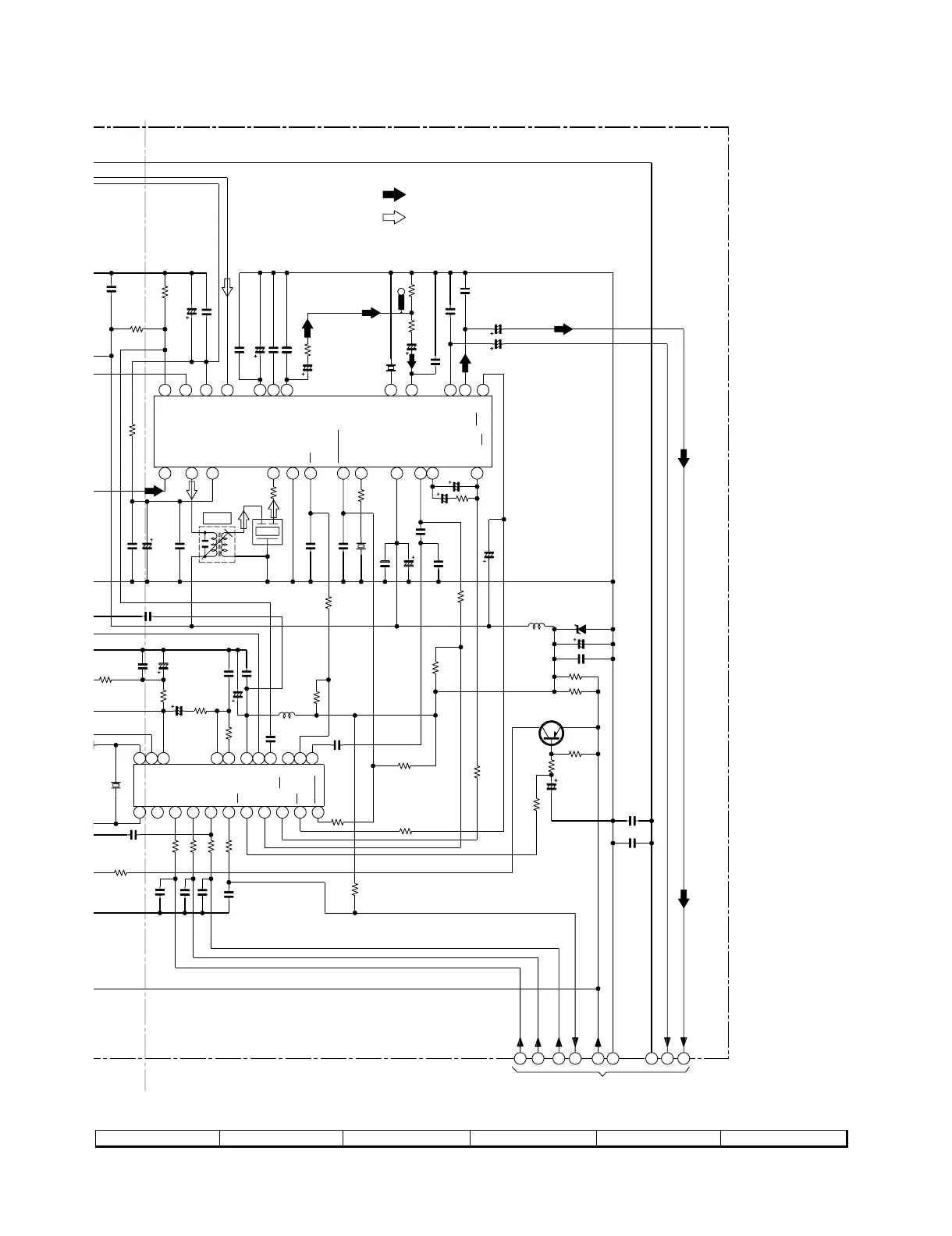
Figure 6-11 SCHEMATIC DIAGRAM (4/10)
0.01
100P(CH)
100P(CH)
100P
(CH)
100P(CH)
10K
22K
470
47P
0.001
0.001
0.001
270
330P
47K
5.6K
47/25
5.6K
470K
2.7K
0.001
0.022
0.015
0.022
0.022
150
3.3/50
0.022
1K
1/50
2.2/50
0.001
100/10
1/50
1K
1K
22P(CH)
270
5.6K
KTA1266 GR
SWITCHING
270
0.022
10K
0.022
100/10
DZ5.1BSB
0.015
27P(CH)
1.8K
3.3K
1K
1K
1/50
5.6K
2.2/50
LC72131
1K
3.9K
100 µH
0.001
0.022
1K
1K
1/50
1/50
1.5K
1/50
R379
2.2K
10/50
100 µH
47K
4.7K
1/50
0.022
0.022
3.9K
0.022
5.6K
(CH)
0.022
0.022
10/50
47/25
123
LA1832S
456 78 9
10 11 12
131415161718192021222324
1234567891011
1213141516171819202122
DO
A+10V
CLK
DI
CE
4.5 MHz
10.7 MHz
TP302
CONT
IF
FM/AM
FM/AM
SD
TP
(
CH)
MO/ST
ST IND
MO/ST
VSS
AOUT
AIN
PD
VDD
FM IN
AM IN
DO
CL
DI
CE
XIN
XOUT
IF IN
REG
AM IF IN
GND
SD
STEREO
FM DET
VCC
IF OUT
PHASE
(FM/AM)
PHASE
L-CH OUT
R-CH OUT
MPX IN
MPX VCO
FM/AM OUT
VSM
AM LOW CUT
AM RF IN
AM OSC IN
FM AFC
AM OSC OUT
AM MIX OUT
FM IF IN
AGND
DGND
TUN_R
TUN_L
6-9 11-B,C
TO MAIN SECTION
AM IF
1
2
3
PLL (TUNER)
456 kHz
FM IF DET./FM MPX./AM IF
12 34 56 789
+B
+B
+B
+B
+B
+B
C342
R365
C362
C361
R358
R350
C366
C363
C364
C367
C365
X351
R357
C373
C368
R356
C374
C369
C371
C372
C358
C357
C356
C355
R355
C370
R353
CF351
C353
C354
CF352
T351
R352
C399
C398
R393
R388
L352
ZD351
C395
C396
R392
R391
Q360
C391
R383
R385
R384
C388
C384
R395
R359
R387
R360
C385
C386
R376
L351
R377
R381
C392
C387
R380
C380
C394
C393
C397
R382
3
81
X352
8
2
R375
C383
R378
R372
R374
R373
C377
C378
C379
C376
R386
IC302
IC303
R351
C389
C351
C350
C352
FM SIGNAL
AM SIGNAL
7
8 9 10 11 12

Related product manuals