EasyManua.ls Logo

Sharp CD-SW330 - Page 60

Sharp CD-SW330
132 pages
Print Icon
To Next Page IconTo Next Page
To Next Page IconTo Next Page
To Previous Page IconTo Previous Page
To Previous Page IconTo Previous Page
Loading...
CD-SW330
6 – 6
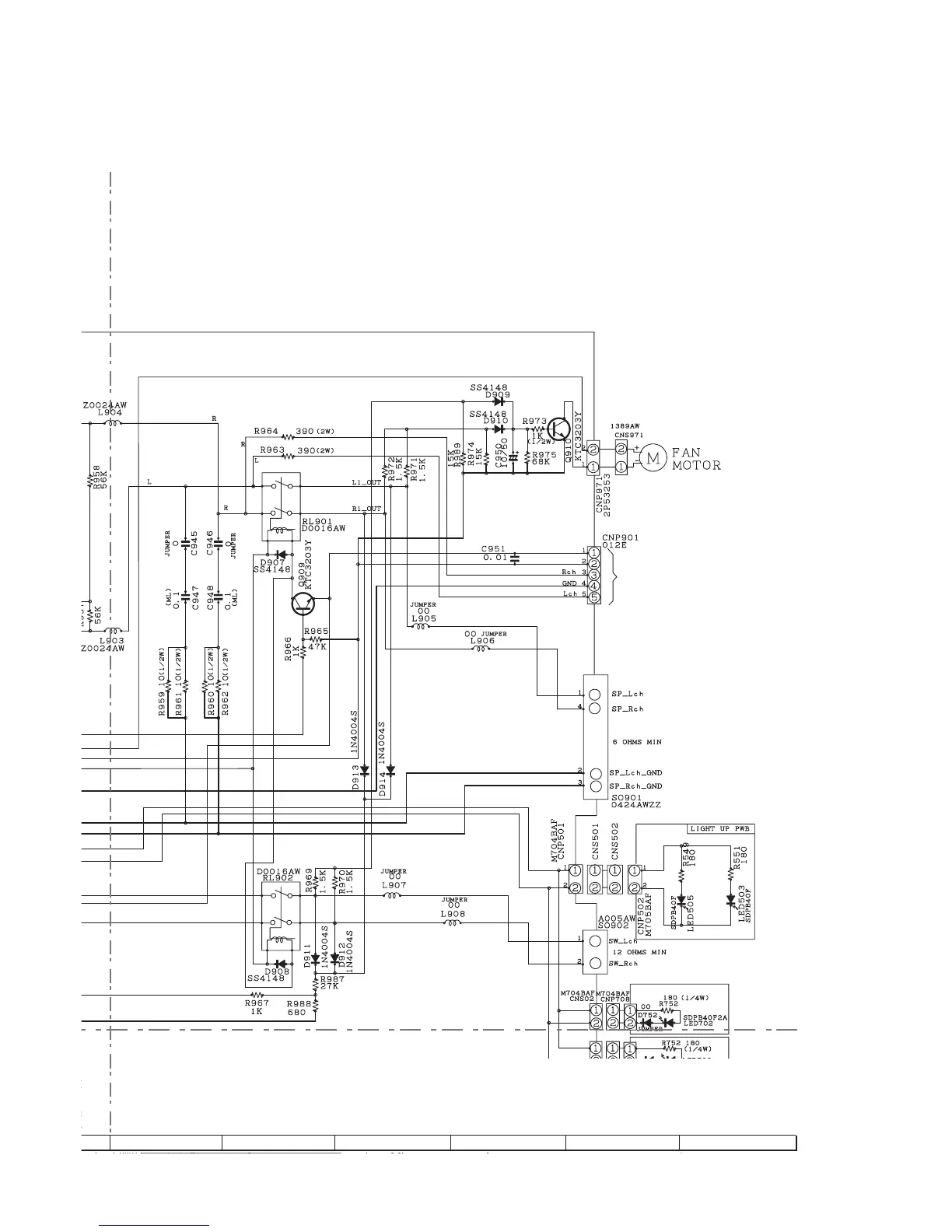
Figure 6-5: POWER SCHEMATIC DIAGRAM (3/6)
TO
GAME INPUT
PWB-B2
13
14 15 16 17 18

Related product manuals