EasyManua.ls Logo

Sharp CD-XP120W - Basic Operation: Setting the Clock; Setting the Unit Clock

Sharp CD-XP120W
52 pages
Print Icon
To Next Page IconTo Next Page
To Next Page IconTo Next Page
To Previous Page IconTo Previous Page
To Previous Page IconTo Previous Page
Loading...
CD-XP120W
– 14 –
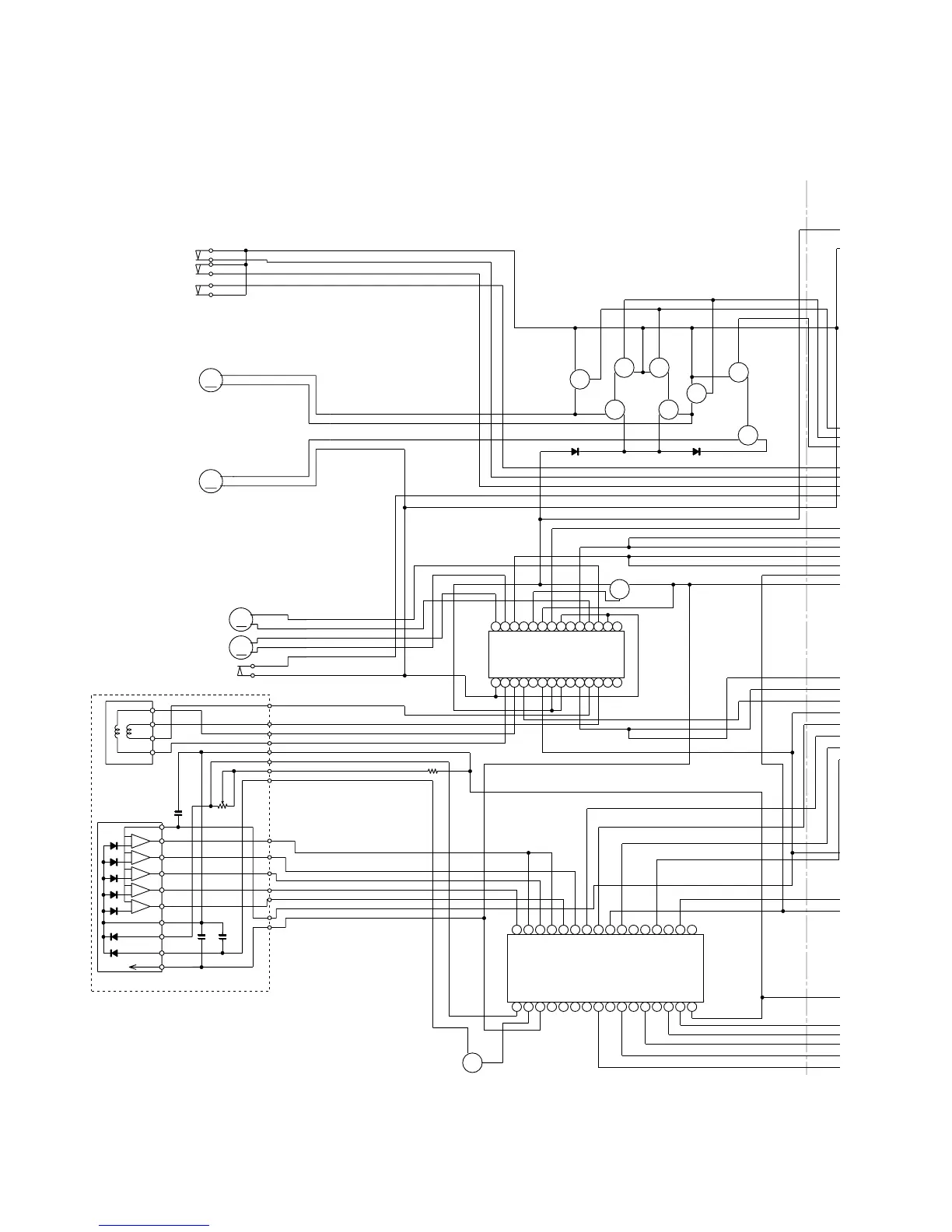
Figure 14 BLOCK DIAGRAM (1/4)
1 2 3 4
5
6
7
8
9
10 11 12 13 14
15 16 17 18 19
20 21 22 23 24 25 26 27 28
32 31 30 29 28 27 26 25 24 23 22 21 20
19 18 17
123456789
10 11 12 13 14 15 16
LOAD+
LOAD–
ROTATE
PICK_IN
DISC_SW
LOAD_SW
O/C SW
+
+
PO1–
PO1+
VO3–
VO3+
VIN3
VG3
VCC
VCC
BIAS
VG4
VIN4
VO4+
VO4–
OPO
VO2–
VO2+
VIN2
VG2
GND
GND
GND
MUTE
REG O
TRB
VG1
VIN1
VO1+
VO1–
VREF
VDET
TEBPF
TEOUT
TEN
FEN
FEOUT
GCTL
FBAL
TBAL
E
F
D
B
C
A
GND
NRFDET
OFTR
CBDO
CDFTR
BDO
3TOUT
CEA
ARF
CACC
RFIN
RFOUT
RFN
VCC
LD
PD
M
M
UP_SW
DISC_SW
LOAD SW
M_GND
ROTATE-
ROTATE+
M+
M–
C
TR–
+5V
1/2V
E
A
B
F
C
GND
PD
VR
LD
FO–
FO+
TR+
ACTUATOR
FO–
TR–
TR+
FO+
+
+
+
+
+
VCC
LD
MON
GND
E
A
B
F
+
+
SP+
SP–
SL+
SL–
PU-IN
GND
M
M
PICKUP UNIT
SW1
OPEN/
CLOSE
SW2
DISC
SW3
UP
M3
T/T UP/DOWN
LOADING MOTOR
Q403
Q402
Q405
Q407
Q406
Q408
Q409
Q410
D403
IC402
AN22000A
HEAD AMP.
Q401
Q404
IC404
MM1469XH
FOCUS/TRACKING/SPIN/SLED DRIVER
D402
NM802
SPINDLE
MOTOR
NM801
SLED
MOTOR
M1
CD LOADING
MOTOR
SW4
PICKUP IN
IC404
LASER
DRIVER

Other manuals for Sharp CD-XP120W

Related product manuals