EasyManua.ls Logo

Sharp FO-77 - Circuit Description of TEL;LIU PWB

Sharp FO-77
98 pages
Print Icon
To Next Page IconTo Next Page
To Next Page IconTo Next Page
To Previous Page IconTo Previous Page
To Previous Page IconTo Previous Page
Loading...
FO-77U
UX-66U
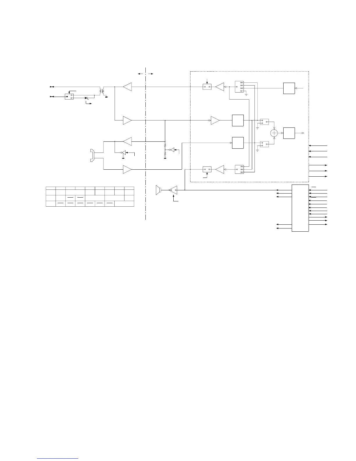
[3] Circuit description of TEL/LIU PWB
(1) TEL/LIU block operational description
1) Block diagram
2) Circuit description
The TEL/LIU PWB is composed of the following 7 blocks.
1. Speech circuit section
2. Dial transmission section
3. Speaker amplifier section
4. Ringer circuit section
5. Externally connected TEL OFF HOOK detection circuit
6. CI detection circuit
7. Signal/DTMF transmission level
Fig. 6
3) Block description
1. Speech circuit section
The receiver volume is an electronic volume type, this model is
switched in 2 steps.
2. Dial transmission section
D.P. transmission: The CML relay is turned on and off for control in
the DP calling system. (Refer to the attached sheet.)
DTMF transmission: It is formed in the modem, and is output.
3. Speaker amplifier section
Ringer volume : It is controlled by the combination of the attenuator
value of the LINE DRIVER in the modem and the
ringer sending level sent from the modem.
Speaker volume: It is controlled by the attenuator value of the LINE
DRIVER in the modem.
4. Ringer circuit section
The ringer sound is formed in the tone of modem when CI signal is
detected. The amplifier circuit drives the speaker of the main body.
5 9
CONTROL PWBTEL/LIU PWB
RX
TX
HANDSET
SP
DRIVER
CUTI
HS
CI
CSWI
PESNS
FRSNS
ORGSNS
PSNS
VREFCONT
MDMRST
LEDON
BZOUT
CML
SPMUTE
RCVOL
VTHON
FAX
ENGINE
FC200
ADC
DAC
SIN
DAC GAIN
0,6dB
SOUT
ADC GAIN
0,4dB
MIC IN
LPF
LINE IN
LPF
SP OUT
ENABLE
0,20,25,30dB
LINE
DRIVER
LINEOUT
ENABLE
MUTE,0,
6,12dB
RHS
RANK
DRSNS
TXMUTE
TELMUTE
IA-RESET
SPMUTE
SPEAKER
RCV VOL
TELMUTE
TELIN
CI
M
B
C
CML
L1
L2
MODEM
FM209
TELOUT
RXIN
TXOUT
SPKRP-P
MICP
LINEIN
LINEOUT
RTLOOP
(0:1)
(1:0)
(0:0)
(1:1)
MIC ENABLE
MIC
ENABLE
1
0
LINE IN
ENABLE
1
0
(0:0)
(1:1)
(1:0)
LNINSEL
IACR1
IACR2
IACR3
BIT7 BIT6 BIT5 BIT4 BIT3 BIT2 BIT1 BIT0
DAC
GAIN
MIC GAIN L/O E
SPKR E
ADC
GAIN
L/I E MIC E
TXRX
LOOP
LINEOUT
ATTENUATION
RXTXLOOP
MICBIAS
SEL
LINE SEL
MIC
GAIN

Related product manuals