EasyManua.ls Logo

Sharp HT-CN300 - Page 26

Sharp HT-CN300
56 pages
Print Icon
To Next Page IconTo Next Page
To Next Page IconTo Next Page
To Previous Page IconTo Previous Page
To Previous Page IconTo Previous Page
Loading...
HT-CN300
– 26 –
A
B
C
D
E
F
G
H
1
23456
AGND7
VDD
+B
+B
+B
+B
+B
1
2
3
FM_IF_IN
AM MIX OUT AM OSC IN
AM_OSC_OUT
X_IN
NC1
CE
DI
CL PD
AIN
AOUT
VSS
X_OUT
1
3
2
IF_OUT
GND0
F_OUT
VT
VCC
GND1
GND2
ANT
TP301
1
2
3
CHASSIS
GND
CHASSIS
GND
AM ANTENNA
AM BAND
COVERAGE fL
FM MUTE
LEVEL
FM SIGNAL
AM SIGNAL
TUNER PWB-B2
3
2
1
AM LOOP
ANTENNA
FM
ANTENNA
1 2 3 4 5
1819202122
1
2
2
3
24
12345678
Q371
KTA1266 GR
R371
4.7K
D35
2
DS1SS
1
R
3
5.
IC3
0
LC72
1
PLL(TU
N
R379
2.2K
X352
4.5 MHz
C381
12P(CH)
C380
10/16
C393
1/50
R380
1.5K
C392
0.001
C394
47/25
R381
10K
C397
0.022
R382
150
C387 0 022
C382
15P(CH)
T351
AM IF
C351 0.022
C350 0.047
C352 10/50
L353
1mH
R358
8.2K
C343
33P
C361
0.022
C362
3.3/50
R351
5.6K
C310 100P
R374 1K
R373 1K
R372 1K
C311 100P
C312 100P
C347
0.022
L342
2.2µH
R323
68K
C334
15P(UJ)
R336
10K
CF302
VR351
10K(B)
C331
0.047
C332
0.022
VD301
SVC348S
C342
0.022
C330
12P(UJ)
C323
0.022
T302
AM TRACKING
C337
0.022
C339
100P
C335
330P
T306
AM OSC.
C338 0.001
D302 DS1SS133
D301 DS1SS133
C341
0.022
R369
47
D305
DS1SS133
D306
DS1SS133
D303
DS1SS133
D304
DS1SS133
C301
0.001
C389
0.001
FE301
FM FRONT END
C345 0.022
C346 0.022
C321 100/16
C390 0.001
CNP301
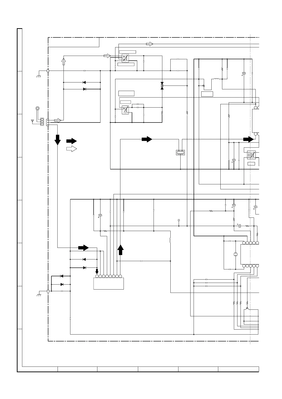
• NOTES ON SCHEMATIC DIAGRAM can be found on page 9.
Figure 26 SCHEMATIC DIAGRAM (13/17)

Related product manuals