EasyManua.ls Logo

Sharp HT-CN300 - Page 27

Sharp HT-CN300
56 pages
Print Icon
To Next Page IconTo Next Page
To Next Page IconTo Next Page
To Previous Page IconTo Previous Page
To Previous Page IconTo Previous Page
Loading...
– 27 –
HT-CN300
7
8 9 10 11 12
FW9
CNP712
TO
DSP PWB
P21 12 - G
CNS104
FROM
AMP. PWB
P24 1 - E
TUNER_L
AGND
TUNER_R
AGND
CCB_DO
DATA
CCB_CLK
CCB_CE0
+9V
+B
+B+B
+B
+B
+B
+B
+B
+B
+B
+B
FM_IF_IN
AM_MIX_OUT
REG
AM_IF_IN
GND
SD
STEREO
FM_DET
VCC
IF_OUT
PHASE
PHASE(FM/AM)
MO/ST
L-CH_OUT
R-CH_OUT
MPX_IN
MPX_VCO
FM/AM_OUT
AM_LOW_CUT
VSM
AM_RF_IN
FM_AFC
AM_OSC_IN
AM_OSC_OUT
1
2
3
X_IN
NC1
CE
DI
CL
DO
FM
MW
MUTE
MO/ST
ST_IND IF_IN
IO2
NC2
AM_IN
FM_IN
VDD
PD
AIN
AOUT
VSS
X_OUT
TP302
1
3
2
1
3
2
1
2
3
1
1
2
3
4
5
6
7
8
8
1 2 3 4 5 6 7 8 9 10 11
1213141516171819202122
1 2 3 4 5 6 7 8 9 10 11 12
131415161718192021222324
R350
2.7K
C367
1/50
X351
456 kHz
C368
1/50
R356
1K
R357
470K
C374
0.033
C373
0.033
C372
1/50
R362
1.8K
R361
1.8K
R363
2.7K
R364
2.7K
C371
1/50
C356
0.001
C355
22P
C358
1/50
R355
3.3K
R359
1.8K
R354
3.9K
C376
0.022
C396
100/10
L352
100µH
C395
0.022
R389
3.9K
Z351
DZ5.1BSB
C370
1/50
C357
2.2/50
R391
220
R392
220
Q371
KTA1266 GR
R371
4.7K
R399
10K
D352
DS1SS133
Q360
KTA1266 GR
R384
5.6K
R385
5.6K
R383
5.6K
C391
47/25
IC302
LC72131
PLL(TUNER)
C386
330P
R376
1K
R395
47K
R360
4.7K
R378
82K
C385
0.01
R379
2.2K
R393
1K
R377
47K
L351
100µH
C380
10/16
C393
1/50
R380
1.5K
C392
0.001
C394
47/25
C387 0.022
CF352
T351
AM IF
C353
0.022
R353
270
C354
0.022
C398
100/10
C399
0.022
C377
0.047
C350 0.047
R352 1K
IC303
LA1832S
FM IF DET./
FM MPX./
AM IF
C363 0.022
C365 0.022
C364 4.7/50
C366 0.001
C361
0.022
C362
3
.3/50
R3
7
3
1K
R372 1K
CF351
CON301
CNP302
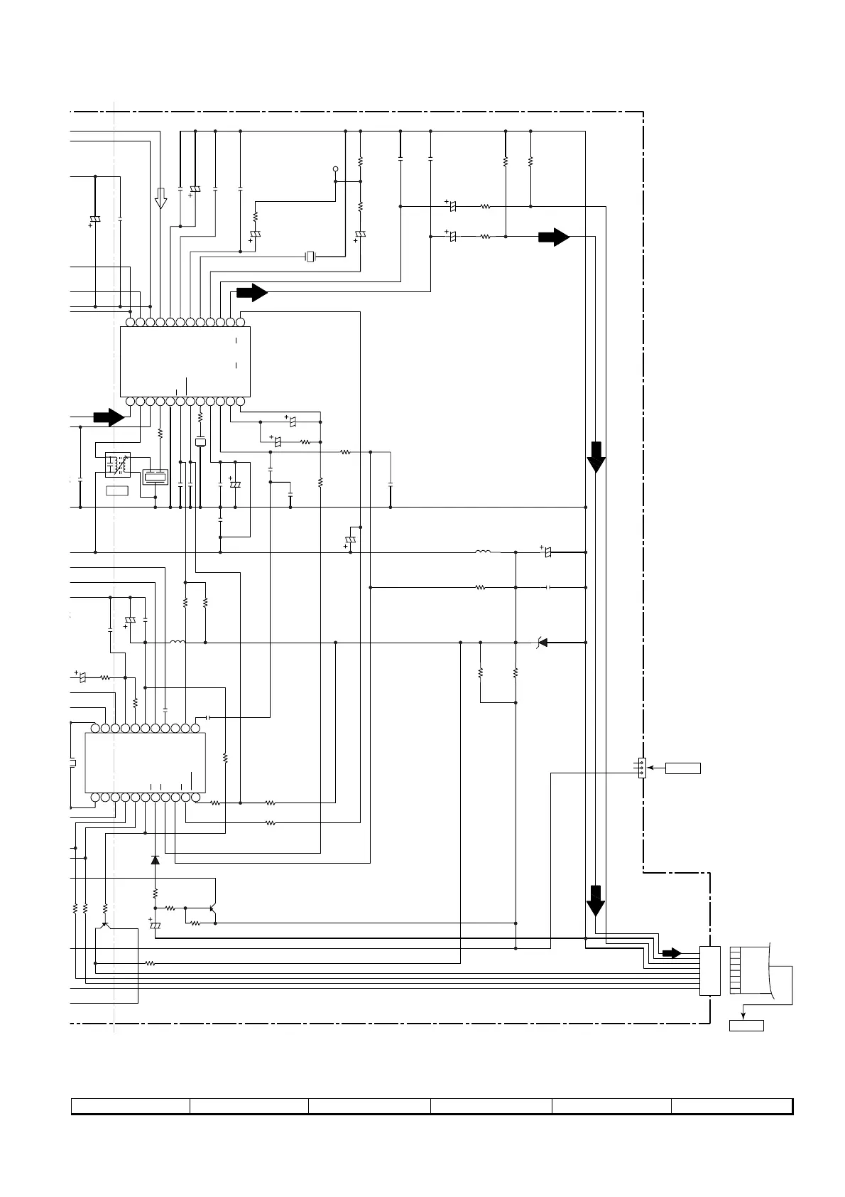
Figure 27 SCHEMATIC DIAGRAM (14/17)

Related product manuals