EasyManua.ls Logo

Sharp HT-DV30H - DVD;CD Block Diagrams

Sharp HT-DV30H
112 pages
Print Icon
To Next Page IconTo Next Page
To Next Page IconTo Next Page
To Previous Page IconTo Previous Page
To Previous Page IconTo Previous Page
Loading...
HT-DV30H
4 – 3
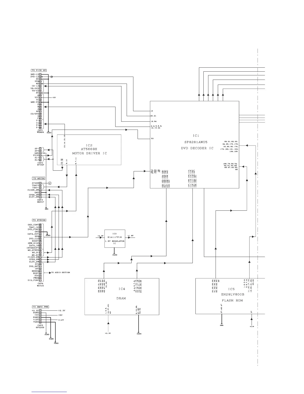
[2] DVD/CD Block Diagrams
204
203
201
196
198
199
194
221
219
218
211
IS42516400F
Figure 4-3: DVD/CD BLOCK DIAGRAM (1/2)

Other manuals for Sharp HT-DV30H

Related product manuals