EasyManua.ls Logo

Sharp HT-DV30H - Headphone Jack

Sharp HT-DV30H
112 pages
Print Icon
To Next Page IconTo Next Page
To Next Page IconTo Next Page
To Previous Page IconTo Previous Page
To Previous Page IconTo Previous Page
Loading...
HT-DV30H
6 – 15
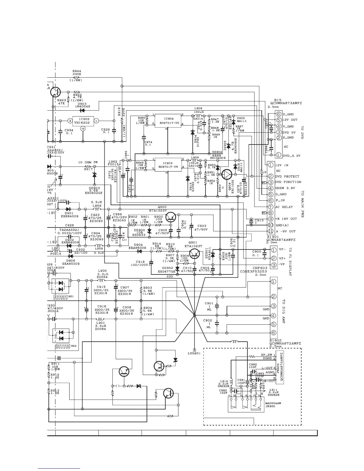
Figure 6-11b: POWER SCHEMATIC DIAGRAM (2/2)
C999
101P
L912
R973
FB
FB
FB
F0015
HEADPHONE JACK
R975
DZ957
Q910
2SC3928AR
1068 CE
15B
470
Q909
KTA1273Y
R974
10K
R977
10K
R979
2.7K
C921
0.001K
R978
10K
Q911
2SC3928AR
DZ958
R976
8.2K
A566W
22B
+25V
+25V
-25V
-25V
7
8 9 10 11 12

Other manuals for Sharp HT-DV30H

Related product manuals