EasyManua.ls Logo

Sharp HT-DV30H - Page 44

Sharp HT-DV30H
112 pages
Print Icon
To Next Page IconTo Next Page
To Next Page IconTo Next Page
To Previous Page IconTo Previous Page
To Previous Page IconTo Previous Page
Loading...
HT-DV30H
6 – 16
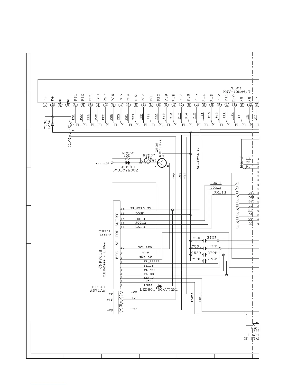
Figure 6-12: DISPLAY SCHEMATIC DIAGRAM (1/2)
TO MAIN PWB-A
TO SMPS PWB
A
B
C
D
E
F
G
H
1
23456

Other manuals for Sharp HT-DV30H

Related product manuals