EasyManua.ls Logo

Sharp HT-DV30H - Page 17

Sharp HT-DV30H
112 pages
Print Icon
To Next Page IconTo Next Page
To Next Page IconTo Next Page
To Previous Page IconTo Previous Page
To Previous Page IconTo Previous Page
Loading...
HT-DV30H
4 – 6
DZ957
Q909
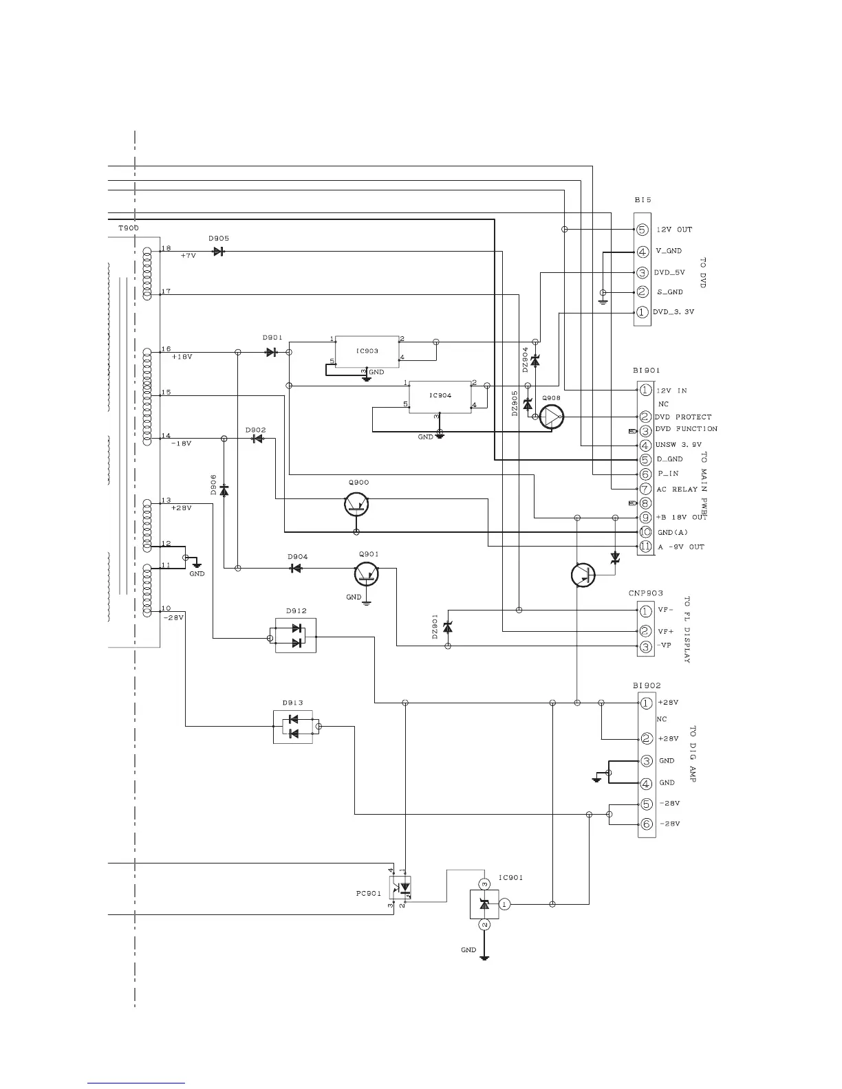
Figure 4-6: POWER BLOCK DIAGRAM (2/2)

Other manuals for Sharp HT-DV30H

Related product manuals