EasyManua.ls Logo

Sharp HT-DV30H - Page 36

Sharp HT-DV30H
112 pages
Print Icon
To Next Page IconTo Next Page
To Next Page IconTo Next Page
To Previous Page IconTo Previous Page
To Previous Page IconTo Previous Page
Loading...
HT-DV30H
6 – 8
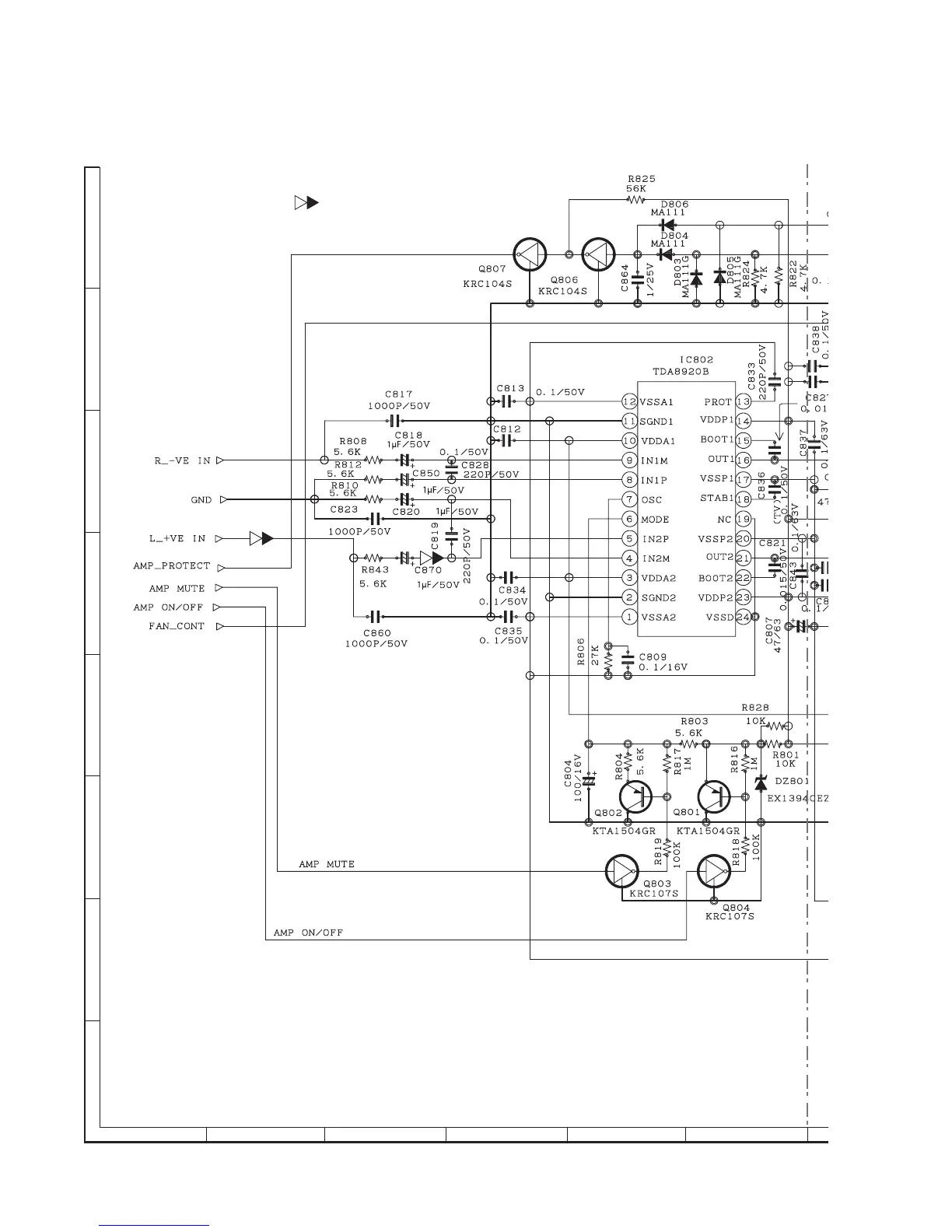
Figure 6-7: MAIN SCHEMATIC DIAGRAM (7/8)
AUDIO SIGNAL
A
B
C
D
E
F
G
H
1
23456

Other manuals for Sharp HT-DV30H

Related product manuals