EasyManua.ls Logo

Sharp LC-32GD8EE - Page 121

Sharp LC-32GD8EE
169 pages
Print Icon
To Next Page IconTo Next Page
To Next Page IconTo Next Page
To Previous Page IconTo Previous Page
To Previous Page IconTo Previous Page
Loading...
121
LC-32/37GD8E/RU
LC-32/37BT8E/RU
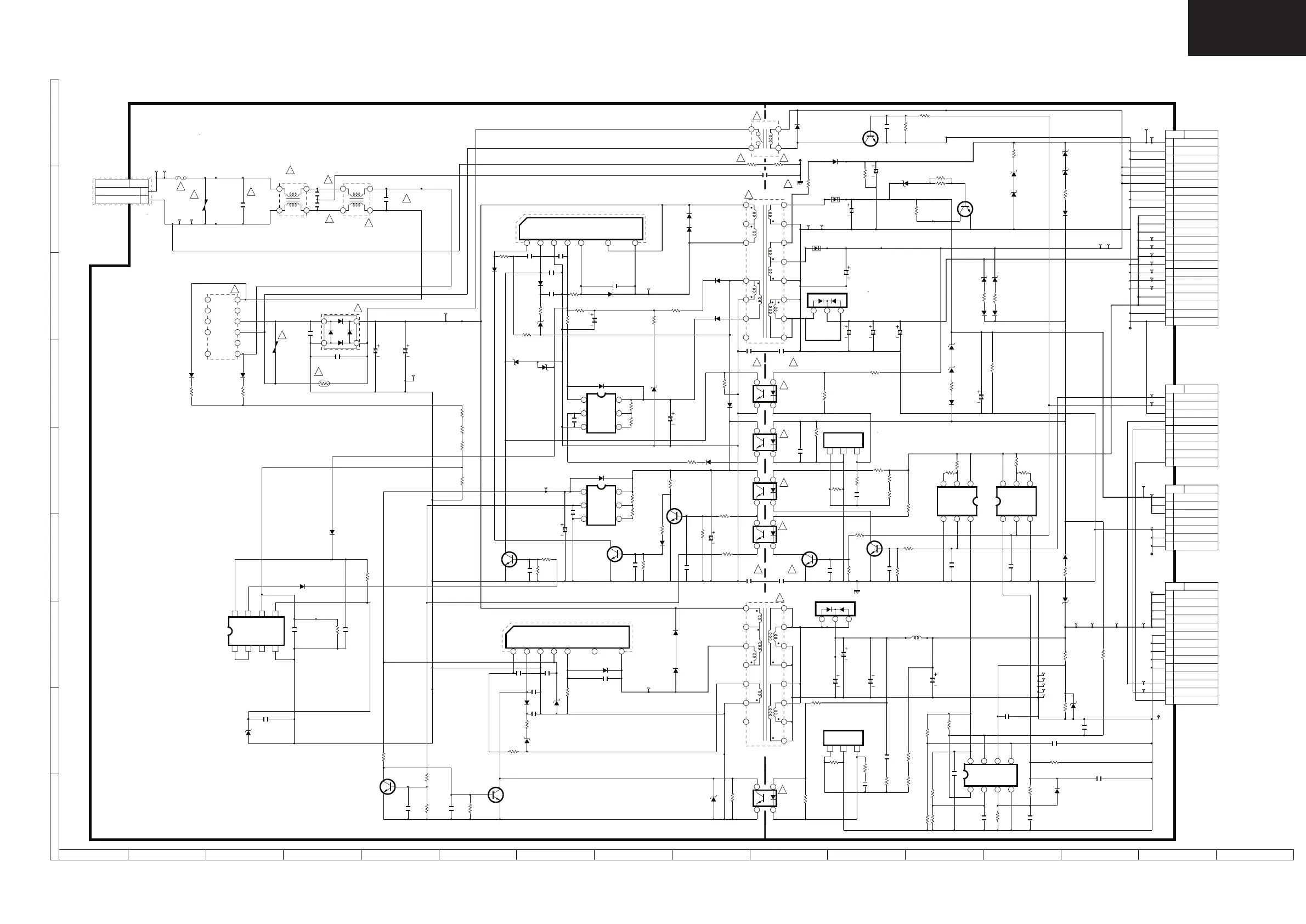
LC-32GD8, LC-32BT8 POWER SUPPLY Unit Diagram
900V
900V
900V
C732
0.1u
R795
20K
1/10W
R783
22K
1/10W
Q702
2SC3928AR
R788
2K
1/10W
F
D721
EXA096WJ
18V
C728
3300P
D736
DXA080WJ
1 2 3
D701
DX0477CE
1
2
3
4
C753
0.068u
C755
1200u
35V
EZA499WJ
R757
10K
1/10W
R817
1.2K
1/4W
D726
D1FL20U
R776
1K
1/10W
TL708
P703
Z0738CE
TO AV
1
+30V
2
+30V
3
+30V
4
NC
5
GND
6
GND
7
GND
Q710
2SC3928AR
R779
10K
1/10W
R794
820
1/10W
Q713
2SC3928AR
D756
EXA101WJ
30V
R702
HZ0008GE
R756
18K
1/10W
R748
10K
1/10W
D747
1SS355
*D714
EX1398CE
@COMME
R778
2.4K
1/10W
F
TL704
R758
560K
1/10W
D717
D1FL20U
D741
EX1398CE
8.2V
R755
20K
1/10W
F
R780
6.8K
1/10W
R773
10K
1/10W
D725
D1FL20U
R701
HZ0008GE
R785
10K
1/10W
C730
0.1u
D754
EXA101WJ
30V
R801
1.2K
R805
220K
1/10W
R742
10K
1/10W
C733
2200P
R784
2.4K
1/10W
P702
MA247WJ
TO MAIN 6
1
PCON1
2
PCON2
3
SGND
4
INV_ON(BL_ON5)
5
INV_BRT(VBRT)
6
NC
7
NC
8
NC
9
PWM SEL
C704
0.47u
275V
FZA026WJ
R740
560K
1/10W
R789
680
1/10W
F
R777
2.4K
1/10W
F
D724
D1FL20U
R775
15K
1/10W
R770
0
1/8W
C740
2200P
250V
KZ0105GE
C749
0.068u
R753
13K
1/10W
R792
2.7K
1/10W
R765
100K
1/10W
R820
1.2K
P704
NA053WJ
LA TO INVERTER
1
+24V
2
+24V
3
+24V
4
+24V
5
+24V
6
GND
7
GND
8
GND
9
GND
10
GND
11
NC
12
INV-ON
13
INV-BRT
14
PWM SEL
TL701
D737
DXA081WJ
1 2 3
C726
100P
(CH)
R764
10K
1/10W
C741
2200P
250V
KZ0105GE
C712
0.47u
275V
FZA026WJ
R812
1.2K
Q708
2SC3928AR
R774
10K
1/10W
C716
0.1u
C709
2200P
250V
KZ0105GE
R796
2.7K
1/10W
D715
D1FL20U
D757
1SS355
R793
10K
1/10W
C742
2200P
250V
KZ0105GE
D753
EXA094WJ
15V
R766
10K
1/10W
R752
0
1/10W
R791
10K
1/10W
C720
0.1u
R809
1.2K
C708
2200P
250V
KZ0105GE
TL702
*T702
WA231WJ
1
2
3
4
5
6
7
9
10
11
12
13
14
15
16
D742
1SS355
Q712
2SC3928AR
C722
47P
(CH)
D722
1SS355
R759
10K
1/10W
MR4030
1 2 3 4 5 7 9
D746
EXA102WJ
33V
D751
EX1398CE
8.2V
R787
10K
1/10W
R760
0.15
NVV
2W
R745
9.1K
1/10W
R746
10K
1/10W
R741
10K
1/10W
*R747
10K
1/10W
F
TL703
R727
56K
1/10W
R761
10K
1/10W
*R751
0.1
NVV
2W
Q704
2SC3928AR
D718
EXA091WJ
11V
TL707
R767
390
1/4W
MR4020
1 2 3 4 5 7 9
D755
1SS355
R824
3.3K
1/4W
D749
EX1400CE
10V
DUNTKD605WE14
D735
SF6L20U
F701
ZA007WJ
AC250V T4AL
C736
47u
35V
EZA489WJ
C743
470u
50V
EZA513WJ
C744
1200u
35V
EZA499WJ
C751
1200u
35V
EZA499WJ
2200u
10V
C752
EZA452WJ
C754
220u
50V
EZA510WJ
C756
2200u
10V
EZA452WJ
C757
680u
25V
EZA480WJ
C758
100u
35V
EZA490WJ
Q721
2SC3928AR
D707
1SS355
R823
10K
1/10W
RY701
DA008WJ
1
2
3
4
C765
0.1u
C764
0.1u
C763
0.1u
R825
10K
1/10W
C767
220u
50V
EZA510WJ
VA701
VXA071WJQZ
VA702
VXA071WJQZ
P701
MA250WJ
TO MAIN 6
1
+35V
2
GND
3
GND
4
+13.5V
5
+13.5V
6
+13.5V
7
GND
8
GND
9
GND
10
+5V
11
+5V
12
+5V
13
+5V
14
+5V
15
+5V
16
GND
17
GND
18
GND
19
GND
20
BU+5V
21
BU+5V
22
GND
23
GND
LUG701
HA002WJ
LUG702
HA002WJ
LUG703
HA002WJ
LUG704
HA002WJ
C768
2200u
10V
EZA452WJ
D748
EXA094WJ
15V
D759
EXA101WJ
30V
C739
1000P
(CH)
C745
4700P
R782
1K
1/10W
R781
2.4K
1/10W
F
TL709
TL710
TL711
TL713
TL714
TL715
TL716
TL717
TL718
TL719
TL720
TL721
TL722
TL723
TL724
TL725TL726 TL727 TL728
TL729
TL730
TL731
TL732
TL733
TL734
TL735
TL736
TL737
TL738
SC701
AA008WJ
1
L
2
N
D752
1SS355
D763
EX1394CE
R833
22K
1/4W
D765
1SS355
R831
10K
1/10W
R732
120K
1/4W
F
R731
120K
1/4W
F
R730
120K
1/4W
F
Q726
2SC3928AR
R834
10K
1/10W
C772
0.1u
TXA037WJ
POWER_HOT
1
2
3
4
5
6
TXA037WJ
1
2
3
4
5
6
C771
2700P
D761
D1FL20U
R828
22
1/4W
R835
0
1/8W
*L701
FA211WJ
1
2
3
4
*L702
F0024PE
1
2
3
4
TL739
TL740
TL741
D767
1SS355
R836
10K
1/10W
C774
0.1u
16V
C777
2200P
250V
KZ0105GE
C778
2200P
250V
KZ0105GE
T701
WA230WJ
1
2
3
8
5
6
7
9
10
11
12
13
14
15
16
D716
U05NU44
D720
U05NU44
*C705
220u
400V
EZA985WJ
*C706
220u
400V
EZA985WJ
E701
QA027WJFW
D734
FXA003WJ
1
23
4
D733
FXA003WJ
1
23
4
D732
FXA003WJ
1
23
4
47u
35V
C723
EZA489WJ
NJM2904M
1 2 3 4
5678
D730
FXA003WJ
1
23
4
D731
FXA003WJ
1
23
4
47u
35V
C735
EZA489WJ
470u
50V
C762
EZA513WJ
RDA701
RA323WJFW
RDA702
RA306WJFW
*RDA703
RA307WJFW
RDA704
RA308WJFW
RDA705
RA309WJFW
D772
EXA102WJ
33V
R851
220
1/4W
R852
220
1/4W
R854
1K
RVV
2WD729
ST03D170
D771
ST03D-82
TA76431R
1 2 3
TA76431R
1 2 3
D728
ST03D170
D762
ST03D170
*T703
CA022WJ
1
2
3
4
5
6
7
9
10
11
12
D738
DXA088WJ
D739
DXA085WJ
L753
PA642WJ
TH701
HXA033WJ
C789
0.1u
C790
0.1u
R857
0
1/8W
D774
1SS355
D773
1SS355
C713
10u
KZA388WJ
6.3V
C717
0.1u
C792
1u
10V
R859
12K
1/16W
R860
4.7K
R861
2.7K
R862
2.7K R863
4.7K
NJM2903M
1 2 3 4
5678
R864
33K
R865
33K
C793
0.1u
16V
R866
47K
R867
12K
D775
1SS355
R868
1.2K
R870
2.2K
R869
3.3K
R871
1.2K
R872
4.7K
R873
1.2K
C794
10u
6.3V
KZA388WJ
C795
1u
10V
C796
1u
10V
C798
0.1u
16V
C799
0.1u
16V
TXA026WJ
123
4 5 6
C800
0.1u
16V
TXA026WJ
1 2 3
456
C801
0.1u
16V
D776
EX1234CE
3.6V
D779
1SS355
D778
U05NU44
R878
120K
1/4W
F
D777
U05NU44
R877
120K
1/4W
F
C783
4.7u
25V
KZA213WJ
C776
4.7u
KZA213WJ
25V
TL712
R743
220K
1/16W
R858
2.7K
1/10W
C804
0.1u
16V
Q729
2SD2185R
C734
470P
2000V
KZA304WJ
C725
470P
2000V
KZA304WJ
D780
EX1015GE
16V
D781
EX1015GE
16V
D782
EXA359WJ
33VB
D783
EXA359WJ
33VB
R797
100K
1/10W
F
C782
0.01u
630V
C781
0.01u
630V
Ver.N5 (2006.04.20)
!*
!*
!*
!*
!*
!*
!*
!*
!*
!*
!*
!*
!*
!*
!*
!*
!*
!*
!*
!*
!* !*
!*
!*
!*
!* !*
*IC704
IC705
Q723
Q724
IC708
IC706
IC707
IC709
Q730
Q731
AC-INLET
POWER
PRIMARY SECONDARY
0
0
0.6
0
0
0.6
0
0.3
0.3
3.05 1.7 0 15.9 0 7.7 239.2
0
1.7
0
3.65 2.0 0 15.9 0 278.5 252.9
0
0
0.6
0
2.0
0.3
15.9
15.3
0
0
3.2
15.9
25.2
23.9
24.0
0
0
15.9
0 0 0 0
8.29.97015.8
2.4
0 4.4
2.4
0 4.4
0 3.2 3.5 0
2.63.3
05.3
5.34.6
0
0 5.3 0
5.3 4.6 0
05.30.1
0
30.4
0.6
LC-32GA8E/LC-32GD8E
CONFIDENTIAL
Ver.N5 (2006.04.20)
1
2 3 4 5
6
7 8 9 10
11
12
13
14
15 16
I
H
G
F
E
D
C
B
A

Related product manuals