EasyManua.ls Logo

Sharp LC-32GD8EE - Page 120

Sharp LC-32GD8EE
169 pages
Print Icon
To Next Page IconTo Next Page
To Next Page IconTo Next Page
To Previous Page IconTo Previous Page
To Previous Page IconTo Previous Page
Loading...
120
LC-32/37GD8E/RU
LC-32/37BT8E/RU
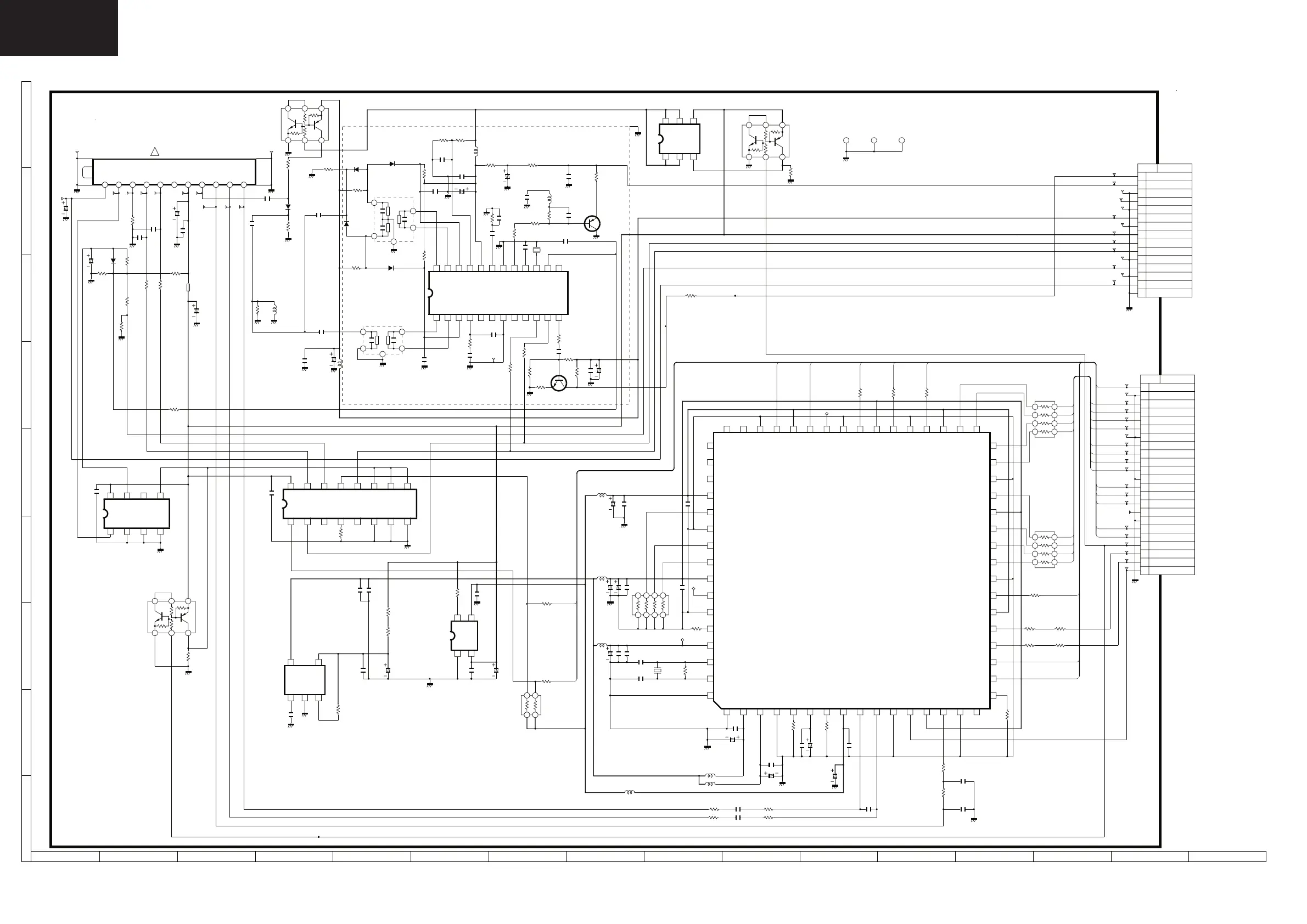
LC-32/37GD8, LC-32/37BT8 TUNER Unit Diagram
1
2 3 4 5
6
7 8 9 10
11
12
13
14
15 16
I
H
G
F
E
D
C
B
A
FED[4]
FED[3]
TSDA
TIPO
FED[2]
TSCL
AGC
FED[7]
FED[1]
FED[6]
FED[0]
FEERROR
FED[5]
FERESET
TSCL
TSDA
FEGP1_LOCK
FEGP0_COMP
FEGP1_LOCK
FEGP0_COMP
FESTR_PSYNC
FEVAL_DEN
I2C_DAT5
I2C_DAT5
I2C_CLK5
I2C_CLK5
FECLK
FED[2]
FED[3]
FED[1]
FED[0]
FED[7]
FED[6]
FED[5]
FED[4]
FECLK
FEVAL_DEN
FESTR_PSYNC
T3V3D
FEERROR
T1V8X
T1V8D
+5V
+5V
+8V
CVBS
R234
270
TL203
C225
1500P
C233
1000P
R247
0
R204
12K
R207
47
R237
330
D206
1SS390
R236
100
R241
10K
C0294BM
K9456
1
2
3
4
5
R235
100
C222
0.1u
25V
Z
TL221
C223
390P
(CH)
R242
3.9K
R233
820
TL220
TL201
R205
47K
R223
5.6K
C232
33P
(CH)
R206
0
TL213
C224
0.22u
16V
R231
33
TQ
1/8W
R238
150
C219
0.1u
25V
Z
R256
47
TL219
C231
0.01u Z
R208
47
P201
MA012WJ
TO MAIN 2/6
1
SIF
2
CVBS
3
GND
4
+35V
5
GND
6
+8V
7
GND
8
+5V
9
SCL5
10
SDA5
11
GND
12
AGC
13
GND
14
+5V(CONT)
15
GND
C206
100u
16V
ASX
C241
33u
10V
ASX
R209
12K
C220
0.01u Z
100u
16V
C221
ASX
TL218
C203
22P
(CH)
C218
0.01u
R224
5.6K
TP201
C204
470u
16V
ASX
TL217
R239
100
Q204
2SA1530AR
BUFFER
TL205
R244
220
R240
330
D205
1SS390
X201
SAA029WJ
TL207
R226
10K
TL204
C236
0.01u Z
R227
10K
TL202
D203
1SS390
R203
68K
R232
330
R255
47
R230
5.6K
TL209
DUNTKD609WE01
C227
0.01u Z
R229
22K
TL210
C215
0.01u
Z
C216
0.01u Z
C0278BM
K3953
1
2
3
4
5
FB201
0210TA
C226
220u
10V
ASX
TL215
C217
10u
50V
ASX
R201
100K
TL214
R270
510K
R245
10K
1
2
3
4
5
6
7
8
C237
2.2u
50V
ASX
TL212
Q203
2SC3928AR
TL211
R228
22K
C230
10u
50V
ASX
C205
0.01u
Z
TL216
R248
15K
D201
1SS390
D204
1SS390
C229
12P
(CH)
TDA9886
IF-DEMOD
1 2 3 4 5 6 7 8
9
10
11
12
131415161718192021222324
TL208
R243
100
C228
0.47u
16V
C202
22P
(CH)
R219
2.2K
P202
MA250WJ
TO MAIN /6
1
FECLK
2
GND
3
FED0
4
FED1
5
FED2
6
FED3
7
GND
8
FED4
9
FED5
10
FED6
11
FED7
12
GND
13
FEERR_UNCOR
14
FEVAL_DEN
15
FESTR_PSYNC
16
FEOFF_X4M
17
GND
18
FEGP0_COMP
19
FEGP1_LOCK
20
I2CSEL
21
FESDA
22
FESCL
23
FERESETn
TP202
R263
4.7K
2
1
3
4
R202
680
C255
0.1u
25V
Z
C256
0.1u
25V
Z
R259
150
C254
0.01u Z
10u
16V
C242
ASX
C253
0.01u Z
C251
0.01u
Z
10u
16V
C252
ASX
C248
0.01u
Z
MM3033E
1
GND
2
VDD
3
VO
4
CE
C244
22u
6.3V
ASX
C243
0.1u
25V
Z
C246
10u
16V
ASX
C245
0.1u
25V
Z
R264
100
R265
100
TP203
R266
0
R267
0
C258
0.01u
R268
0
R269
0
C234
0.1u
25V
Z
R246
680
10u
16V
C247
ASX
10u
16V
C249
ASX
SN2G53CT
1
C
2
INH
3
VEE
4
GND
5
A
6
I
7
O
8
VDD
LV4053AT
1
1Y
2
0Y
3
1Z
4
ZC
5
0Z
6
INH
7
VEE
8
G
9
C
10
B
11
A
12
0X
13
1X
14
XC
15
Y1
16
VDD
10u
16V
C261
ASX
C263
0.1u
25V
Z
C262
0.1u
25V
Z
L203
10uH
CNN
L204
12uH
CNN
L205
33uH
CNN
L206
1.5uH
CUN
L207
2.2uH
CNN
L208
2.2uH
CNN
L209
2.2uH
CNN
L210
2.2uH
CNN
C201
33u
10V
ASX
C259
2P
(CH)
C257
0.01u
C260
15P
(CH)
C235
15P
(CH)
R274
0
R272
0
1
2
3
4
5
6
7
8
R273
0
1
2
3
4
5
6
7
8
Q209
RN4904
123
4 5 6
R271
1K
X202
SCA039WJ
IXB682WJ
1 2 3 4 5 6 7 8 9
10 11 12 13 14 15 16
17
18
19
20
21
22
23
24
25
26
27
28
29
30
31
32
33343536373839404142434445464748
49
50
51
52
53
54
55
56
57
58
59
60
61
62
63
64
R281
0
R282
0
C266
0.01u Z
C250
0.01u Z
C267
0.01u Z
R283
0
R284
10K
R285
10K
R288
0
TL241
TL242
TL243
TL244
TL245
TL246
TL247
R289
10K
R290
180
C268
0.1u
25V
C269
0.1u
25V
C270
220u
6.3V
AAPD
C271
0.01u
Z
C272
1000P
C273
220u
6.3V
AAPD
PQ1M185M
1 2 3
45
C207
0.01u
Q205
RN4904
123
4 5 6
SSM6J51TU
1
D
2
D
3
G
4
S
5
D
6
D
R251
3.3K
R276
2.7
1/2W
R275
2.7
1/2W
LUG201
HA009WJ
LUG202
HA009WJ
LUG203
HA009WJ
Q211
RN4904
123
4 5 6
R291
3.3K
D207
1SS390
C274
0.1u
25V
Z
C275
0.1u
25V
Z
R292
3.3K
C276
0.01u
SLD201
MA898WJFW
L212
0.18uH
D9Mj
L213
33uH
CKM
C279
10u
16V
KZA073WJ
R293
0
R294
0
R211
0
R213
0
TU201
NQA033WJ
1
DC-POW
2
AGC
3
ADDR
4
SCL
5
SDA
6
NC
7
5V
8
IF(A)
9
IFAGC
10
IF(D1)
11
IF(D2)
TL222
TP204
TL225
TL226
TL239
TL237
TL240
TL228
TL236
TL230
TL206
TL231
TL233
TL224
TL232
TL227
TL235
TL234
TL223
TL238
TL229
C281
330P
(CH)
VOLTAGE ( ) = DTV-MODE
!*
FL202
FL201
IC201
IC206
IC203
IC204
IC202
IC205
IC207
3.03
(0)
0
2.38
(0)
1.6
4.8
2.3
1.98
(0)
1.95
(0)
5.04
(0)
2.22
(0)
2.34
(0)
2.22
(0)
0 1.53
(0)
3.53
(0)
3.3
(0)
3.3
(0)
2.03
(0)
0.3
(0)
1.86
(0)
2.59
(0)
0.09
(0)
2.38
(0)
01.71
(0)
5.05
(0)
2.83
(0)
0.23
(0)
1.95
(0)
1.95
(0)
0 0 (5.18)
0 (3.36)
0(5.09)
2.0 0 0 0
002.05.16
0
(3.3) (0)
3.3 0 0
0 0
0 0
0
(5.09)
0
(5.09)
0
(5.09)(0)
3.30
(3.3)
(0)
3.3
(0)
3.3
(0)
5.16
5.18
(0)
5.12
(0.02)
5.12
(0.02)
0 0
(3.3)
0
(5.09)
0 0
(1.77)
0
(1.75)
0 0 0
(0.83)
0 0
(3.36)
0
(1.7)
0
(1.7)
0 0
(3.29)
0
(1.74)
0
(0.8)
0 0
0
0
(3.3)
0
(3.3)
0
(3.3)
0
(3.3)
0
(3.35)
0
(0.1)
0
0
(1.5)
0
(1.5)
0
(1.5)
0
(0.74)
0
(1.5)
0
0
(1.5)
0
(1.5)
0
(1.5)
0
(1.5)
0
(3.35)
0
(1.7)
00
(0.7)
0
(1.74)
000
(3.3)
0
(3.3)
0
(3.35)
0
(3.3)
00
(1.6)
0
(1.6)
0
(1.6)
0
(1.2)
0
(3.3)
0
(3.35)
0
0
0
0
0
(1.74)
0
(1.7)
0
0
0
(1.76)
0
(0.4)
0
(0.9)
0
0
(1.23)
0 0
(3.3)
5.18
(5.0)
0
(1.77)
(0)
5.18
(0)
5.18(0) 5.12
(0)
5.12
(0)
0
(5.1)
0
(0)
5.18
(0)
5.18 0
(5.1)
(0)5.18
(0)
5.18
(0)
5.18
8.1
(0)(8.1)
0.03
(8.1)
0.03
0
5.18
(0)
8.1
(0)
LC-32P70E/LC-26P70E/LC-37P70E
LC-32GD9E/LC-37GD9E/LC-32GD8E/LC-37GD8E
D-TUNER
VOLTAGE () = DTV-MODE

Related product manuals