EasyManua.ls Logo

Sharp LC-32GD8EE - Page 123

Sharp LC-32GD8EE
169 pages
Print Icon
To Next Page IconTo Next Page
To Next Page IconTo Next Page
To Previous Page IconTo Previous Page
To Previous Page IconTo Previous Page
Loading...
123
LC-32/37GD8E/RU
LC-32/37BT8E/RU
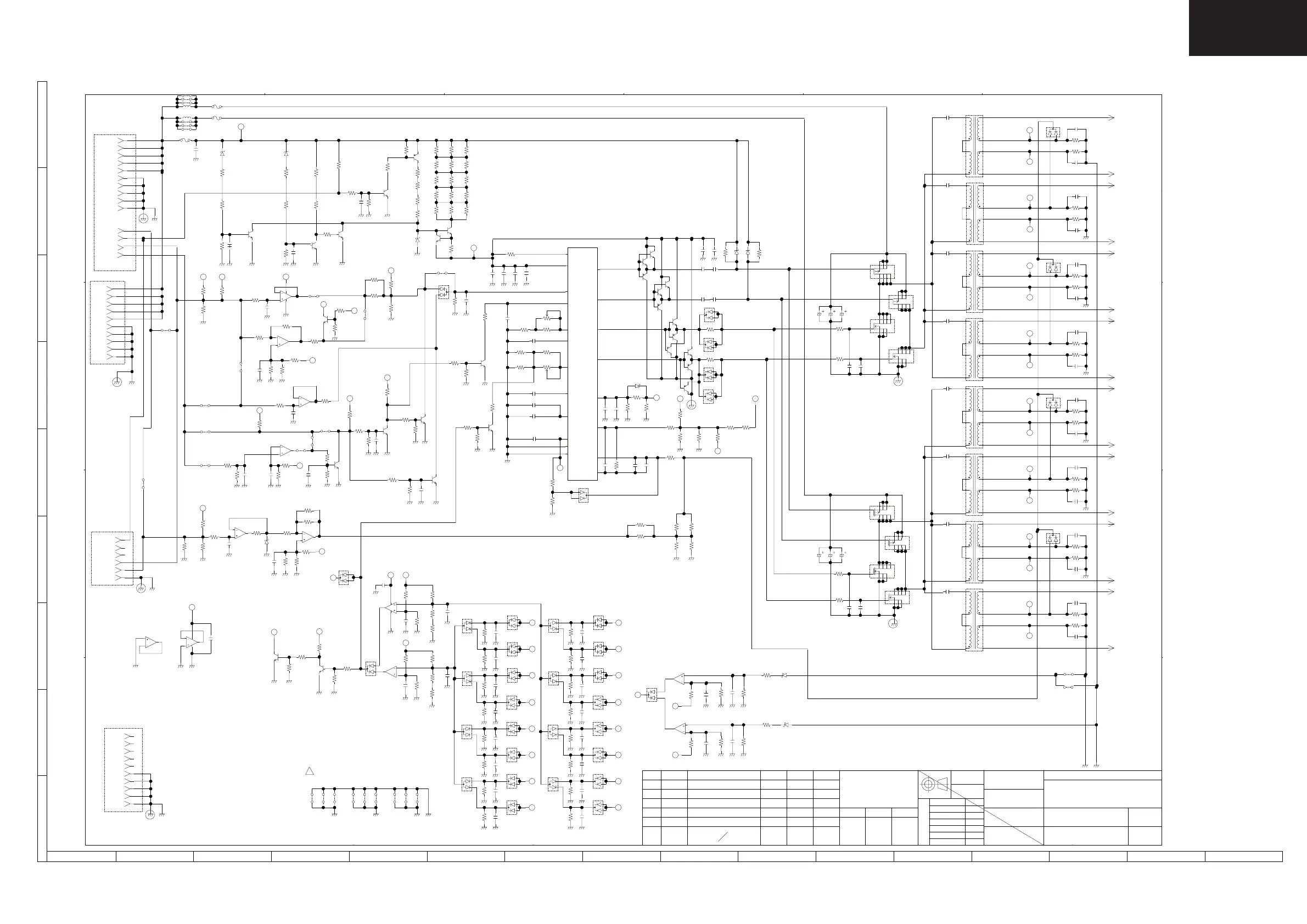
LC-32GD8, LC-32BT8 INVERTER Unit Diagram (RDENC2266TPZC)
1
2 3 4 5
6
7 8 9 10
11
12
13
14
15 16
I
H
G
F
E
D
C
B
A
LC-32GA8E INVERTER Unit Diagram (RDENC2266TPZC)
DA T E
R E A S ON
E CN NO .
ENGI NEER
CH ECK E D APPROVED
CH ECK E DAPPROVED
表面処理
± 0 . 5
REV .
SHEET
DR AWI NG NO .
PART NO. (MODEL NO . )
DESCR I PT I ON
DATE
F I N I SH
ベア
HE AT TREAT
熱処
表面
SURF . ROUGH .
MA T E R I AL
材質
D RAWN
± 0 . 8
± 0 . 5
± 0 . 3
± 0 . 2
± 0 . 1
公差
D E G
角度
2 5 0 L 1 0 0 0
6 3
L 2 5 0
1 6
L 6 3
4 L 1 6
L 4
L
寸法
TOL
S C A L E
尺度
U N I T
単位
MI NEBEA CO . , LTD .
MA R K
1
1
2
2
3
3
4
4
5
5
6
6
D D
C C
B B
A A
1 0
8
9
GND
GND
GND
R1 9 1
R1 2 9
R1 3 0 R
JP
JP
JP
JP
JPJ 1 1 3
J 1 1 2
J 1 1 1
J 1 1 0
RRR1 0 R
NF NFR1 9 0 NF
NFNF
NF
NF
NF
NF
NF
NF
NF
NF
NF
NF
R
R
R
JP
JP
1R 0 J
J 6
NF
R
R
NF
R
NF
NF
NF
NF
NF
NF
NF
NF
RR
R
3
6
2
V i n
V i n
GND
V i n
V i n
V i n
GND
7
4
5
JP
JP
JP
JP
JP
JP
JP
JP
JP
CBA
J 1 0 9
J 1 0 8
J 1 0 6
J 1 0 5
J 1 0 4
J 1 0 2
JPJ 1 0 7 JP NF
NF
NF
NF
NF
NF
NF
NF
NF
NF
JP
JP
JPJP
JP
NFNF
NF
NF
A
ED
NF
NF
NF
NF
JP
1
CN 1 5
J 7
1R 0 J
J 9
1R 0 J
J 1 1
J 8
J 1 0
J 1 4
J 1 3
J 1 2
R6 9
D2 7
R6 8
C3 7
C3 8
N/ F
N/ F N / F N/ F N / F N / F
R6 7
D2 6
D2 5
D1 4
C3 6
R1 2 2
C1 2 5
D2 4
D1 3
C3 5
C3 4
R6 6
D2 3
R6 5
C4 6
R7 7
R7 6
C4 5
H
P
A
D3 5
Change J6,J9,J129.MAR. '06
G
F
R7 5
D1 8
C4 4
N
D3 3
D3 4
O
3
R4 7
R4 8
C2 4
E
R7 3
C4 2
C4 3
D
R7 4
D1 7
M
4
L
D3 1
D3 2
R1 9 3
C1 5 0
2
1
3
I C4
- 1 / 4
R1 9 2
3
C1 4 9
Terazawa
Matsushima
M . Ma t s u
R . Ma s h i o
C2 5
R4 9
R1 9 7
N/ F
D5
R1 9 4
23 /MAR/ ' 0 6
A
J 1 1 8
U84PC-E1 00 3101
1/ 1IM3 81 9CA
C i r cu i t D i a g r am
ON/OF F
AD I M
GND
PD I M
NC
NC
1 4
1 3
3
4
1 1
1
C1 2 3
Q3 2
R1 7 2
1
2
3
Q3 3
R1 7 1
1 2
I C 3
- 4 / 4
2
I C 3
2
- 4 / 1
S
5
6
R1 3 5
4
3
2
R1 3 6
C1 3 4
R1 6 1
3 . 3V
R1 5 9
C1 3 5
R1 6 0
CN1 3
1
C1 4 6
9
1 0
I C5
3
R1 5 4
- 3 / 4
R1 8 2
R1 5 3
R1 5 6
8
R1 5 5
ZD 6
1 3
1 4
1 2
I C5
- 4 / 4
R1 5 7
R1 5 8
J 1 0 9
J 1 0 8
R1 8 3
7
C1 4 8
R1 8 6
R1 8 5
R1 8 7
R1 8 1
6
5
C1 4 7
3
J 1 0 6
J 1 0 2
6
5
- 2 / 4
7
3
R1 4 2
J 1 1 1
C1 3 3
I C 3
- 2 / 4
R1 9 1
GND
GND
V i n
V i n
GND
GND
GND
V i n
V i n
PD I M
PW M
CN1 4
V i n
Se l e c t i o n
1 0
9
J 1 0 7
C1 2 9
I C 5
I C4
3
R1 2 7
R1 2 6
R1 2 5
- 4 / 4
5
3
8
7
4
6
J 1 1 0
R1 2 9
R1 7 8
R1 2 8
1 3
1 4
1 2
R1 1 9
C1 3 0
1 1
3
N/ F
Q3 4
1
1 4
2
2
R1 9 5
R1 3 0
3
R1 9 0
C1 2 2
R1 3 1
2
J 1 0 4
2
1
I C 5
4
2
R4 4
- 1 / 4
R1 6 9
8
I C3
2
3
R1 6 8
1
R1 7 0
D9
R1 1 8
R1 1 6
1 0
R1 2 3
3
9
C1 2 6
- 3 / 4
R1 2 4
R6 4
D1 2
C3 2
C3 3
D2 2
R6 3
D2 1
2
8
R2 3
- 3 / 4
R2 4
R5 3
4
C3 0
1 0
I C4
9
C2 9
1 1
R5 4
R2 2
D2 0
D1 1
R6 2
C3 1
4
C2 8
3
D4
2
3
C4 0
C
C4 1
B
R7 1
D1 6
R7 2
D3 0
K
D6 7
J
D2 9
I C4
5
7
6
- 3 / 4
A
D1 5
R7 0
C3 9
D2 8
I
R1 0 9
R1 1 0
R1 9 6
D6 6
C6 4
C6 3
R8 3
8
3
2
7
6
1
4
5
Q2 3
C5 8
C5 3
C5 4
R8 2
3
2
7
6
1
4
5
Q2 2
7
6
8
8
1
5
N/ F
Q3 5
1
2
3
C1 3 6
R1 4 9
R1 4 8
1
2
3
Q3 0
C1 3 1
2
R1 4 4
J 1 1 2
R1 4 5
R1 4 3
J 1 1 3
R1 5 2
3
R1 4 7
R1 3 7
Q2 8
Q2 9
3
1
1
2
3
R4 0
R1 6 3
1
2
3
Q1 3
R4 1
R1 2
R1 6 2
R1 6 4
R2 6
R2 7
3
F / B
GND
SG
R1 1
1 5
D7
7
C1 5
I
C1 3
8
1 0
R1 6 6
C1 4
R2 5
S
C1 2
OVP
CP
C1 1
RE G
SS
C1 2 4
4
1 3
9
R3 5
1 4
R3 4
4
C1 7
R1 0 8
V
C1 6
R3 3
R3 2 R 1 7 4
R1 6 5
3
R1 6 7
R3 1
3
2
3
6
Q2 1
8
7
1
4
5
Q2 0
4
2
R1 7 3
1
3
R1 5 0
R1 4 6
Q3 1
R1 3 8
1
2
3
R2 0
R2 1
2
3
R1 7 7
2
J 1 0 5
R1 7 6
1
3
R1 4 1
R1 3 4
R1 5 1
R1 8
C1 3 2
C8
1
R1 3 2
Q3 7
R1 3 3
J 1 1 4
D6 5
8 . 2B
R1 3 9
3
C2
C3
2
R8
C4
VB1
RT
2
VR 2
C1 0
1 2
3
6
1
R4 2
D1
Q3 9
1 6
2
1
3
Q1 2
1
2
3
D8
R3 7
Q1 1
1
2
3
1
2
3
Q4 0
D3
1
BCT
C9
2
5
CT
BRT
3
2
VR 1
3
R1 9
VA2
VB2
1 7
1 8
2
1
Q7
2
3
Q1 0
3
1
3
1
R3 6
D6
Q9
2
D2
1
2 0
Du t y
Vc c
ST
1
1 1
VA1
C5
2
Q3
Q5
3
1 9
Q4
1
2
3
1
2
1
3
2
2
Q6
Q8
C2 1
C1 8
3
C2 0
3
R3 8
C1 9
1
R8 1
C6 2
C6 1
8
3
2
7
6
1
4
5
Q1 9
C5 0
R8 0
C4 9
C5 7
1
3
2
7
6
1
4
5
Q1 8
8
3
2
8
4
5
7
6
ZD 1
R3 9
ZD 2
Q1 7
8
3
2
7
6
1
4
5
Q1 6
7
6
J 1 1 7
P
OUT ( H ) +
1
CN1 1
4
5
1 0
3
2
1
R1 0 1
O
R1 0 0
OUT ( H ) -
C1 1 8
C1 1 7
2
4
T8
7
C1 4 5
5
3
2
6
N
R9 8
R9 9
OUT ( H ) -
C1 1 6
CN1 1
1
CN1 0
1
T7
7
4
6
1 0
C1 4 4
D6 2
L
M
CN1 0
2
C1 1 4
CN9
1
OUT ( H ) +
OUT ( H ) +
C1 1 5
3
C1 4 3
7
5
1 0
2
1
T6
6
R9 6
K
R9 7
OUT ( H ) -
C1 1 3
1
OUT ( H ) -
2
CN9
4
5
3
2
I
D6 0
R9 4
J
R9 5
C1 1 2
CN8
C1 1 1
1 0
1
7
4
5
6
T5
C1 4 2
R9 3
H
1
CN7
2
CN8
C1 1 0
OUT ( H ) +
OUT ( H ) +
7
6
1 0
2
T4
1
3
C1 4 1
G
R9 2
F
CN7
C1 0 9
2
1
CN6
OUT ( H ) -
OUT ( H ) -
4
1 0
3
2
C1 4 0
T3
1
5
E
R9 1
R9 0
D5 8
C1 0 8
2
CN6
C1 0 7
OUT ( H ) +
AD I M
GND
GND
GND
GND
GND
V i n
V i n
V i n
V i n
V i n
ON/OF F
1 1
1 3
1 2
1 0
9
R1 8 9
2
C1 2 1
R4
Q3 8
1
3
5
6
7
3
4
8
2 7B
ZD 7
R4 3
1 6B
ZD 4
R3
CN3
1
J 1 7
J 1 8
2
J 2 0
J 1 9
5ACP 3
C1
5ACP 4
1
L 1
1A
CP 1
L 2
J 1 6
J 1 5
R6
C6
1
2
3
Q3 6
R1 8 8
3
R2
Q1 5
R1 2 0
R1 0 4
1
2
3
3
1
2
R1 2 1
1
ZD 3
Q1 4
R1 1 5
R1 0 6
R1 0 5
R1 0
R1
R5
2
R1 1 2
R5 5
Q2
1
3
R1 1 1
2
3
R1 1 3
R1 1 4
R5 8
Q1
R5 0
R5 2
R6 0R 5 9
R5 7
R5 1
R5 6
R2 8
R2 9 R 3 0
I C1
C2 6
8 . 2B
C2 7
8 . 2B
5
7
4
2
3
6
D
C
R8 9
R8 8
1
CN5
C1 0 6
OUT ( H ) +
C1 3 9
7
4
5
6
1 0
1
T2
B
C1 0 4
2
CN5
C1 0 5
1
CN4
OUT ( H ) -
OUT ( H ) -
1 0
3
2
1
T1
C1 3 8
D5 6
R8 7
R8 6
A
C1 0 3
CN4
OUT ( H ) +
2
91
LC-32GA8/LC-32BV8
LC-37GA8/LC-37BV8
1
2 3 4 5
6
7 8 9 10
11
12
13
14
15 16
I
H
G
F
E
D
C
B
A

Related product manuals