EasyManua.ls Logo

Sharp LC-32GD8EE - Page 124

Sharp LC-32GD8EE
169 pages
Print Icon
To Next Page IconTo Next Page
To Next Page IconTo Next Page
To Previous Page IconTo Previous Page
To Previous Page IconTo Previous Page
Loading...
124
LC-32/37GD8E/RU
LC-32/37BT8E/RU
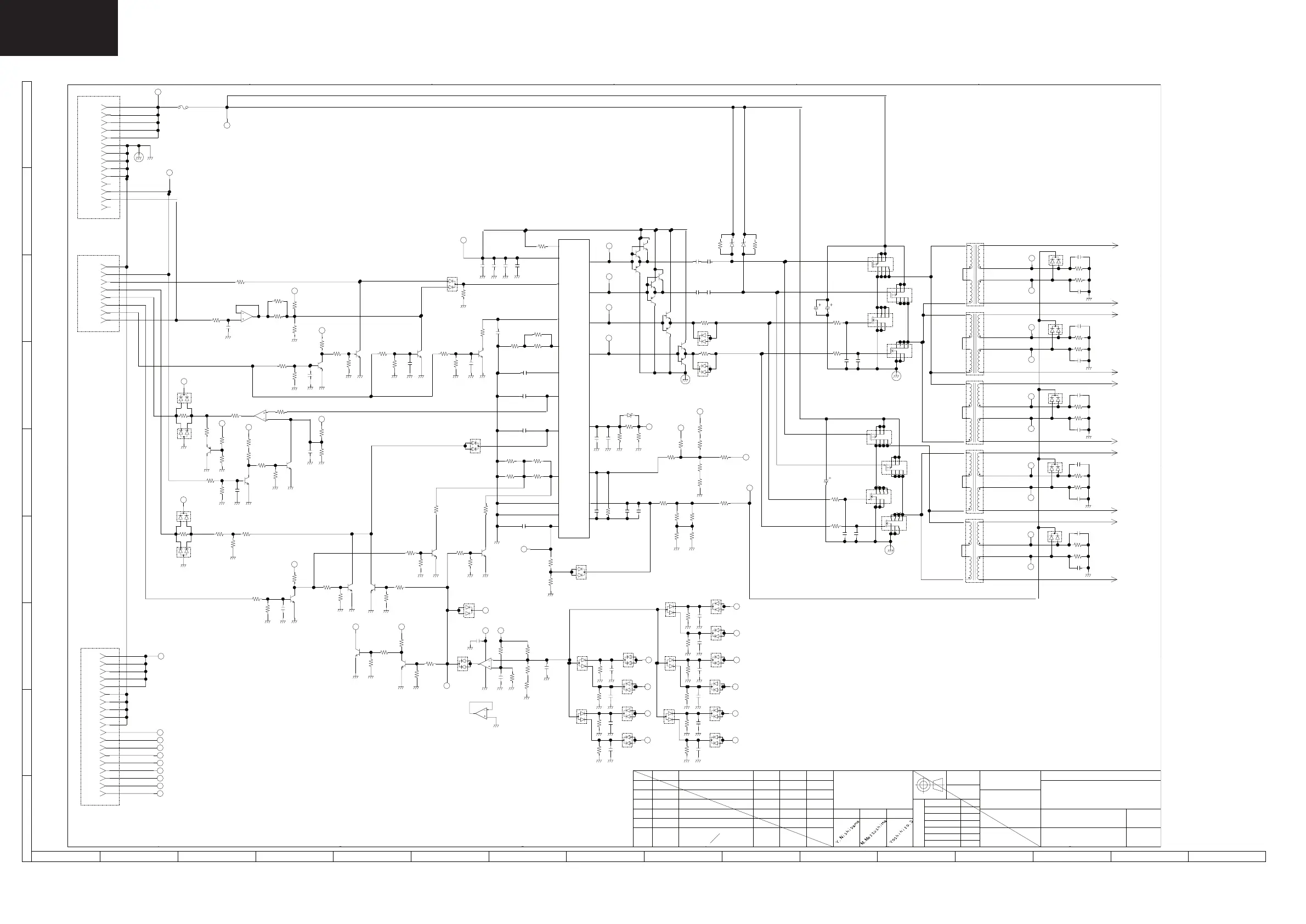
LC-37GD8, LC-37BT8 INVERTER Unit Diagram (RUNTKA216WJZZ)
1
2 3 4 5
6
7 8 9 10
11
12
13
14
15 16
I
H
G
F
E
D
C
B
A
DA T E
R E A SON
E CN NO .
ENGI NEER
CHE CK ED APPROVED
CHE CK EDAPPROVED
表面処理
± 0 . 5
REV .
SHEET
DRAWI NG NO.
PART NO . (MODEL NO. )
DESC R I PT I ON
DATE
F I N I SH
ベア
HE AT TREAT
熱処
表面
SURF . ROUGH .
MA T E R I AL
材質
D RAWN
± 0 . 8
± 0 . 5
± 0 . 3
± 0 . 2
± 0 . 1
公差
D E G
角度
2 5 0 L 1 0 0 0
6 3
L 2 5 0
1 6 L 6 3
4 L 1 6
L 4
L
寸法
TOL
S C A L E
尺度
U N I T
単位
MI NEBEA CO . , LTD .
MA R K
1
1
2
2
3
3
4
4
5
5
6
6
D D
C C
B B
A A
GND
GND
Vc c
Re g
I s e n
STB
VB 1
VB 2
VA 1
VA 2
OVP
GND
V i n
GND
GND
1
10
3
4
12
7
2
9
13
7
8
8
5
2
6
3
1 4
1 3
11
9
1 0
1 2
1 1
5
- 4 / 4
R7 6 0 6
12
I C7 5 0 2
6
7
C7 5 5 5
R7 5 9 4
R7 5 9 5
D
C7 5 4 7
R7 6 0 1
R7 6 0 0
C7 5 5 3
D7 5 2 7
C7 5 4 6
B
D7 5 1 8
D7 5 1 9
C
R7 5 9 3
C7 5 4 5
C7 5 5 2
D7 5 2 4
D7 5 2 5
D7 5 3 0
R7 5 9 9
C7 5 5 1
J
H
I
U8 4PC-E1002 221
1/ 1IM3 82 6- 1
C i r cu i t D i a g r am
13 /MAR/ ' 06
-
V i n
V i n
V i n
V i n
CN7 5 0 3
1 8
1 5
1 9
6
1 7
1 6
1
Q7 5 0 5
C7 5 1 9
R7 5 6 0
R7 5 6 1
2
3
R7 5 5 8
D7 5 0 5
R7 5 6 2
2
2
D7 5 0 4
C7 5 2 0
R7 5 7 5
R7 5 5 6
R7 5 5 7
R7 5 7 8
R7 5 5 9
R7 5 7 2
1
2
3
Q7 5 1 0
D7 5 0 7
R7 5 7 3
R7 5 7 4
R7 5 7 7
3
2
1
2
3
Q7 5 1 2
1
Q7 5 1 1
R7 5 7 6
R7 6 1 4
3
R7 6 1 2
R7 6 1 3
R7 5 7 1
D7 5 0 6
1 3
1 4
1 2
I C 7 5 0 2
R7 5 8 1
14
- 3 / 4
REG
BRT
REG2
ERR
OSC
OF L
STB
SGND
CN7 5 0 2
2
C7 5 1 5
C7 5 1 6
R7 5 4 7
R7 5 4 8
7
5
8
6
R7 5 4 2
R7 5 4 3
I C 7 5 0 2
R7 5 4 4
2
2
1
3
R7 5 4 6
R7 5 4 5
- 2 / 2
1
4
2
3
R7 5 3 9
2
3
1
Q7 5 3 2
Q7 5 3 1
R7 6 1 0
R7 6 0 7
R7 6 1 1
3
R7 6 0 8
1
2
R7 6 0 9
- 1 / 4
1 0
I C 7 5 0 2
C7 5 5 6
9
8
1 1
D7 5 3 1
R7 6 0 5
4
1
R7 5 6 4
5
1
2
2
R7 5 6 8
2
2
4
D7 5 3 2
3
3
3
Q7 5 0 6
R7 5 6 3
R7 5 6 6
R7 5 6 7
1
2
3
Q7 5 0 8
R7 5 6 5
Q7 5 0 7
R7 5 6 9
Q7 5 0 9
R7 5 7 0
1
3
2
R7 6 0 4
D7 5 2 6
R7 6 0 3
R7 6 0 2
C7 5 5 4
D7 5 1 6
R7 5 9 2
A
D7 5 1 7
C7 5 4 4
D7 5 2 3
D7 5 2 9
C7 5 4 9
D7 5 2 2
R7 5 9 8
C7 5 5 0
R7 5 9 7
D7 5 2 8
C7 5 4 8
D7 5 2 1
D7 5 2 0
R7 5 9 6
R7 5 0 7
3
R7 5 0 6
D7 5 0 2
G
E
F
C7 5 3 3 C7 5 3 2
R7 5 1 2
R7 5 1 3
C7 5 2 1
R7 5 8 0
R7 5 1 1
R7 5 1 0
R7 5 7 9
3
D7 5 0 3
7
1 5
4
F / B
GND
SG
RE G
C7 5 0 6
I
8
C7 5 1 0C7 5 0 8
R7 5 1 4
C7 5 0 9
1 0
R7 5 2 4
R7 5 2 5
R7 5 2 3
R7 6 1 5
R7 5 2 2
R7 5 2 6
R7 5 0 8
R7 5 0 9
RT
6
V
R7 5 3 0
C7 5 1 4
C7 5 1 3
9
R7 5 2 0
R7 5 1 5
R7 5 2 1
R7 5 1 6
R7 5 1 7
R7 5 1 9
C7 5 1 1
1 2
C7 5 0 7
OVP
5
SS
CT
1 4
R7 5 2 9
R7 5 2 8
D7 5 0 8
4
R7 5 1 8
3
14
11
R7 5 3 7
R7 5 3 8
8
2
3
7
6
1
4
5
1
4
5
8
Q7 5 2 7
3
2
7
6
5
Q7 5 2 8
C7 5 2 8
4
5
7
8
Q7 5 2 9
6
2
8
3
7
6
1
5
Q7 5 3 0
1
4
3
2
R7 5 4 9
1
2
3
R7 5 5 0
1
2
3
Q7 5 0 2
Q7 5 0 1
R7 5 5 1
Q7 5 0 3
1
2
3
R7 5 5 2
R7 5 5 4
R7 5 5 3 C7 5 1 7
1
2
3
Q7 5 0 4
C7 5 1 8
R7 5 0 5
R7 5 5 5
2
C7 5 0 5R 7 5 0 2
R7 5 0 1
C7 5 0 3
D7 5 0 1
C7 5 0 4
2
C7 5 0 2
R7 5 0 3
1 3
VB1
C7 5 1 2
CP
BRT
3
10
1 6
Q7 5 1 3
R7 5 3 1
Q7 5 1 9
D7 5 0 9
1
2
3
1
2
3
D7 5 1 0
R7 5 0 4
2
VA2
VB2
BCT
9
1 8
2
Q7 5 2 1
Q7 5 2 0
1 7
Q7 5 1 4
1
R7 5 3 2
2
3
1
2
3
1
3
1
2 0
R7 5 2 7
1 1
VA1
C7 5 0 1
1
Du t y
Vc c
ST
2
1
Q7 5 2 2
1 9
Q7 5 1 5
2
3
1
2
3
7
1
2
3
Q7 5 1 7
8
2
3
C7 5 2 3
R7 5 3 4
3
C7 5 2 2
1
C7 5 2 4 C7 5 2 5
Q7 5 1 6
C7 5 3 1
C7 5 3 0
R7 5 3 5
6
1
4
5
8
3
2
7
R7 5 3 6
C7 5 2 6 C 7 5 2 7
Q7 5 2 4
Q7 5 2 3
7
4
5
2
1
6
1
4
5
8
3
7
8
3
2
6
R7 5 3 3
Q7 5 2 6
1
4
5
Q7 5 2 5
8
3
2
7
6
7
4
3
2
6
5
R7 5 9 1
J
C7 5 4 3
R7 5 9 0
1
CN7 5 0 8
OUT ( H ) -
T7 5 0 5
7
4
1 0
6
1
I
D7 5 1 5
C7 5 4 2
C7 5 4 1
H
OUT ( H ) +
OUT ( H ) +
2
CN7 5 0 8
CN7 5 0 7
1
6
5
2
1
1 0
3
7
T7 5 0 4
D7 5 1 4
C7 5 4 0
R7 5 8 8
R7 5 8 9
G
CN7 5 0 7
OUT ( H ) -
OUT ( H ) -
1
2
2
4
5
3
R7 5 8 7
E
F
R7 5 8 6
C7 5 3 9
C7 5 3 8
D7 5 1 3
CN7 5 0 6
7
4
5
6
1
T7 5 0 3
1 0
C7 5 3 7
R7 5 8 5
D
2
OUT ( H ) +
OUT ( H ) +
CN7 5 0 6
1
CN7 5 0 5
1 0
7
2
1
3
T7 5 0 2
6
C
D7 5 1 2
C7 5 3 6
B
R7 5 8 4
1
2
CN7 5 0 4
CN7 5 0 5
OUT ( H ) -
OUT ( H ) -
T7 5 0 1
4
5
1 0
3
2
1
R7 5 8 2
R7 5 8 3
D7 5 1 1
C7 5 3 4
C7 5 3 5
A
2
CN7 5 0 4
OUT ( H ) +
ON/OF F
BRT
N . C
GND
GND
GND
GND
GND
V i n
V i n
V i n
V i n
V i n
N . C
CN 7 5 0 1
1 2
1 3
1 4
7
9
8
1 1
1 0
6
13
4
1
3
2
6
5
14
F 7 5 0 1
I C7 5 0 1
Q7 5 1 8
ZD 7 5 0 2
ZD 7 5 0 1

Related product manuals