EasyManua.ls Logo

Sharp LC-32GD8EE - Page 80

Sharp LC-32GD8EE
169 pages
Print Icon
To Next Page IconTo Next Page
To Next Page IconTo Next Page
To Previous Page IconTo Previous Page
To Previous Page IconTo Previous Page
Loading...
80
LC-26GA5E
LC-32GA5E
LC-32/37GD8E/RU
LC-32/37BT8E/RU
2.4. IC201 (VHITDA9886+-1Y)
2.4.1. Block Diagram
2003 Oct 02 7
Philips Semiconductors Product specification
I
2
C-bus controlled single and multistandard
alignment-free IF-PLL demodulators
TDA9885; TDA9886
This text is here in white to force landscape pages to be rotated correctly when browsing through the pdf in the Acrobat reader.This text is here in
_white to force landscape pages to be rotated correctly when browsing through the pdf in the Acrobat reader.This text is here inThis text is here in
white to force landscape pages to be rotated correctly when browsing through the pdf in the Acrobat reader. white to force landscape pages to be ...
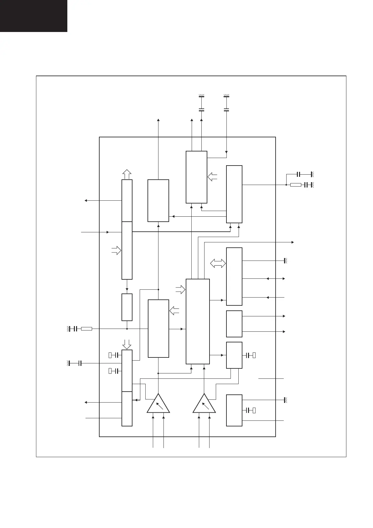
6 BLOCK DIAGRAM
handbook, full pagewidth
MHC108
DIGITAL VCO CONTROL AFC DETECTOR
RC VCO
VIF-PLL
VIF-AGC
TUNER AGC
SUPPLY SIF-AGC
AUDIO PROCESSING
AND SWITCHES
NARROW-BAND
FM-PLL DEMODULATOR
SINGLE REFERENCE QSS MIXER
INTERCARRIER MIXER
AND AM DEMODULATOR
SOUND CARRIER
TRAPS
4.5 to 6.5 MHz
TAGC
C
VAGC(pos)
C
AGC(neg)
C
BL
VAGC
(1)
TOP
14 (15)
VPLL
19 (21)9 (8) 16 (17) 15 (16) 21 (23)
4 (2)10 (9)
11 (10)
12 (11)18 (20)20 (22)
2 (31)
1 (30)
(18) 17
(7) 8
(3) 5
(4) 6
external reference signal
or 4 MHz crystal
REF AFC
AUD
CVBS
audio output
video output: 2 V (p-p)
[1.1 V (p-p) without trap]
C
AF
SIOMADSDASCL
MAD
V
P
C
AGC
(6, 12, 13, 14, 17,
19, 25, 28, 29, 32)
13
n.c.
AGND
7 (5)
DGND
OUTPUT
PORTS
I
2
C-BUS TRANSCEIVER
22 (24)3 (1)
OP1 OP2 FMPLL
DEEM
AFD
sound intercarrier output
and MAD select
FM-PLL
filter
VIF-PLL
filter
de-emphasis
network
VIF2
VIF1
24 (27)
23 (26)
SIF2
SIF1
TDA9885
TDA9886
Fig.1 Block diagram.
(1) Not connected for TDA9885.
Pin numbers for TDA9885HN and TDA9886HN in parenthesis.

Related product manuals