EasyManua.ls Logo

Sharp LC65LE541U - Page 77

Sharp LC65LE541U
100 pages
Print Icon
To Next Page IconTo Next Page
To Next Page IconTo Next Page
To Previous Page IconTo Previous Page
To Previous Page IconTo Previous Page
Loading...
5
5
4
4
3
3
2
2
1
1
D D
C C
B B
A A
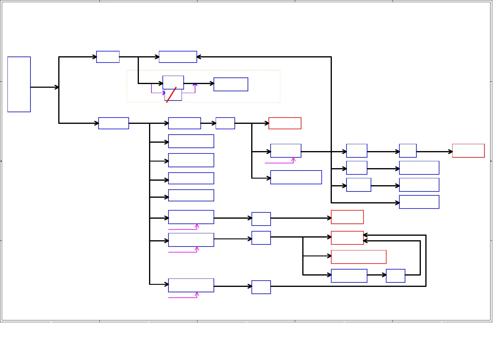
Power Tree
+0.5A(USB LOAD)
US1 (RESET IC)
APX810-44SAG-7
Imax=?A
Irms=?A
12V
DC ON Imax=?A
Ipeak=?A, AUDIO MAX
Irms=?A
PWR19
AC ON Imax=?A
?%
UP17
EUP3484
+1.8V_DDR2
U1
MSD8220LB
FBP2
BEAD
Imax=?mA
Irms=?mA
LP1
2.2uH
+3V3SB
FBL1
BEAD
U1
MSD8220LB
QP4
AP2309
STANDBY
Imax=?mA
Irms=?mA
+3.3V
DA6
SCS520S
UA2
DRV632PWR
UW1
NPCA110DA0YX
vol. 20
JP1
+12V
UP2
UA1
TAS5707LPHP
US4 (NOR FLASH)
W25Q32FVSSIG
UL2
4835P
5VSB
LVDSVDD
JL1/JL2
LVDS CONN
Imax=?A
Irms=?A
Imax=?mA
Irms=?mA
Imax=?mA-->STB
Irms=?mA-->STB
AUO 65"
UP15
G5695
PA1 SPDIF CONN
UP3
AP1117
UP16 G5695 LP2
2.2uH
Imax=?mA
Irms=?mA
?%
+1.2V
U1
MSD8220LB
+3V3SB
FBP10
BEAD
TUNER_3V3 UT3/UT4
TUNER
500mA
PU3 USB CONN
Imax=?mA
Irms=?mA
Imax=?mA
Irms=?mA
Imax=?mA
Irms=?mA
+12V
UP18 LA8013
+12V_ON_OFF
Imax=?mA
Irms=?mA
Imax=?mA-->STB
Irms=?mA-->STB
LP3
2.2uH
VCC3.3V
UM1
MST7438BA
UM2
MX25L8006EM2I-12G
UP19 LA8013
+12V_ON_OFF
LP7
2.2uH
UP4
AP1117EG-13
FBP3
80ohm
VCC1.8V
VCC1.15V
UH4 74HC4052PW

Related product manuals