EasyManua.ls Logo

Sharp SJ-XF50X-T - Page 52

Sharp SJ-XF50X-T
72 pages
Print Icon
To Next Page IconTo Next Page
To Next Page IconTo Next Page
To Previous Page IconTo Previous Page
To Previous Page IconTo Previous Page
Loading...
SJXF50XT
52
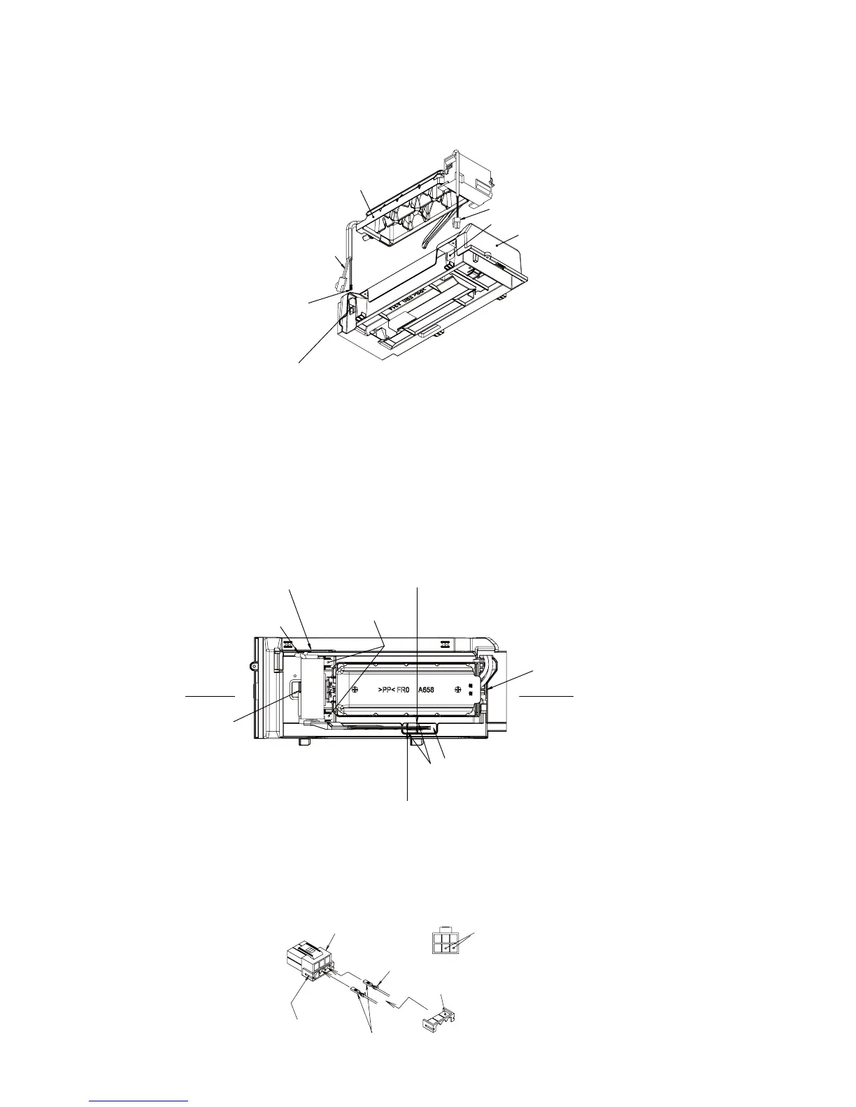
Get the harness of the ice make thermistor in the assembly Step 5 through the holes in front of and at the back 6.
of the I-grill.
Make sure to keep the end face of the protective tube next to the ice cube tray covered with the ice heater cover T.
(Do not pull the harness strongly.)
I-grill
Ice cube tray AT
harness(heater)
harness(heater)
Ice maker ass’y harness
hole A (front side hole)
hole B (back side hole)
Set the assembly Step 6 to I-grill.7.
Put the axis of the ice cube tray slightly into the hole of the I-grill. While releasing the front stopper, turn around
the front side of the harness of the ice maker ass'y so that it can be inserted into the hole of the I-grill.
After it is inserted, make sure to con rm that the stopper is securely in place.
Con rm that the tip of the ice sensor is in the release hole.
Make sure that there is at least 2.5mm space between the tip of the ice sensor and the release hole.
harness of
Ice maker ass’y
Legs of Ice
maker ass’y
axis of Ice cube tray AT
,
hole C (I-grill)
hole E (to release Ice senser)
hole D
more than 2.5mm
back side
front side
Stopper
clearance
clearance
Connet socket contact of thermistor to Ice cube maker ass’y to connector housing.8.
Check socket contact is securely inserted.
After inserting Socket contact, insert plate to Socket contact securely.
Plate
After inserting
Plate
Socket contact
Claw
Connector housing (white)
Hole No.5, No6

Related product manuals