EasyManua.ls Logo

Sharp SM-SX1 - Page 15

Sharp SM-SX1
56 pages
Print Icon
To Next Page IconTo Next Page
To Next Page IconTo Next Page
To Previous Page IconTo Previous Page
To Previous Page IconTo Previous Page
Loading...
SM-SX1/SX1W
– 15 –
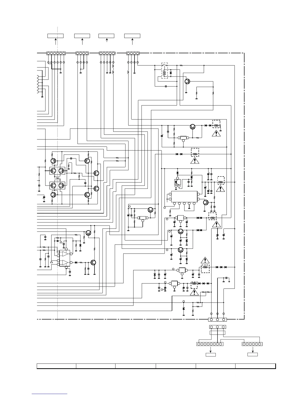
Figure 15 SCHEMATIC DIAGRAM (2/10)
7
8 9 10 11 12
0
1
2
3
4
5
–12V
–22V
AGND
+22V
P18 1-C
TO 1BIT AMP.
PWB
RESET
AGND
AGND
AGND
AGND
A L
A R
D R+
D R–
D L–
D L+
A-GND
A+5V
D-GND
D+5V
6
5
43214321
12345
1234
+24V
8
7
5
4
2 1
3
2
1
–24V
9
8
7
6
5
4
3
3
2
2
1
1
3
2
1
NC
3
2
1
NCNC
D
D
S
S
S S
S S
D
D
7
6
5
4
3
2
1
7
6
5
4
3
2
1
8
7
6
5
4
3
2
1
+
+
TP109
3
21
3
2
1
321
+22V
–22V
CHASSIS
GROUND
–10V
+10V
AGND
D
D
+B
-B
-B -B
-B
+B
+B
+B
+B
+B
+B
+B
+B
+B
+B
+B
+B
+B
+B
+B
+B
+B
+B
+B
+B
+B
+B
+B
+B
+B
+B
+B
+B
-B
+B
+B
+B
-B
-B
+B
+B
+B
+B
+B
+B
+B
+B
+B
+B
+B
+B
+B
+B
IC302: CD/CD CONVERTER
CNWAM2A
P18 1-A
TO 1BIT AMP.
PWB
CNWAM1A
P19 12-C
TO 1BIT AMP.
PWB
CNSA4
P19 12-A
TO 1BIT AMP.
PWB
CNWAM3A
3
2
1
12345678
UNT2
123456
UNT1
CNS302C
P22 4-E
P22 4-E
CNS302A
CORE
CNS302B
C356
KZ1250
C328
0.01
C326
33/35
D328
DAN202K
TP114
TP113
TP112
TP104
TP100
TP98
TP90
TP83
TP79
TP78
TP77
TP72
TP71
TP70
TP69
TP68
TP67
TP66
TP65
TP64
TP63
TP62
TP61
TP60
TP59
TP58
R316
2.7K
D324
1SR154
D325
1SR154
D326
1SR154
D327
1SR154
R390
4.7
R328
Q309
2SD2394F
C331
47/16
R329
3.3K
C332
0.001
R331
3.3K
IC306
NJM431U
R330
0.2
IC305
NJM79M12
THY301
SF3G48
IC302
TZ0775AF
R392
0.7
R317
470K
R393
2.2
C344
100/16
D308
1SR154
ZD302
MTZJ5.6B
Q311
2SC2412KR
R371
820
R373
1M
C341
0.01
CNP303
C308
220/35
C2412KR
C316
100/16
D307
1SR154
R314
22
C327
0.01
D311
1SR154
D310
1SR154
D313
1SR154
C353
0.0047
C347
0.0047
R319
1K
C313
10/25
D305
1SR154
R355
100K
Q310
2SA1037KR
R312
1K
R391
2.2
R348
82K
L302
220µH
R379
15K
Q315
2SA1036KR
ZD304
HZ5BLL
IC304
NJM78M12
C322
0.01
C315
100/16
ZD303
MTZJ5.6B
R382
8.2K
CNP304
IC307
NJM4558M
MOTOR DRIVE
C319
2200/35
C318
2200/35
C306
47/20
C307
0.01
0.01
C340
0.01
D323
DAN202K
R347
4.7K
R346
4.7K
CNP306
351
0/25
R369
270
R381
220
Q321
2SK389BL
Q317
2SC2412KR
ZD301
MTZJ160A
C311
0.22
D304
20E4FD
R396
8.2
C349
220P
R353
10K
R361
100
R349
82K
R397
8.2
C314
10/25
Q305
2SC2412KR
C342
0.01
R356
4.7K
C343
0.01
E
C324
10/25
C309
220/35
C2412KR
R324
22K
R323
22K
IC301
NJM431U
REGULATOR
R313
1K
R310
1.5K
D322
DAN202K
R350
10K
D315
1SR154
D314
1SR154
Q323
2SJ109BL
R377
15K
IC303
NJM78M05
Q327
2SJ74BL
Q325
2SK170BL
R365
390
R363
390
C339
0.1
R352
100K
R375
220
Q313
2SA1036KR
R307
0.1
C302
0.1
RLY303
C323
10/25
C312
0.22
R318
100K
R354
100K
CNP305
L301
220µH
L303
220µH
C321
0.01
C325
33/35
2K
2K
Q304
2SD2394F
R311
1.5K
C304
47/16
C305
0.001
10K
D312
1SR154
R325
22K
R359
1M
R367
390
C317
100/16
R315
1K
C310
0.01
C338
0.1
R351
100K
Q319
2SC2412KR
R326
22K
R327
6.8K
CNP302
R383
8.2K
R308
100K
Q303
2SC2412KR
D303
DAN202K
R309
2.7K
R320
1K
Q306
2SC3242
D306
1SR154
Q307
2SC3242
FROM AC/DC CONVERTER
1
1
TP76
TP75
TP74
TP73
IC304: +12V VOLTAGE
REGULATOR
IC304: -12V VOLTAGE
REGULATOR

Related product manuals