EasyManua.ls Logo

Sharp SM-SX1 - Block Diagram

Sharp SM-SX1
56 pages
Print Icon
To Next Page IconTo Next Page
To Next Page IconTo Next Page
To Previous Page IconTo Previous Page
To Previous Page IconTo Previous Page
Loading...
SM-SX1/SX1W
– 12 –
DIGITAL SIGNAL
ANALOG SIGNAL
RELAY CONTROL
PROTECT
3
13
13
3
7
8
10
1
6
4440
37
~
~
31
~
5
1
3
~
38
39
42
35
27 33
1
13
3
8
5
11
11
1
9 5
10
12
1
12
11
15
17
~
18
20
24
25
26
38
1
2
3
29 26 33 35 41 43
~
~~
1
3
~
11
17
~
5
13
J101
LINE2
LINE
OUT
RLY101
Q101
RLY102
Q102
RLY103
Q103
DIGITAL/ANALOG
CHANGE
RLY802
Q803
VOL301
MAIN
VOLUME
DIGITAL/ANALOG
CHANGE
RLY301,
RLY302
Q301
Q302
A
Q
I
C
A
B
IC102
INVERTER
74HC153F
IC103
BUFFER
AMP.
74HCT04F
1BIT TERMINAL
RX101
DIGITAL
IN-2
TX101
DIGITAL OUT
SOC101
IC800
DIGITAL
INTERFACE
RECEIVER
YM3436D
IC801
SAMPLING
RATE
CONVERTER
SM5844AF
IC803
1bit
CONVERSION
TDA1307
IC806
CONTROL
74ACT00F
IC811
TC7W74F
IC802
TC7W04F
IC807
SELECT
74ACT00F
IC804
CLOCK
SELECT
74ACT00F
IC805,IC809
WAVEFORM
RECTIFICATION
74HC74AF
RLY800
RLY801
Q801
Q802
Q803
IC907
SYSTEM
MICROCOMPUTER
IX2845AF
SW900~904
FUNCTION
IC903~
IC905
LED
DRIVER
BU2114F
LED900~904
LED905~907
INITIALIZATION
SACD
LINE1
J102
J103
DIGITAL
IN-1
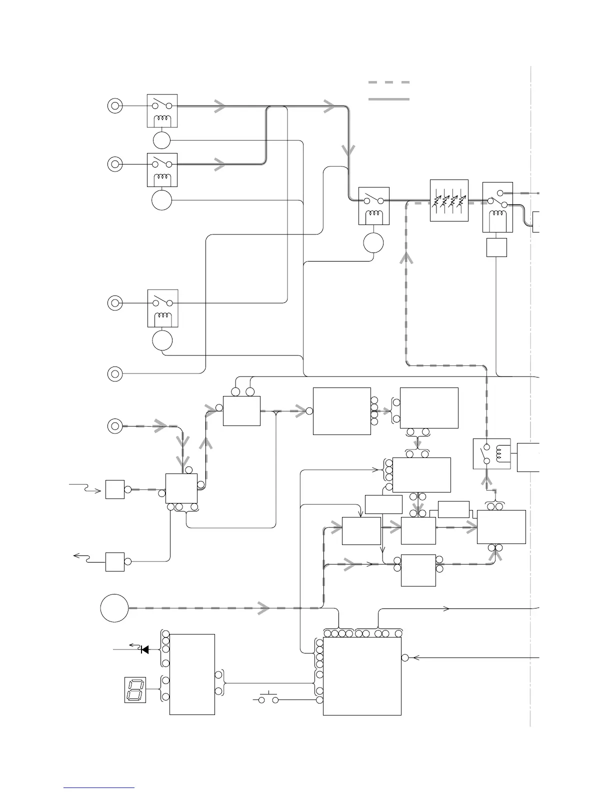
Figure 12 BLOCK DIAGRAM (1/2)

Related product manuals