EasyManua.ls Logo

Sharp W/DIVX Series - Page 30

Sharp W/DIVX Series
44 pages
Print Icon
To Next Page IconTo Next Page
To Next Page IconTo Next Page
To Previous Page IconTo Previous Page
To Previous Page IconTo Previous Page
Loading...
1
1
2
2
3
3
4
4
5
5
6
6
7
7
8
8
D D
C C
B B
A A
R97
2K2ohm-0402-±5%-1/16W
C90
30pF-0402-NPO-±5%-50V
R100
2K2ohm-0402-±5%-1/16W
R87
4K7ohm-0402-±5%-1/16W
R86
4K7ohm-0402-±5%-1/16W
C92
30pF-0402-NPO-±5%-50V
VGA_SDA
VGA_SCL
VS_VGA
HS_VGA
R83
75ohm-0402-±5%-1/16W
R91
75ohm-0402-±5%-1/16W
R94
75ohm-0402-±5%-1/16W
PC_HSIN
C78
NC/10pF-0402-NPO-±5%-50V
C84
NC/10pF-0402-NPO-±5%-50V
C89
NC/10pF-0402-NPO-±5%-50V
D10
AVLC18S02003
D6 NC/ICVL0518030FR
D8 NC/ICVL0518030FR
D9 NC/ICVL0518030FR
R96
100ohm-0402-±5%-1/16W
R98
100ohm-0402-±5%-1/16W
D11
AVLC18S02003
C87
30pF-0402-NPO-±5%-50V
C88
30pF-0402-NPO-±5%-50V
R103
12Kohm-0402-±5%-1/16W
R108 12Kohm-0402-±5%-1/16W
PC_ALI
PC_ARI
R107
8K2ohm-0402-±5%-1/16W
R105
8K2ohm-0402-±5%-1/16W
PC_ALIN
PC_ARIN
C97
0.47uF-0402-Y5V-+80%-20%-10V
C96
0.47uF-0402-Y5V-+80%-20%-10V
C
R
R1
L
L1
CN7
PJ-325
R89 12Kohm-0402-±5%-1/16W
R85
8K2ohm-0402-±5%-1/16W
AV1_R_INC80
0.47uF-0402-Y5V-+80%-20%-10V
AV1_RIN
R95 12Kohm-0402-±5%-1/16W
R93
8K2ohm-0402-±5%-1/16W
AV1_L_INC86
0.47uF-0402-Y5V-+80%-20%-10V
AV1_LIN
R88
75ohm-0402-±5%-1/16W
C81 100pF-0402-NPO-±5%-50V
R84
33ohm-0402-±5%-1/16W
C79
0.047uF-0402-X7R-±10%-16V
D7
NC/ICVL0518030FR
AV1_VIN AV1_CVBS_IN
1 2
D15
NC/ULCE0505A015FR
1 2
D16
NC/ULCE0505A015FR
USB0_DP
USB0_DM
C99
10uF-0805-Y5V-+80%-20%-10V
M_5V
R99
33ohm-0402-±5%-1/16W
C91
0.047uF-0402-X7R-±10%-16V
YPbPr_Pb_INYPbPr1_Pb
C94
1000pF-0402-X7R-±10%-50V
R102
33ohm-0402-±5%-1/16W
C95
0.047uF-0402-X7R-±10%-16V
YPbPr_SOG
YPbPr_Y_INYPbPr1_Y
R106
33ohm-0402-±5%-1/16W
C98
0.047uF-0402-X7R-±10%-16V
YPbPr_Pr_INYPbPr1_Pr
YPbPr1_Pr
D14 NC/ICVL0518030FRR109
75ohm-0402-±5%-1/16W
YPbPr1_Pb
D13 NC/ICVL0518030FRR104
75ohm-0402-±5%-1/16W
YPbPr1_Y
D12
NC/ICVL0518030FR
R101 75ohm-0402-±5%-1/16WC93
100pF-0402-NPO-±5%-50V
M_5V
F1
NC/FSMD110
R110
0ohm-1206-±5%-1/4W
USB5V
AV1_LIN
AV1_VIN
AV1_RIN
YPbPr1_Y
YPbPr1_Pb
YPbPr1_Pr
2
1
5
4
8
7
3
6
9
AV1
RCA-613QA-EP-07( - )(94-HB)
1
6
2
7
3
8
4
9
5
11
12
13
14
15
10
1716
CN6
WLHK-015A
VG_IN
PC_VSIN
VB_IN R92
33ohm-0402-±5%-1/16W
PC_BINC85
0.047uF-0402-X7R-±10%-16V
R90
33ohm-0402-±5%-1/16W
PC_GINC83
0.047uF-0402-X7R-±10%-16V
C82
1000pF-0402-X7R-±10%-50V
PC_SOG
R82
33ohm-0402-±5%-1/16W
PC_RINC77
0.047uF-0402-X7R-±10%-16V
VR_IN
POWER
1
DM
2
DP
3
GND
4
GND
5
GND
6
GND
7
GND
8
CN11
U2505M-04-E1WD-C
PIAV101
PIAV102
PIAV103
PIAV104
PIAV105
PIAV106
PIAV107
PIAV108
PIAV109
COAV1
PIC7701
PIC7702
COC77
PIC7801
PIC7802
COC78
PIC7901
PIC7902
COC79
PIC8001PIC8002
COC80
PIC8101
PIC8102
COC81
PIC8201
PIC8202
COC82
PIC8301
PIC8302
COC83
PIC8401
PIC8402
COC84
PIC8501PIC8502
COC85
PIC8601PIC8602
COC86
PIC8701
PIC8702
COC87
PIC8801
PIC8802
COC88
PIC8901
PIC8902
COC89
PIC9001
PIC9002
COC90
PIC9101PIC9102
COC91
PIC9201
PIC9202
COC92
PIC9301
PIC9302
COC93
PIC9401PIC9402
COC94
PIC9501PIC9502
COC95
PIC9601 PIC9602
COC96
PIC9701 PIC9702
COC97
PIC9801PIC9802
COC98
PIC9901
PIC9902
COC99
PICN601
PICN602
PICN603
PICN604
PICN605
PICN606
PICN607
PICN608
PICN609
PICN6010
PICN6011
PICN6012
PICN6013
PICN6014
PICN6015
PICN6016
PICN6017
COCN6
PICN70C
PICN70L
PICN70L1
PICN70R
PICN70R1
COCN7
PICN1101
PICN1102
PICN1103
PICN1104
PICN1105
PICN1106
PICN1107
PICN1108
COCN11
PID601
PID602
COD6
PID701
PID702
COD7
PID801
PID802
COD8
PID901
PID902
COD9
PID1001
PID1002
COD10
PID1101
PID1102
COD11
PID1201
PID1202
COD12
PID1301
PID1302
COD13
PID1401
PID1402
COD14
PID1501
PID1502
COD15
PID1601
PID1602
COD16
PIF101
PIF102
COF1
PIR8201 PIR8202
COR82
PIR8301
PIR8302
COR83
PIR8401 PIR8402
COR84
PIR8501PIR8502
COR85
PIR8601
PIR8602
COR86
PIR8701
PIR8702
COR87
PIR8801
PIR8802
COR88
PIR8901
PIR8902
COR89
PIR9001 PIR9002
COR90
PIR9101
PIR9102
COR91
PIR9201 PIR9202
COR92
PIR9301PIR9302
COR93
PIR9401
PIR9402
COR94
PIR9501
PIR9502
COR95
PIR9601
PIR9602
COR96
PIR9701
PIR9702
COR97
PIR9801
PIR9802
COR98
PIR9901 PIR9902
COR99
PIR10001
PIR10002
COR100
PIR10101
PIR10102
COR101
PIR10201 PIR10202
COR102
PIR10301
PIR10302
COR103
PIR10401
PIR10402
COR104
PIR10501
PIR10502
COR105
PIR10601 PIR10602
COR106
PIR10701
PIR10702
COR107
PIR10801
PIR10802
COR108
PIR10901
PIR10902
COR109
PIR11001
PIR11002
COR110
PIC7901
NLAV10CVBS0IN
PIC8601
NLAV10L0IN
PIAV104
PIR9302
NLAV10LIN
PIC8001
NLAV10R0IN
PIAV101
PIR8502
NLAV10RIN
PIAV107
PIC8101
PID701
PIR8401
PIR8802
NLAV10VIN
PIAV102
PIAV105
PIAV108
PIC7802
PIC8102
PIC8402
PIC8701 PIC8801
PIC8902
PIC9001
PIC9201
PIC9302
PIC9901
PICN605
PICN606
PICN607
PICN608
PICN6010
PICN6016
PICN6017
PICN70C
PICN70L1
PICN70R1
PICN1104
PICN1105
PICN1106
PICN1107
PICN1108
PID602
PID702
PID802
PID902
PID1002
PID1102
PID1202
PID1302
PID1402
PID1501 PID1601
PIR8302
PIR8801 PIR8901
PIR9102
PIR9402 PIR9502
PIR9701
PIR10001
PIR10102
PIR10301
PIR10402
PIR10801
PIR10902
PICN6013
PID1101
PIR9802
PIR10002
NLHS0VGA
PIC9902
PIF101
PIR8601 PIR8701
PIR11001
NLM05V
PIC7702PIR8202
PIC7902
PIR8402 PIC8002PIR8501
PIR8902
PIC8302PIR9002
PIC8502PIR9202 PIC8602PIR9301
PIR9501
PIC9102PIR9902
PIC9502
PIR10202
PIC9601
PIR10302
PIR10501
PIC9701
PIR10701
PIR10802
PIC9802
PIR10602
PICN604
PICN609
PICN6011
PIC9702
NLPC0ALI
PICN70L
PIR10702
NLPC0ALIN
PIC9602
NLPC0ARI
PICN70R
PIR10502
NLPC0ARIN
PIC8501
NLPC0BIN
PIC8301
NLPC0GIN
PIC9202
PIR9801
NLPC0HSIN
PIC7701
NLPC0RIN
PIC8201
NLPC0SOG
PIC9002
PIR9601
NLPC0VSIN
PICN1102
PID1502
NLUSB00DM
PICN1103
PID1602
NLUSB00DP
PICN1101
PIF102
PIR11002
NLUSB5V
PIC8901
PICN603
PID901
PIR9201
PIR9401
NLVB0IN
PIC8202
PIC8401
PICN602
PID801
PIR9001
PIR9101
NLVG0IN
PIC8702
PICN6015
PIR8602
NLVGA0SCL
PIC8802
PICN6012
PIR8702
NLVGA0SDA
PIC7801
PICN601
PID601
PIR8201
PIR8301
NLVR0IN
PICN6014
PID1001
PIR9602
PIR9702
NLVS0VGA
PIAV106
PID1301
PIR9901
PIR10401
NLYPbPr10Pb
PIAV103
PID1401
PIR10601
PIR10901
NLYPbPr10Pr
PIAV109
PIC9301
PIC9402
PID1201
PIR10101
PIR10201
NLYPbPr10Y
PIC9101
NLYPbPr0Pb0IN
PIC9801
NLYPbPr0Pr0IN
PIC9401
NLYPbPr0SOG
PIC9501
NLYPbPr0Y0IN
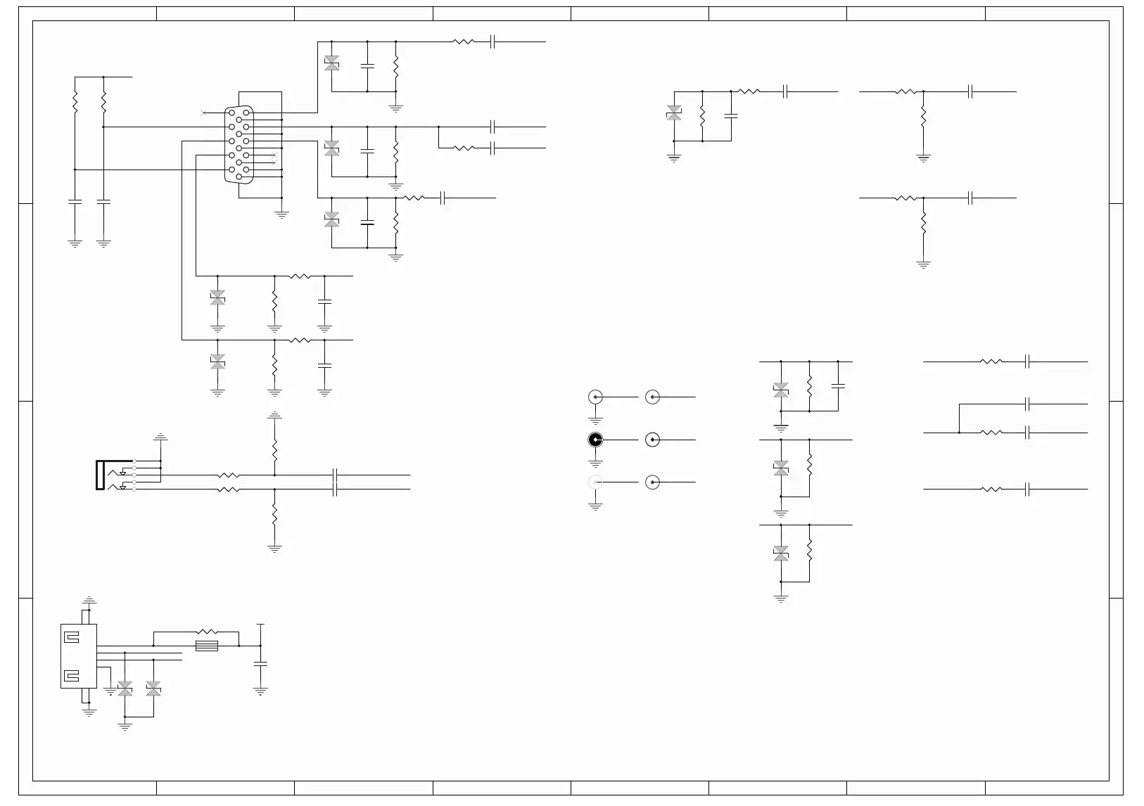
SCHEMATIC DIAGRAM (MAIN PCB BOARD)
H13

Related product manuals