EasyManua.ls Logo

Sharp W/DIVX Series - Page 31

Sharp W/DIVX Series
44 pages
Print Icon
To Next Page IconTo Next Page
To Next Page IconTo Next Page
To Previous Page IconTo Previous Page
To Previous Page IconTo Previous Page
Loading...
1
1
2
2
3
3
4
4
5
5
6
6
7
7
8
8
D D
C C
B B
A A
R112
220ohm-0402-±5%-1/16W
Q16
MMBT3904(f350MHz)
Q15
3CG3906M
R111
0ohm-0402-±5%-1/16W C100
1uF-0603-Y5V-+80%-20%-10V
R115
75ohm-04025%-1/16W
R116
33Kohm-0402-±5%-1/16W
R113
47Kohm-0402-±5%-1/16W
R117
120ohm-0402-±5%-1/16W
5V_AVOUT
R114
120ohm-0402-±5%-1/16W
CVBS_OUT
M_5V
C101
100pF-0402-NPO-±5%-50V
AV_OUT
R123
220ohm-0402-±5%-1/16W
Q18
MMBT3904(f350MHz)
C103
1uF-0603-Y5V-+80%-20%-10V
C102
0.1uF-0402-Y5V-+80%-20%-16V
C108
1uF-0603-Y5V-+80%-20%-10V
+
E11
100uF-16V-±2 0%-5×11-105
R130
47Kohm-0402-±5%-1/16W
+12VOFF
R132
5K6ohm-0402-±5%-1/16W
R124
33Kohm-0402-±5%-1/16W
R125
1Kohm-04025%-1/16W
R133220ohm-0402-±5%-1/16W
C106
1000pF-0402-X7R10%-50V
SCL_OUT/
12V_A
Q17
MMBT3904(f350MHz) C104
1uF-0603-Y5V-+80%-20%-10V
C105
1uF-0603-Y5V-+80%-20%-10V
C107
1000pF-0402-X7R10%-50V
R131
47Kohm-0402-±5%-1/16W R134
5K6ohm-0402-±5%-1/16W
R12633Kohm-0402-±5%-1/16W R127
1Kohm-04025%-1/16W
R135
220ohm-0402-±5%-1/16W
SCR_OUT/
12V_A
LINE_LOUT LINE_ROUT
R119
NC/0ohm-0402-±5%-1/16W
R118
NC/0ohm-0402-±5%-1/16W
R120
NC/0ohm-0402-±5%-1/16W
CVBS_OUT
LINE_ROUT
LINE_LOUT
D18
AVLC18S02003
D17
AVLC18S02003
12E10
100uF-16V-±2 0%-5×11-105
R128
1Kohm-04025%-1/16W
R129
1Kohm-04025%-1/16W
LINE_LOUT/ LINE_ROUT/
LINE_ROUT/ LINE_ROUT
LINE_LOUT/ LINE_LOUTR122
NC/0ohm-0402-±5%-1/16W
R121
NC/0ohm-0402-±5%-1/16W
SCL_OUT/
SCR_OUT/
CVBS_OUT
AV_OUT
LINE_LOUT
LINE_ROUT
160mA
RH27
499ohm-0402-±1%-1/16W
RH22
4K7ohm-0402-±5%-1/16W
HDMI2-DDC-SDA
HDMI2-DDC-SCL
HDMI1 -DDC-SD A
HDMI1 -DDC-SCL
HDMI-3V3
POW2
HDMI-3V3
POW1
HD MI-3V3
POW3
HDMI-3V3
HDMI2-HOTPLUG
HDMI1-HOTPLUG
RH24
100ohm-0402-±5%-1/16W
RH25
100ohm-0402-±5%-1/16W
HDMI3 -HOTPLUG
HDMI3 -DDC-SDA
HDMI3 -DDC-SCL
CH7
NC/1uF-0603-Y5V-+80%-20%-10V
CH6
NC/1uF-0603-Y5V-+80%-20%-10V
GND
GND
HDMI-3V3GND
POW-SINK
RH16
4K7ohm-0402-±5%-1/16W
RH17
4K7ohm-0402-±5%-1/16W
HDMI-3V3
CEX T
HDMI_SDA
HDMI_SCL
HDP2
1
SDA2
2
SCL2
3
B21
4
A21
5
POW2
6
B22
7
A22
8
GND
9
B23
10
A23
11
VCC
12
B24
13
A24
14
POW1
15
HPD1
16
I2C_RST
17
SDA1
18
SCL1
19
B11
20
A11
21
VCC
22
B12
23
A12
24
GND
25
B13
26
A13
27
NC
28
B14
29
A14
30
REXT
31
POWDN
32
SDA_CTL
33
SCL_CTL
34
I2C_ADDR
35
Y4
36
Z4
37
VCC
38
Y3
39
Z3
40
GND
41
Y2
42
Z2
43
HPD_SINK
44
Y1
45
Z1
46
SCL_SINK
47
SDA_SINK
48
POW_SIN K
49
HPD 3
50
SDA 3
51
SCL3
52
B31
53
A31
54
POW3
55
B32
56
A32
57
GND
58
B33
59
A33
60
VCC
61
B34
62
A34
63
CEX T
64
UH1
IT6633E-P/CX
RH23
NC/4K7ohm-04025%-1/16W
RH21
NC/100Kohm-0402-±5%-1/16W
RH18
NC/100Kohm-0402-±5%-1/16W
RH26
10Kohm-0402-±5%-1/16W
HDMI-3V3
RH19
100ohm-0402-±5%-1/16W
RH20
100ohm-0402-±5%-1/16W
NOTE3
NOTE6
CH8
NC/33pF-0402-NPO-±5%-50V
CH9
NC/33pF-0402-NPO-±5%-50V
HDMI-3V3
CH1
10uF-0805-Y5V-+80%-20%-10V
CH2 0.1uF-0402-Y5V-+80%-20%-16VCH3
0.1uF-0402-Y5V-+80%-20%-16V
CH4
0.1uF-0402-Y5V-+80%-20%-16V
CH5
0.1uF-0402-Y5V-+80%-20%-16V
LH1 120ohm-0603-±25 %
R H2 8
10Kohm-0402-±5 %-1/16W
HDMI1 -RXC-N
HDMI1 -RXC-P
HDMI1 -RX0-N
HDMI1 -RX0-P
HDMI1 -RX1-N
HDMI1 -RX1-P
HDMI1 -RX2-N
HDMI1 -RX2-P
HDMI2-RXC-N
HDMI2-RXC-P
HDMI2-RX0-N
HDMI2-RX0-P
HDMI2-RX1-N
HDMI2-RX1-P
HDMI2-RX2-N
HDMI2-RX2-P
HDMI3-RXC-N
HDMI3-RXC-P
HDMI3-RX0-N
HDMI3-RX0-P
HDMI3-RX1-N
HDMI3-RX1-P
HDMI3-RX2-N
HDMI3-RX2-P
TUNER_SCL
TUNER_SDA
CH10
NC/10uF-0805-Y5V-+80%-20%-10V
10uF
HDMI_RXC-
HDMI_RXC+
HDMI_RX0-
HDMI_RX0+
HDMI_RX1-
HDMI_RX1+
HDMI_RX2-
HDMI_RX2+
HDMI_HPD
HDMI_SCL
HDMI_SDA
HDMI_SDA'
HDMI_SCL'
RH4
NC/1Kohm-0402-±5 %-1/16W
HDMI1-5VIN
QH1
NC/PMBT3904
RH8
NC/4K7ohm-04025%-1/16W
RH5
NC/10Kohm-04025%-1/16W
RH11
NC/22ohm-0402-±5%-1/16W
RH12
NC/22ohm-0402-±5%-1/16W
1
3
5
78
6
4
2
RPH1
NC/4*0ohm-04025%-1/16W
1
3
5
78
6
4
2
RPH2
NC/4*0ohm-04025%-1/16W
HDMI1-5VIN
HDMI1-RXC-N
HDMI1-RXC-P
HDMI1-RX0-N
HDMI1-RX0-P
HDMI1-RX1-N
HDMI1-RX1-P
HDMI1-RX2-N
HDMI1-RX2-P
HDMI1-DDC-SDA
HDMI1-DDC-SCL
HDMI1-HOTPLUG/
HDMI_SDA
HDMI_SCL
HDMI_RXC-
HDMI_RXC+
HDMI_RX0-
HDMI_RX0+
HDMI_RX1-
HDMI_RX1+
HDMI_RX2-
HDMI_RX2+
HDMI_HPD
HDMI1-5VIN
HDMI1-DDC-SDA
HDMI1-DDC-SCL
HDMI1-HOTPLUG
POW1
RH9
10Kohm-0402-±5%-1/16W
RH10
10Kohm-0402-±5%-1/16W
HDMI2-5VIN
HDMI2-DDC-SDA
HDMI2-DDC-SCL
GND
GND
GND
RH7
0ohm-0402-±5%-1/16W
RH6
10Kohm-0402-±5%-1/16W
RH1
10Kohm-0402-±5%-1/16W
RH3
22Kohm-0402-±5%-1/16W
RH2
10Kohm-0402-±5%-1/16W
HDMI1-5VIN
HDMI1-DDC-SDA
HDMI1-DDC-SCL
GND
GND
HDMI1-HOTPLUG/
HDMI2-5VIN
HDMI2-DDC-SDA
HDMI2-DDC-SCL
HDMI2-HOTPLUG
POW2
GND
GND
GND
RH15
0ohm-0402-±5%-1/16W
RH13
22Kohm-0402-±5%-1/16W
RH14
10Kohm-0402-±5%-1/16W
GND
GND
HDMI2-HOTPLUG/
HDMI PS331 R 1K
HDMI PS331 R 1K
NOTE1
NOTE1
NOTE2
NOTE2
NOTE10
NOTE10
HDMI1-RXC-N
HDMI1-RXC-P
HDMI1-RX0-N
HDMI1-RX0-P
HDMI1-RX1-N
HDMI1-RX1-P
HDMI1-RX2-N
HDMI1-RX2-P
HDMI2-RXC-N
HDMI2-RXC-P
HDMI2-RX0-N
HDMI2-RX0-P
HDMI2-RX1-N
HDMI2-RX1-P
HDMI2-RX2-N
HDMI2-RX2-P
SHELL(GND)
20
SHELL(GND)
21
RX2+
1
GND
2
RX2-
3
RX1+
4
GND
5
RX1-
6
RX0+
7
GND
8
RX0-
9
RXC+
10
GND
11
RXC-
12
CEC
13
NC
14
SCL
15
SDA
16
GND
17
+5V
18
HPD
19
SHELL(GND)
22
SHELL(GND)
23
CN8
HHF-14B000-2SA
SHELL(GND)
20
SHELL(GND)
21
RX2+
1
GND
2
RX2-
3
RX1+
4
GND
5
RX1-
6
RX0+
7
GND
8
RX0-
9
RXC+
10
GND
11
RXC-
12
CEC
13
NC
14
SCL
15
SDA
16
GND
17
+5V
18
HPD
19
SHELL(GND)
22
SHELL(GND)
23
CN9
HHF-14B000-2SA
+3.3V_STB
2
1
4
3
6
5
AV3
AV3( )
PIAV301
PIAV302
PIAV303
PIAV304
PIAV305
PIAV306
COAV3
PIC10001
PIC10002
COC100
PIC10101
PIC10102
COC101
PIC10201
PIC10202
COC102
PIC10301 PIC10302
COC103
PIC10401 PIC10402
COC104
PIC10501 PIC10502
COC105
PIC10601
PIC10602
COC106
PIC10701
PIC10702
COC107
PIC10801 PIC10802
COC108
PICH101
PICH102
COCH1
PICH201
PICH202
COCH2
PICH301
PICH302
COCH3
PICH401
PICH402
COCH4
PICH501
PICH502
COCH5
PICH601PICH602
COCH6
PICH701PICH702
COCH7
PICH801
PICH802
COCH8
PICH901
PICH902
COCH9
PICH1001 PICH1002
COCH10
PICN801
PICN802
PICN803
PICN804
PICN805
PICN806
PICN807
PICN808
PICN809
PICN8010
PICN8011
PICN8012
PICN8013
PICN8014
PICN8015
PICN8016
PICN8017
PICN8018
PICN8019
PICN8020
PICN8021
PICN8022
PICN8023
COCN8
PICN901
PICN902
PICN903
PICN904
PICN905
PICN906
PICN907
PICN908
PICN909
PICN9010
PICN9011
PICN9012
PICN9013
PICN9014
PICN9015
PICN9016
PICN9017
PICN9018
PICN9019
PICN9020
PICN9021
PICN9022
PICN9023
COCN9
PID1701
PID1702
COD17
PID1801
PID1802
COD18
PIE1001PIE1002
COE10
PIE1101
PIE1102
COE11
PILH101 PILH102
COLH1
PIQ150B
PIQ150C
PIQ150E
COQ15
PIQ160B
PIQ160C
PIQ160E
COQ16
PIQ170B
PIQ170C
PIQ170E
COQ17
PIQ180B
PIQ180C
PIQ180E
COQ18
PIQH10B
PIQH10C
PIQH10E
COQH1
PIR11101PIR11102
COR111
PIR11201
PIR11202
COR112
PIR11301
PIR11302
COR113
PIR11401PIR11402
COR114
PIR11501PIR11502
COR115
PIR11601
PIR11602
COR116
PIR11701
PIR11702
COR117
PIR11801 PIR11802
COR118
PIR11901 PIR11902
COR119
PIR12001 PIR12002
COR120
PIR12101 PIR12102
COR121
PIR12201 PIR12202
COR122
PIR12301PIR12302
COR123
PIR12401
PIR12402
COR124
PIR12501
PIR12502
COR125
PIR12601
PIR12602
COR126
PIR12701
PIR12702
COR127
PIR12801PIR12802
COR128
PIR12901PIR12902
COR129
PIR13001
PIR13002
COR130
PIR13101
PIR13102
COR131
PIR13201
PIR13202
COR132
PIR13301
PIR13302
COR133
PIR13401
PIR13402
COR134
PIR13501
PIR13502
COR135
PIRH101PIRH102
CORH1
PIRH201PIRH202
CORH2
PIRH301
PIRH302
CORH3
PIRH401
PIRH402
CORH4
PIRH501
PIRH502
CORH5
PIRH601
PIRH602
CORH6
PIRH701
PIRH702
CORH7
PIRH801PIRH802
CORH8
PIRH901PIRH902
CORH9
PIRH1001PIRH1002
CORH10
PIRH1101PIRH1102
CORH11
PIRH1201PIRH1202
CORH12
PIRH1301
PIRH1302
CORH13
PIRH1401
PIRH1402
CORH14
PIRH1501
PIRH1502
CORH15
PIRH1601
PIRH1602
CORH16
PIRH1701
PIRH1702
CORH17
PIRH1801 PIRH1802
CORH18
PIRH1901 PIRH1902
CORH19
PIRH2001PIRH2002
CORH20
PIRH2101 PIRH2102
CORH21
PIRH2201
PIRH2202
CORH22
PIRH2301PIRH2302
CORH23
PIRH2401 PIRH2402
CORH24
PIRH2501PIRH2502
CORH25
PIRH2601
PIRH2602
CORH26
PIRH2701
PIRH2702
CORH27
PIRH2801
PIRH2802
CORH28
PIRPH101PIRPH102
PIRPH103PIRPH104
PIRPH105PIRPH106
PIRPH107PIRPH108
CORPH1
PIRPH201PIRPH202
PIRPH203PIRPH204
PIRPH205PIRPH206
PIRPH207PIRPH208
CORPH2
PIUH101
PIUH102
PIUH103
PIUH104
PIUH105
PIUH106
PIUH107
PIUH108
PIUH109
PIUH1010
PIUH1011
PIUH1012
PIUH1013
PIUH1014
PIUH1015
PIUH1016
PIUH1017
PIUH1018
PIUH1019 PIUH1020 PIUH1021 PIUH1022 PIUH1023 PIUH1024
PIUH1025
PIUH1026 PIUH1027 PIUH1028 PIUH1029
PIUH1030
PIUH1031 PIUH1032
PIUH1033
PIUH1034
PIUH1035
PIUH1036
PIUH1037
PIUH1038
PIUH1039
PIUH1040
PIUH1041
PIUH1042
PIUH1043
PIUH1044
PIUH1045
PIUH1046
PIUH1047
PIUH1048
PIUH1049PIUH1050
PIUH1051
PIUH1052PIUH1053PIUH1054PIUH1055
PIUH1056
PIUH1057PIUH1058PIUH1059PIUH1060PIUH1061PIUH1062
PIUH1063
PIUH1064
COUH1
PILH101
PIR12302
PIC10001
PIQ150E
PIR11101
PIR11202
PIR11302
NL5V0AVOUT
PIC10201
PIE1101
PIR12301
PIR12401 PIR12502
PIR12601
PIR12702
PIE1002
PIR11802
NLAV0OUT
PICH601
PICH701
PIUH1064
NLCEXT
PIAV301
PIC10101
PIR11501
PIR11801
NLCVBS0OUT
PIAV302
PIAV304
PIAV306
PIC10002
PIC10102
PIC10202
PIC10602
PIC10702
PICH102 PICH202 PICH302 PICH402 PICH502
PICH602
PICH702
PICH802 PICH902
PICN802
PICN805
PICN808
PICN8011
PICN8017
PICN8020
PICN8021
PICN8022
PICN8023
PICN902
PICN905
PICN908
PICN9011
PICN9017
PICN9020
PICN9021
PICN9022
PICN9023
PID1702
PID1802
PIE1102
PIQH10E
PIR11601
PIR11701
PIR13001 PIR13101
PIR13201 PIR13301
PIR13401
PIR13501
PIRH301
PIRH1301
PIRH1802
PIRH2102
PIRH2301
PIRH2602 PIRH2702 PIRH2801
PIUH109
PIUH1025
PIUH1041
PIUH1058
NLGND
PICN8018
PIRH101
PIRH201
PIRH402 PIRH501
PIRH601
NLHDMI105VIN
PICN8015
PIRH202
PIRH1102
PIUH1019
NLHDMI10DDC0SCL
PICN8016
PIRH102
PIRH1202
PIUH1018
NLHDMI10DDC0SDA
PIRH702
PIUH1016
NLHDMI10HOTPLUG
PICN8019
PIQH10C
PIRH401
PIRH701
NLHDMI10HOTPLUG0
PICN809
PIRPH204
PIUH1023
NLHDMI10RX00N
PICN807
PIRPH202
PIUH1024
NLHDMI10RX00P
PICN806
PIRPH108
PIUH1026
NLHDMI10RX10N
PICN804
PIRPH106
PIUH1027
NLHDMI10RX10P
PICN803
PIRPH104
PIUH1029
NLHDMI10RX20N
PICN801
PIRPH102
PIUH1030
NLHDMI10RX20P
PICN8012
PIRPH208
PIUH1020
NLHDMI10RXC0N
PICN8010
PIRPH206
PIUH1021
NLHDMI10RXC0P
PICN9018
PIRH901
PIRH1001
PIRH1402
NLHDMI205VIN
PICN9015
PIRH1002
PIUH103
NLHDMI20DDC0SCL
PICN9016
PIRH902
PIUH102
NLHDMI20DDC0SDA
PIRH1502
PIUH101
NLHDMI20HOTPLUG
PICN9019
PIRH1501
NLHDMI20HOTPLUG0
PICN909
PIUH107
NLHDMI20RX00N
PICN907
PIUH108
NLHDMI20RX00P
PICN906
PIUH1010
NLHDMI20RX10N
PICN904
PIUH1011
NLHDMI20RX10P
PICN903
PIUH1013
NLHDMI20RX20N
PICN901
PIUH1014
NLHDMI20RX20P
PICN9012
PIUH104
NLHDMI20RXC0N
PICN9010
PIUH105
NLHDMI20RXC0P
PIUH1052
NLHDMI30DDC0SCL
PIUH1051
NLHDMI30DDC0SDA
PIUH1050
NLHDMI30HOTPLUG
PIUH1056
NLHDMI30RX00N
PIUH1057
NLHDMI30RX00P
PIUH1059
NLHDMI30RX10N
PIUH1060
NLHDMI30RX10P
PIUH1062
NLHDMI30RX20N
PIUH1063
NLHDMI30RX20P
PIUH1053
NLHDMI30RXC0N
PIUH1054
NLHDMI30RXC0P
PICH101 PICH201 PICH301 PICH401 PICH501
PICH1001
PILH102
PIRH1601
PIRH1701
PIRH2202
PIUH1012
PIUH1022
PIUH1038
PIUH1061
NLHDMI03V3
PIRH502
PIRH801
PIRH2101
PIUH1044
NLHDMI0HPD
PIRPH201
PIUH1042
NLHDMI0RX00
PIRPH203
PIUH1043
NLHDMI0RX00
PIRPH105
PIUH1039
NLHDMI0RX10
PIRPH107
PIUH1040
NLHDMI0RX10
PIRPH101
PIUH1036
NLHDMI0RX20
PIRPH103
PIUH1037
NLHDMI0RX20
PIRPH205
PIUH1045
NLHDMI0RXC0
PIRPH207
PIUH1046
NLHDMI0RXC0
PIRH1101
PIRH1702
PIRH2001
NLHDMI0SCL
PIRH2002
PIUH1047
NLHDMI0SCL'
PIRH1201
PIRH1602
PIRH1902
NLHDMI0SDA
PIRH1901
PIUH1048
NLHDMI0SDA'
PIAV303
PIC10302
PIC10601
PID1701
PIR12001
PIR12202
PIR13002
NLLINE0LOUT
PIC10802
PIQ180B
PIR12201
PIR12402
PIR13202
NLLINE0LOUT0
PIAV305
PIC10402
PIC10701
PID1801
PIR11901
PIR12102
PIR13102
NLLINE0ROUT
PIC10502
PIQ170B
PIR12101
PIR12602
PIR13402
NLLINE0ROUT0
PIR11102
PIC10301
PIQ180C
PIR12501
PIC10401
PIQ170C
PIR12701
PIC10501PIR12901PIC10801PIR12801
PICH801
PIRH2502
PIUH1033
PICH901
PIRH2401
PIUH1034
PICH1002
PIRH2601
PIUH1017
PICN8013
PICN8014
PICN9013
PICN9014
PIE1001
PIQ160B
PIR11301
PIR11602
PIQ150B
PIQ160C
PIR11201
PIQ150C
PIR11401 PIR11502
PIQ160E
PIR11402
PIR11702
PIQ170E
PIR13502
PIQ180E
PIR13302
PIQH10B
PIRH802
PIRH2201
PIRH2302
PIUH1035
PIRH2701
PIUH1031
PIRH2802
PIUH1032PIUH1028
PIRH302
PIRH602
PIUH1015
NLPOW1
PIRH1302
PIRH1401
PIUH106
NLPOW2
PIUH1055
NLPOW3
PIRH1801
PIUH1049
NLPOW0SINK
PIR12002
PIR12802
NLSCL0OUT0
PIR11902
PIR12902
NLSCR0OUT0
PIRH2402
NLTUNER0SCL
PIRH2501
NLTUNER0SDA
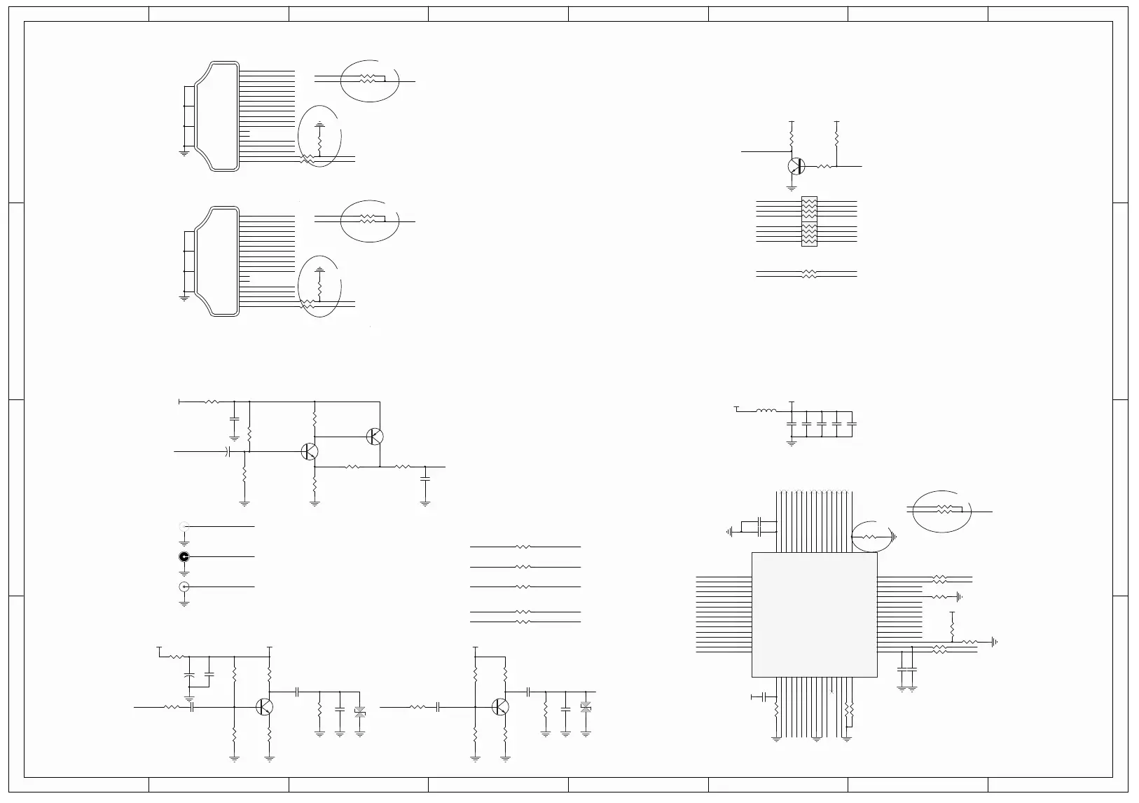
SCHEMATIC DIAGRAM (MAIN PCB BOARD)
H14

Related product manuals