EasyManua.ls Logo

Sharp XL 1700 - Executive Microsystem - Page 20

Sharp XL 1700 - Executive Microsystem
56 pages
Print Icon
To Next Page IconTo Next Page
To Next Page IconTo Next Page
To Previous Page IconTo Previous Page
To Previous Page IconTo Previous Page
Loading...
XL-1700/1700C
– 20 –
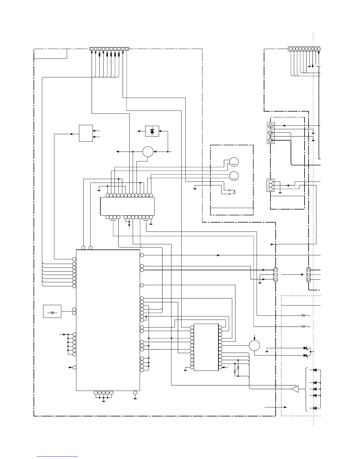
Figure 20 BLOCK DIAGRAM (2/3)
Q801
Q802
GVSW
FEO
FEN
VRO
RFRP
RFIS
RFGO
RFGC
AGCI
RFO
RFN
GND
RFDC
TEO
TEN
TEBC
SEL
LDO
MDI
TN1
TPI
FPI
FNI
VCC
HEAD AMP.
IC802
TA2157F
SERVO/SIGNAL CONTROL
IC801
TC94A14F
DOUT
TERMINAL
PWB
AVSS
DVSS
DVSS
TESIN
XVSS
DVSL
TMAX
RFI
RFCT
LPFN
LPFO
PVREF
VREF
X801
16.93MHz
XO
XI
DVDD
PDO
AVDD
DVDD
VDD
XVDD
AVDD
SEL
RFGC
TEBC
FOO
TRO
TEI
TEZI
RFRP
FEI
SBAD
SWITCHING
R-CH
L-CH
VIDEO/AUX
INPUT
SUB WOOFER
OUT
+B1
FROM
DISPLAY PWB
FOCUS/
TRACKING/
SPIN/SLED
DRIVER
1234
5
6
7
8
9
4
10111213
16 26 27 19 21 22 23 24 25 17 18 28
PO1–
PO1+
VO4+
VO4–
VIN3
VG3
VCC
VCC
BIAS
VG4
VIN4
VO3+
VO3–
OPO
VO2-
VO2+
VIN2
VG2
GND
GND
GND
MUTE
REG O
TRB
VG1
VIN1
VO1+
VO1–
IC803
MM1469PH
SPINDLE
MOTOR
SLED
MOTOR
PICKUP IN
SP+
SP–
SL+
SL–
PU-IN
GND
FO
TR
+
+
M
M
CD MOTOR PWB
M701
M702
SW702
7.3V
3.3V
+B1
+B6
+B2
+B4
+B5
+B6
+B5
A
C
B
F
E
+B6
+B5
+B5
+B6
LD
MON
FOCUS COIL
1/2V
5V
TRACKING COIL
CD PICKUP U
N
23
24
22
21
20
19
18
17
14
26
24
20
19
18
16
35
38
36
37
33
34
31
32
29
28
30
16
15
13
12
11
10
9
8
7
6
5
4
3
2
1
DIGITAL
OUT
3
2
1
J801
4041
FMO
DMO
63
57
62
61
60
59
58
46
47
BUS0
51
DVDD
BUS1
BUS2
BUS3
BUCK
CCE
RST
53
50
RO
LO
6
15
25
39
43
48
64
7 22424445 54
A_GND
GND
GND
M_GND
+B4
VOLTAGE
REGULATOR
ZD801
Q808
Q809
Q810
ZD802
SO401
10 9 8 7 6 5 4 3 2 1
GVSW
PU_IN
BUS0
BUS1
BUS2
BUS3
BUCK
CCE
CD_RES
CD_STB
3
2
1
2
3
1
CD_L
A_GND
A
CD_R
CD_L
CD_R
2 3 4 5 6 7 8 9
10 11
A_GND
TUN R
TUN L
D_GND
A_12V
DO
FM ST
SD
DI
CL
CE
FROM
TUNER PWB
CNP704
CNW803 CNP803
CNP301
CD PWB

Related product manuals