EasyManua.ls Logo

Sharp XL-HP515 - Block Diagram; Chapter 4. Diagrams

Sharp XL-HP515
68 pages
Print Icon
To Next Page IconTo Next Page
To Next Page IconTo Next Page
To Previous Page IconTo Previous Page
To Previous Page IconTo Previous Page
Loading...
XL-HP515
4 – 1
AudioXL-HP515Service ManualXLHP515MarketE
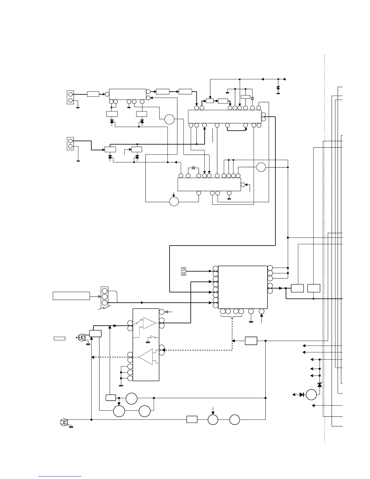
CHAPTER 4. DIAGRAMS
[1] BLOCK DIAGRAM
+B5
+B5
+B5
+B10
M
+B8(D_+5V)
+B9(SW_+5V)
+B_PROTECT
+B7(A_+5V)
VIDEO/AUX
R
L
R
L
ATT
ñ20dB
Q108
REC/PLAY
CLK
CE
DI
L
R
BIAS
MUTING
AC BIAS
L
L
R
R
R
L
TAPE
TUNER
CD
PB
CNP2
FROM CD SECTION
HEAD
ERASE
SWITCHING
SWITCHING
SWITCHING
BIAS
Q113
Q114
Q112
SWITCHING
OSC
BIAS
Q105
Q106
REC /P.B. HEAD
TAPE
R-CH
L-CH
AUDIO PROCESSOR
LC75341
R
L
REC
R
L
RREC
LREC
SWITCHING
L(TA)
R(TA)
/PLAYBACK AMP.
PLAYBACK AND RECORD
AN7345K
Q107
+B5
UN
S
SYSTEM
MUTE
17
3
1
2
2
7
18
4
21
13
16
9
23
2
21
13
12
14
16
11
1
4
9
10
15
3
24
12
15
11
718 8 23
+B5
+B4
H/N
P.B
REC
A_+10V
LD_+8V
FM/AM
OUT
R
L
FM/AM
MPXIN
MO/ST
VCO
FM
DET
FM+B
GND
AM IF
AM MIX
OUT
Q601
Q602 Q604
Q603
IC601
JK690
CNS2
Q104
Q101-
IC101
L103
Q111
Q110
Q109
Q851
FM+B
+B5
CLK
+B5
AM IF
OSC
BUFF
10.7 MHz
450 kHz
DO
DI
CE
MO/ST
SWITCHING
FM/AM
IC302
LC72131
PLL(TUNER)
STEREO
AM RF IN
AM OSC IN
AM OSC OUT
FM
Q360
Q361
VT
OSC
X352
4.5 MHZ
AM BAND
COVERAGE
AM
TRACKING
FM RF
FM OSC
FM IF
T303 T306
L312 T301
X351
456 kHz
ZD351
5.1V
CF351
IC303
LA1832S
FM IF DET.
FM MPX./AM IF
CF352
T351
CF302T302
Q302
BF301
B.P.F
9
10
18
5413
21
7
98517
6
21
21
20 22 11
17
1615
13
14
12
20
15
162324
4
7
+B5
384
1
9
6
5
7
AM LOOP
ANTENNA
FM ANTENNA
TERMINAL
CNP301
SO302
IC301
TA7358AP
FM FRONT END
+B6
2
1
Figure 4-1 BLOCK DIAGRAM (1/3)

Related product manuals