EasyManua.ls Logo

Sharp XL-HP700 - Sound Control Features; Volume and Bass Adjustment

Sharp XL-HP700
60 pages
Print Icon
To Next Page IconTo Next Page
To Next Page IconTo Next Page
To Previous Page IconTo Previous Page
To Previous Page IconTo Previous Page
Loading...
– 13 –
XL-HP700
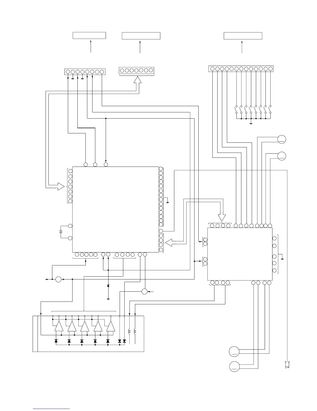
Figure 13 BLOCK DIAGRAM (1/3)
+5V
CNP6
MOB1
MAIN CAM MOTOR
MOB2
TRAY MOTOR
+
+3.3V
+3.3V
TO DISPLAY SECTION TO DISPLAY SECTION
TO MAIN SECTION
CONSTANT
VOLTAGE
Q2
LASER
DRIVER
+3.3V
Q1
PICKUP UNIT
IC1
LC78646E
CD SERVO
VDD
LDD
LDS
M
+
M
CNP5
CNP9
TRACKING COIL
FOCUS COIL
SW4
PICKUP IN
M2
SLED
MOTOR
M1
SPINDLE
MOTOR
M
M
XVDD
RVDD
LVDD
RFVDD
XL1
16.9344 MHz
CD RES
CL
DI
DO
CE
DRF
WRQ
+8V (+B4)
DGND (DRIVER)
+5V (+B8)
VCC2
VCC4
VCC1
IC2
M63001FP
FOCUS/TRACKING/
SPIN/SLED
DRIVER
XIN
XOUT
RES
WRQ
DO
DI
CLK
CE
TIN2
TIN1
FIN2
FIN1
TDO
FDO
SPDO
SLDO
CONT5
VDD5
LCHO
80
79
75
20
5
40
18
24
14
8
21
29
35
41
47
46
38
VVDD
77
10
987
15
12
17 25
22
23
41
42 39383736
4765
16
VCC3
28
26 27
1113 810 9 674523112
54
61
62
63
69
57
56
55
51
50
43
44
40
37
19
6
28
26
23
22
21
32716
312
+5V (+B7)
DGND
L-CH
6
4
5
AGND
R-CH
87
42
RCHO
45 68
64
65
66
DRF
67
48
49
ADAVDD
18
~~
ZD1
3.3V
+
+
+5V (+B7)
T_MOT_H/L
CAM_M–
CAM_M+
TRAY_M–
TRAY_M+
CAM4
CAM3
CAM2
CAM1
TRAY 4
TRAY 3
TRAY 2
TRAY 1
CAM4
CAM3
CAM2
CAM1
CD SET
CD IN
CD TRAY CLOSE
CD EJECT
SWB101
SWB102
SWB103
SWB104
SWB108
SWB107
SWB106
SWB105

Other manuals for Sharp XL-HP700

Related product manuals