EasyManua.ls Logo

Sharp XL-HP700 - Listening to a CD (CDs) (Continued); Track and Portion Locating

Sharp XL-HP700
60 pages
Print Icon
To Next Page IconTo Next Page
To Next Page IconTo Next Page
To Previous Page IconTo Previous Page
To Previous Page IconTo Previous Page
Loading...
XL-HP700
– 16 –
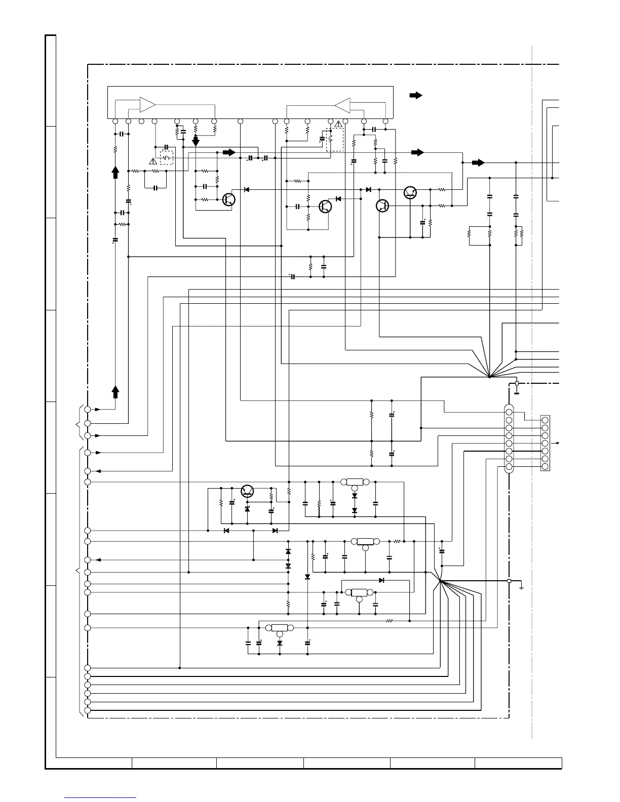
Figure 16 SCHEMATIC DIAGRAM (1/11)
A
B
C
D
E
F
G
H
1
23456
• NOTES ON SCHEMATIC DIAGRAM can be found on page 12.
12.6V
18V
+B
+B
+B
+B +B
+B
+B
+B
+B
+B
+B
+B
+B
+B
+B
+B
+B
+B
+B
+B
+B
+B
+B
P18 2 - E, P19 9,10 - H
TO MAIN PWB(2/3)
P18 2 - C
TO MAIN PWB(2/3)
3 1
3 1
3 1
3 1
2
2
2
2
+B2
(1/2W)
(1/2W)(1/2W) (1/2W)
L
R
R
L
L
R
SUB_B
UNSW_5.6V
FAN MOTOR 5V
(3W)
(3W)
(3W)
(3W)
(3W)
(3W)
(ML)
(ML)
(ML)
(ML)
7
6
5
4
3
8
2
1
151413121110
9
8 7 6 5 4 3 2 1
1
7
2
3
4
5
6
–B
–B
–B
L-CH
1
2
3
4
5
6
7
8
9
10
11
12
13
14
15
16
17
18
19
20
A_GND
R-CH
SP_RLY
SP_DET
M_+12.6V
CD_A_GND
CD_D_GND
M GND
APRO_GND
D_GND
TAPE_A_GND
UNSW5.6V
CD_GND
SW_+5V
A_+5V
D_+5V
+B_PROTECT
A_+10V
LD_+8V
(100 WATTS/CH)
CH1
OUT
OUT
CH2
CH2
CH1
+
+
(2CH)
+VCC
–VCC
R-CH
L-CH
LUG902(229)
LUG903(229)
CHASSIS
GND
CHASSIS
GND
0.22
10
0.22
0.22
0.22
10 10 10
47/50
56K
56K
56K
KTC3199 GR
KTC3199 GR
KTC3199 GR
0.022(ML)
1.5K
0.1
1.5K
DS1SS133
3P
56K
DS1SS133
22/16
1K
1K
470P
560
100/63
0.22
0.22
100
10/63
10/63
0.22
22K
100
100/63
0.22
0.22
3P
560
22/16
0.001
56K
0.22/50
1K
56K
470P
1K
KTC3199 GR
DS1SS133
1.5K
1.5K
0.1
0.022(ML)
56K
0.001
0.22/50
STK402-120
POWER AMP.
3300/63
3300/63
22K
22K
DS1SS133
DS1SS133
0.047
22K
22/50
KTC2026
DS1SS133
DS1SS133
DZ9.1BSB
22/50
22K
10/50
1
(1/2W)
220
DS1SS133
DS1SS133
GD1N4004
10K
47/25
22K
3.3
(1/2W)
KIA7810AP
3300/35
DS1SS133
47/25
0.1(ML)
0.1(ML)
0.1(ML)
0.1(ML)
0.1(ML)
220
KIA7805AP
AN78L05
DS1SS133
10/50
0.047
47/25
KIA7812AP
IC851,852,853,854
Constant Voltage Regulator
BI801
CNS801
C926
R941
C927
C929
C928
R940R956 R957
C925
R937
R936
R935
Q903
Q904
Q902
C912
R916
R914
R924
D906
C906
R908
D907
C910
R904
R910
C908
R912
C914
R920
R918
R922
C916
C915
C932
R925
R921
C913
R919
R917
C905
R911
C909
C903
R901
C901
R909
R907
C907
R903
Q901
D905
R923
R915
R913
C911
R902
C904
C902
IC901
C949
C948
R927
R926
D859
D858
C851
R854
C852
C864
IC855
D857
D852
ZD852
C863
R859
C865
R856
R860
D851
D853
D860
R852
C854
C853
R853
R857
C855
IC852
C856
D855
C857
C858
C859
R858
IC853
IC854
D856
C862
C861
C860
IC851
FM SIGNAL

Other manuals for Sharp XL-HP700

Related product manuals