EasyManua.ls Logo

Sharp XL-HP700 - Listening to a CD (CDs); Basic CD Playback Operation

Sharp XL-HP700
60 pages
Print Icon
To Next Page IconTo Next Page
To Next Page IconTo Next Page
To Previous Page IconTo Previous Page
To Previous Page IconTo Previous Page
Loading...
– 15 –
XL-HP700
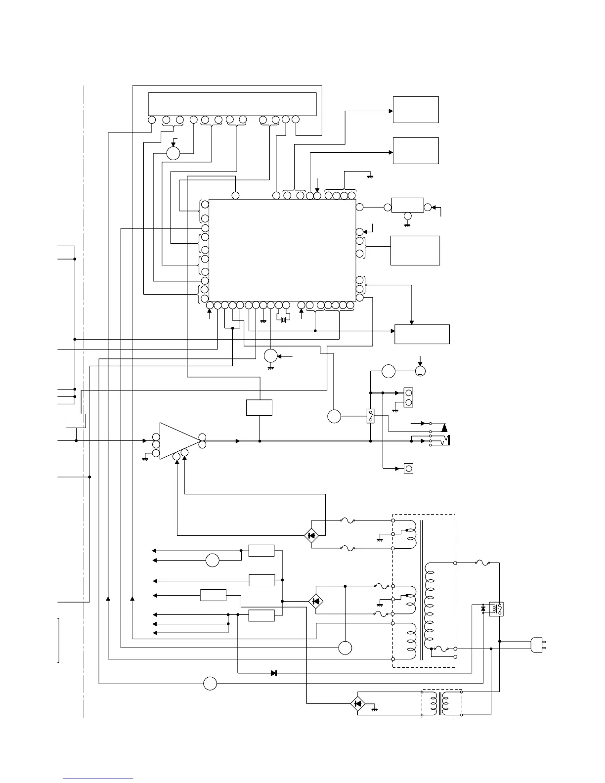
Figure 15 BLOCK DIAGRAM (3/3)
Q905
–VF
VF2
VF1
Q801
IC855
+B2
+B3
+B4
-B2
+B7
+B3
+B10
-
12
13
41
19
Q701
R
L
+B10
RX701
REMOTE
SENSOR
D803,
D804
D802
RL914
JK951
HEADPHONES
M971(212-3)
FAN
MOTOR
M
Q906
Q702
Q603
Q604
IC901
STK402-120
POWER AMP.
F804
2A 125V
VOLTAGE
REGULATOR
F803
2A 125V
F801
5A 125V
F802
5A 125V
F805
5A 125V
R-OUT
L-OUT
Q901~
Q904
CLK
SO901
SPEAKER
TERMINAL
34
C
/PLAY
VLOAD
RESET
+B10
+B10
+B10
+B10
+B9
VDD
VDD
VDD
~
CE
DI
DO
XL700
4.19403 MHz
BIAS
AVDD
SW701-SW708
SW712-SW728
KEY
TO CD SECTION
CNP5
CNP6
IC701
IX0578AW
SYSTEM
MICROCOMPUTER
FL701
FL DISPLAY
29
85
80
35
4514
93
15
92
124567
15
1
8
78
72
51
2
3
1
7
13
9
10
100
33
31
37
15
46
1112 1 0 16 1 7 20 2122 2324
41
79
38 91 4042
25 13
30
39
34
T.F.
PT801
MAIN POWER
TRANSFORMER
SYSTEM
MUTE
~
~
68 56
~
~
90
86
~
~
~
~
TAPE
MECHANISM
ASS'Y
TO CD
SECTION
RESET
SP DET.
SP RELAY
ON-OFF
FAN MOTOR
DRIVER
IC851
IC852
IC853
IC854
M_+12.6V
LD+8V
+B5
+B10
A_10V
UNSW_5.6V
+B7
+B8
+B9
D_5V
A_5V
SW_5V
IC852
KIA7810AP
CONSTANT
VOLTAGE
REGULATOR
IC851
KIA7812AP
CONSTANT
VOLTAGE
REGULATOR
IC853, IC854
CONSTANT VOLTAGE REGULATOR
VOLTAGE
REGULATOR
KIA7805AP
AN78L05
JK953
SUB
WOOFER
Q841
D855
8
RL841
AC POWER
SUPPLY CORD
AC 120 V, 60 Hz
PT841
SUB POWER
TRANSFORMER
D842~
D845
RELAY
DRIVER
AC_RLY
9

Other manuals for Sharp XL-HP700

Related product manuals