EasyManua.ls Logo

Sharp XL-HP700 - Setting the Clock; Clock Setting Procedure

Sharp XL-HP700
60 pages
Print Icon
To Next Page IconTo Next Page
To Next Page IconTo Next Page
To Previous Page IconTo Previous Page
To Previous Page IconTo Previous Page
Loading...
XL-HP700
– 14 –
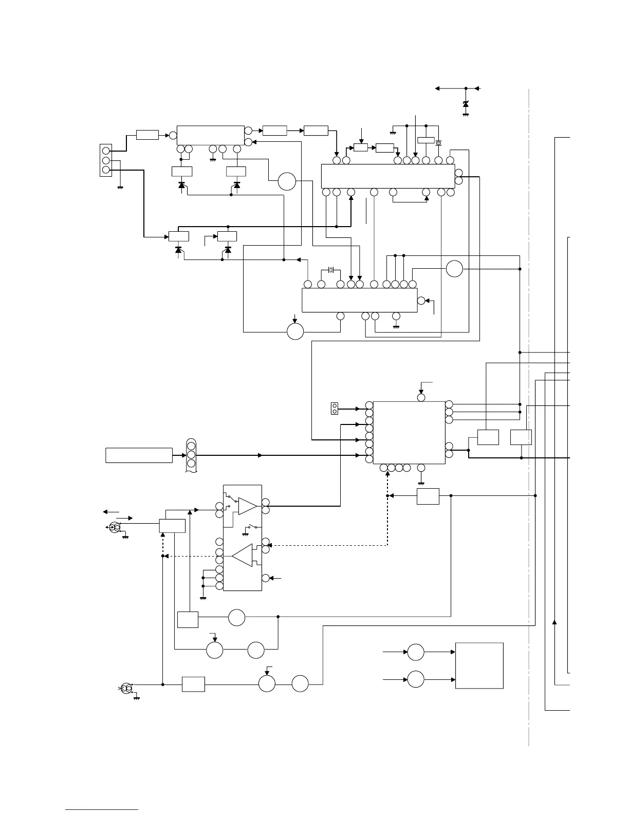
Figure 14 BLOCK DIAGRAM (2/3)
IC101
AN7345K
PLAYBACK AND RECORD
/PLAYBACK AMP.
–VF
VF1
AUX
R
L
R
L
JK690
VIDEO/AUX
FM+B
+B5
CLK
+B6
+B6
+B6
+B5
AM IF
OSC
BUFF
BI901
–20dB
ATT
Q101~
Q104
Q107
Q108
Q601
Q602
Q603
Q604
10.7 MHz
450 kHz
REC/PLAY
CLK
CE
DI
DO
DI
CE
MO/ST
SWITCHING
+B5
FM/AM
IC302
LC72131
PLL(TUNER)
FM/AM
OUT
L
R
BIAS
MUTING
P.B.
REC.
AC BIAS
L
L
R
R
R
L
TAPE
TUNER
CD
PB
CNP9
FROM CD SECTION
HEAD
ERASE
SWITCHING
SWITCHING
SWITCHING
BIAS
Q113
Q114
Q112
Q110
Q500
Q501
SWITCHING
Q109
BIAS
OSC
Q111
L103
Q105
Q106
REC./P.B.
HEAD
R-CH
L-CH
IC601
LC75341
AUDIO PROCESSOR
+B5
R
L
REC
R
L
R REC
L REC
POP REDUCE
SWITCHING
L
R
R
L
FM/AM
MPXIN
STEREO
AM RF IN
AM OSC IN
AM OSC OUT
FM
Q360
Q361
VT
OSC
X352
4.5 MHZ
AM BAND
COVERAGE
AM
TRACKING
FM RF
FM OSC
FM IF
T303 T306
L312 T301
X351
456 kHz
ZD351
5.1V
MO/ST
VCO
FM
DET
VCC
GND
AM IF
CF351
IC303
LA1832S
FM IF DET.
FM MPX./AM IF
AM MIX
CF352
T351
CF302T302
Q302
BF301
B.P.F
21
4
24
2
1
818 17
6
9
10
18
11
16
3
15
10
9
7
23
14
12
13
8
7
7
18
13
21
4
2
23
6
9
16
12
11
15
5413
21
7
98517
6
21
21
20 22 11
17
1615
13
14
12
20
15
162324
4
7
H/N
P.B
REC
T1/T2
T1/T2
NOR/
HIGH
+B5
+B5
+B5
SYSTEM
MUTE
C
TAPE
MECHANISM
ASS'Y
MOTOR
DRIVER
SOLENOID
DRIVER
+B3
+B3
384
1
9
6
5
7
FM/AM LOOP
ANTENNA
CNP302
IC301
TA7358AP
FM FRONT END
+B6
1
2
3

Other manuals for Sharp XL-HP700

Related product manuals