EasyManua.ls Logo

Sharp XL-MP130 - Configuring Timer Settings; Setting Playback or Recording Timers

Sharp XL-MP130
88 pages
To Next Page IconTo Next Page
To Next Page IconTo Next Page
To Previous Page IconTo Previous Page
To Previous Page IconTo Previous Page
Loading...
XL-MP130
6 – 9
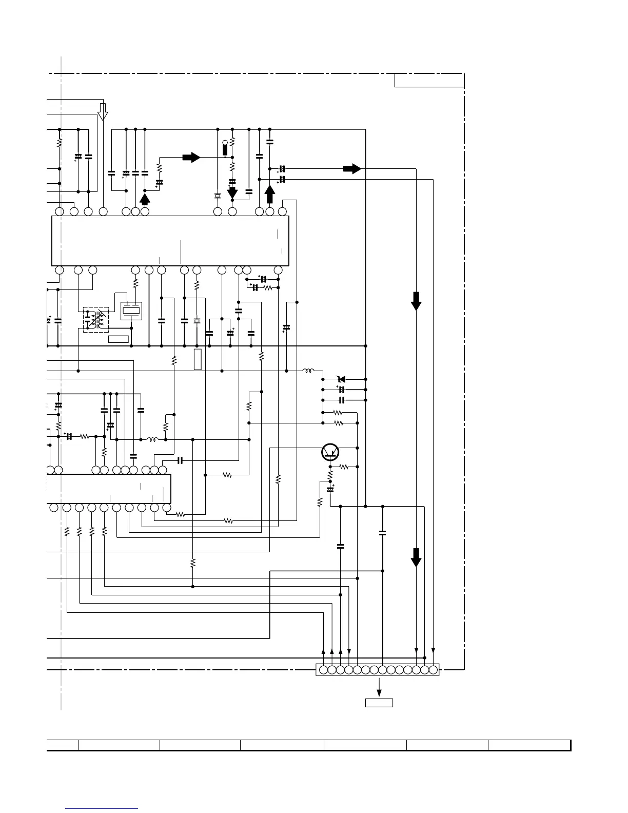
Figure 6-9 SCHEMATIC DIAGRAM (8/10)
7
8 9 10 11 12
FM IF DET./FM MPX./AM IF
2
5
21 20
34
6
7
8
91011
1213141516171819
123
4
5
6
78 9 1011 12
131415161718192021222324
D_GND
A_GND
A_+10V
TUN_L
TUN_R
DI
CLK
DO
CE
TO MAIN PWB(1/2)
6-3 11 - C
CONT
IF
FM/AM
FM/AM
SD
TP302
MO/ST
ST IND
MO/ST
VSS
AOUT
AIN
PD
VDD
FM IN
AM IN
DO
CL
DI
CE
XOUT
IF IN
REG
AM IF IN
GND
SD
STEREO
FM DET
VCC
IF OUT
PHASE
(FM/AM)
PHASE
L-CH OUT
R-CH OUT
MPX IN
MPX VCO
FM/AM OUT
VSM
AM LOW CUT
AM RF IN
AM OSC IN
FM AFC
AM OSC OUT
AM MIX OUT
FM IF IN
AM IF
1234567891011121314
1
2
3
FM IF
TUNER PWB-C
CNP303
100P
0.01
10/50
2.2K
1/50
1.5K
1K
1K
1K
0.001
47/16
10K
1K
0.022
0.001
0.001
100µH
22K
+B
+B
+B
+B
1K
4.7K
47K
330P
47K
31
0.022
0.022
1K
270
0.022
0.022
3.9K
2.2/50
1/50
3.3K
1/50
1K
100/10
0.001
22P(CH)
10.7MHZ
5.6K
LA1832S
10K
0.022
2.2/50
1/50
2.7K
456KHZ
1/50
1/50
470K
1K
1/50
27P
(CH)
0.015
0.015
5.6K
270
DZ5.1BSB
100/10
0.022
270
100µH
KTA1504 GR
5.6K
47/16
5.6K
1.8K
0.022
2.2/50
0.001
0.022
R)
C383
C385
C380
R379
C393
R380
R378
R373
R374
C387
C389
C388
C392
C394
R381
R372
L351
R386
R376
R360
CNS303
R395
C386
R377
2
C350
T351
CF352
C399
R352
R353
CF351
C354
C353
R388
C357
C358
R355
C370
R393
C398
C356
C355
R387
IC303
R365
C361
C362
8
C363
C364
C366
C365
C367
R350
X351
C371
C372
R357
R356
C368
C369
C374
C373
R383
R391
ZD351
C396
C395
R392
L352
Q360
R385
C391
R384
R359

Other manuals for Sharp XL-MP130

Related product manuals