EasyManua.ls Logo

SHOWTEC ColorCue 3 - Top View - Modes;Functions Section

SHOWTEC ColorCue 3
24 pages
Print Icon
To Next Page IconTo Next Page
To Next Page IconTo Next Page
To Previous Page IconTo Previous Page
To Previous Page IconTo Previous Page
Loading...
6
Order code: 50705
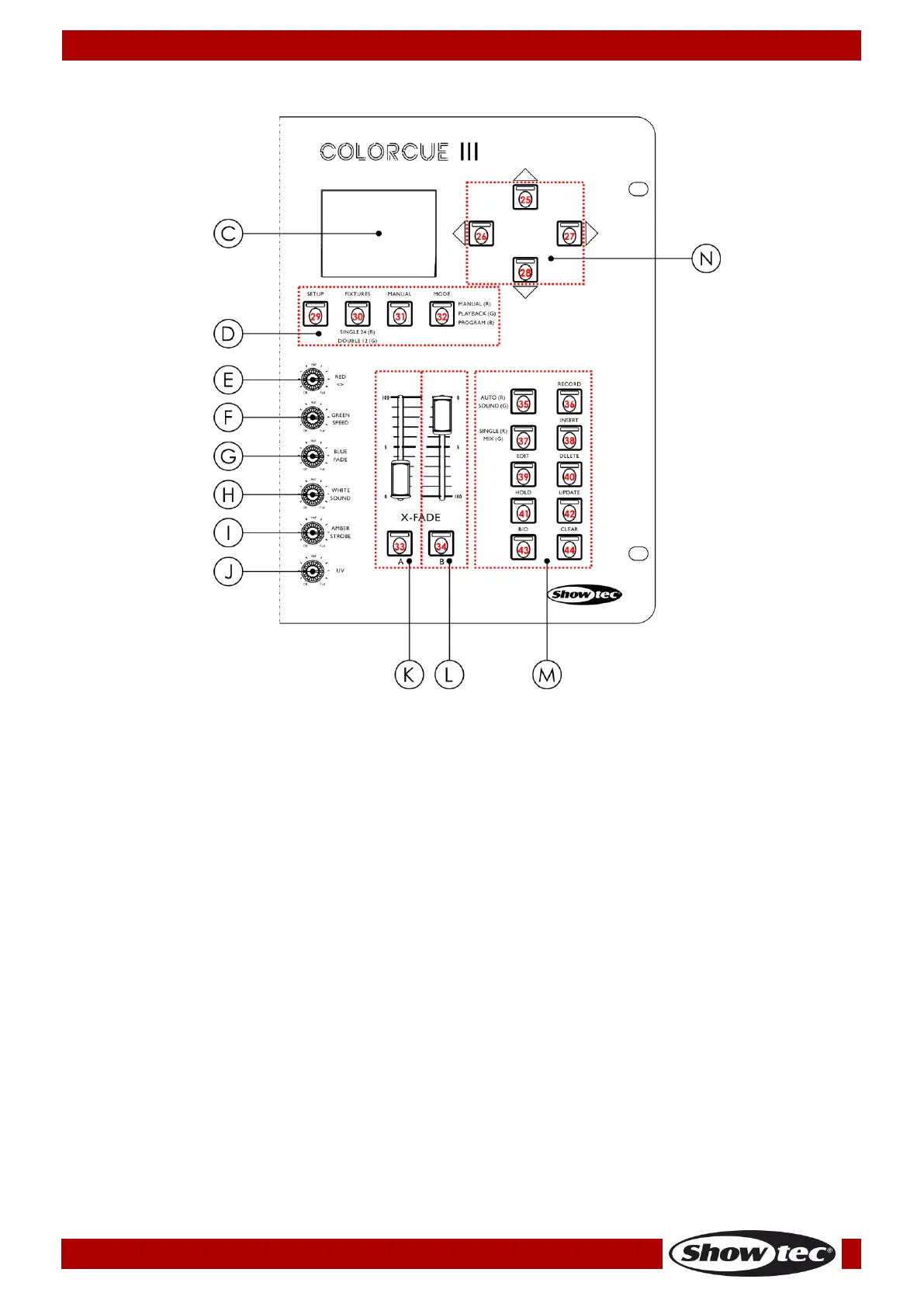
ColorCue 3
Top View Modes/Functions Section
Fig. 02
C) LCD display
I) AMBER/STROBE control
D) Modes buttons with LEDs
J) UV control
E) RED/DIRECTION control
K) BANK A master fader and flash button with LED
F) GREEN/SPEED control
L) BANK B master fader and flash button with LED
G) BLUE/FADE control
M) Function buttons with LEDs
H) WHITE/SOUND control
N) UP/DOWN and LEFT/RIGHT buttons with LEDs

Related product manuals