EasyManua.ls Logo

SICE S 65 E - Pneumatic Diagram

SICE S 65 E
Print Icon
To Next Page IconTo Next Page
To Next Page IconTo Next Page
To Previous Page IconTo Previous Page
To Previous Page IconTo Previous Page
Loading...
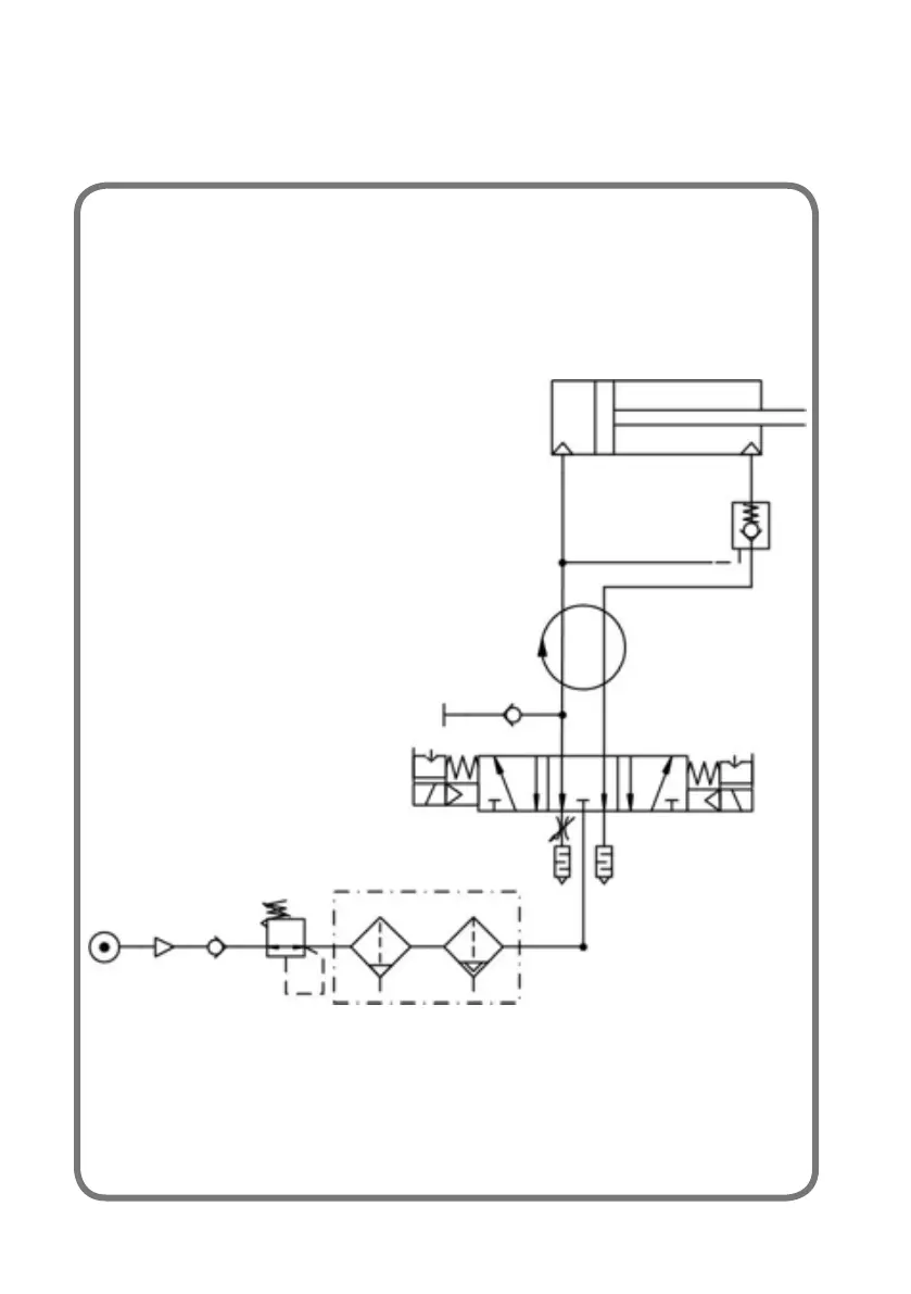
140 Operator's Manual S 65 E - S 65 E C
PNEUMATIC DIAGRAM
Air supply: 7-10 bar (100-145 psi)

Table of Contents