EasyManua.ls Logo

SICE S 65 E - Pneumatikschema

SICE S 65 E
Print Icon
To Next Page IconTo Next Page
To Next Page IconTo Next Page
To Previous Page IconTo Previous Page
To Previous Page IconTo Previous Page
Loading...
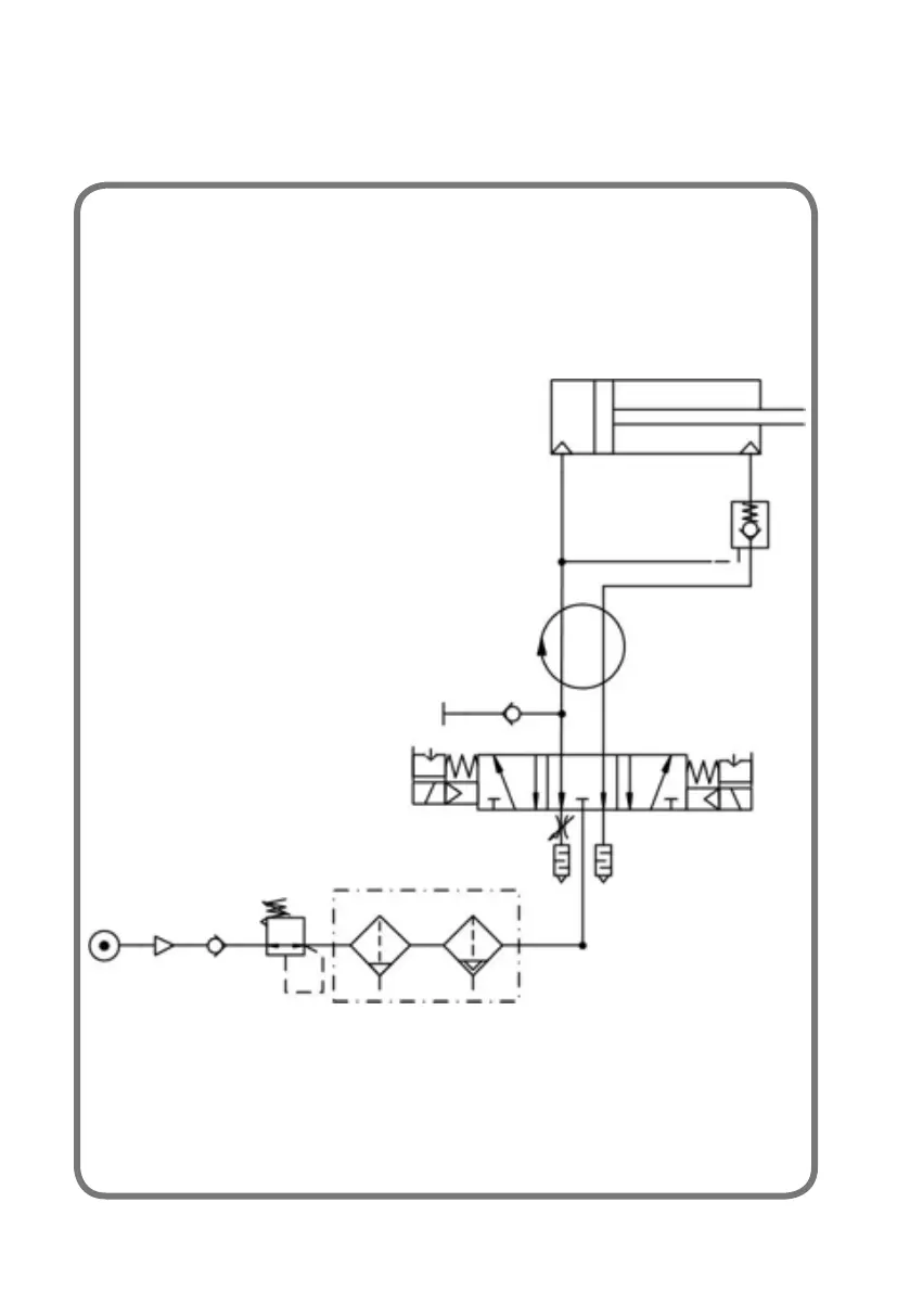
280 Benutzerhandbuch S 65 E - S 65 E C
PNEUMATIKSCHEMA
Luftversorgung: 7÷10 bar (100-145 psi)

Table of Contents